买琴买鼓,就找魔菇!

 找回密码
 注册
搜索
查看: 12228|回复: 41

MESA BOOGIE 音箱电路图 (第一波)14款

[复制链接]
发表于 2010-1-16 12:17:20 | 显示全部楼层 |阅读模式
吉他中国微信公众号
请大家在14楼以后才开始顶贴。

MESA BOOGIE 音箱电路图 (第一波)14款箱子。总的有36种,今天先发14种。

反响好并且得到加精就继续发。

工程量太大,PDF截图成BMP再转JPG才能发。

还是一贯的习惯,每楼是一种,图片名就是型号。

[ 本帖最后由 kkkill1984 于 2010-1-16 12:35 编辑 ]
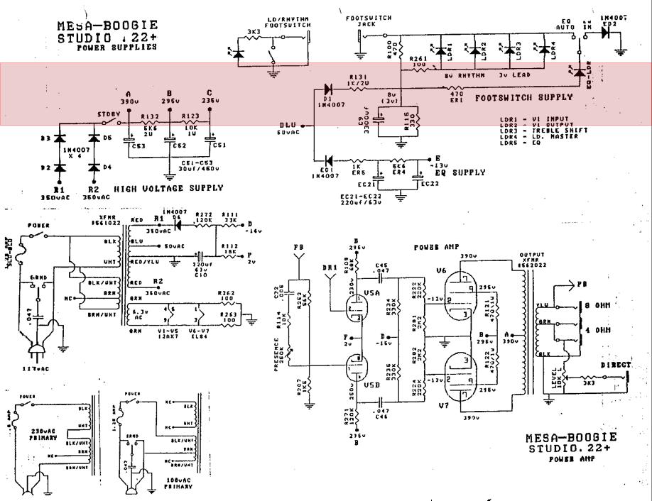
boogie_22cal 1.JPG
boogie_22cal 2.JPG
 楼主| 发表于 2010-1-16 12:19:06 | 显示全部楼层
吉他中国抖音
继续来………………
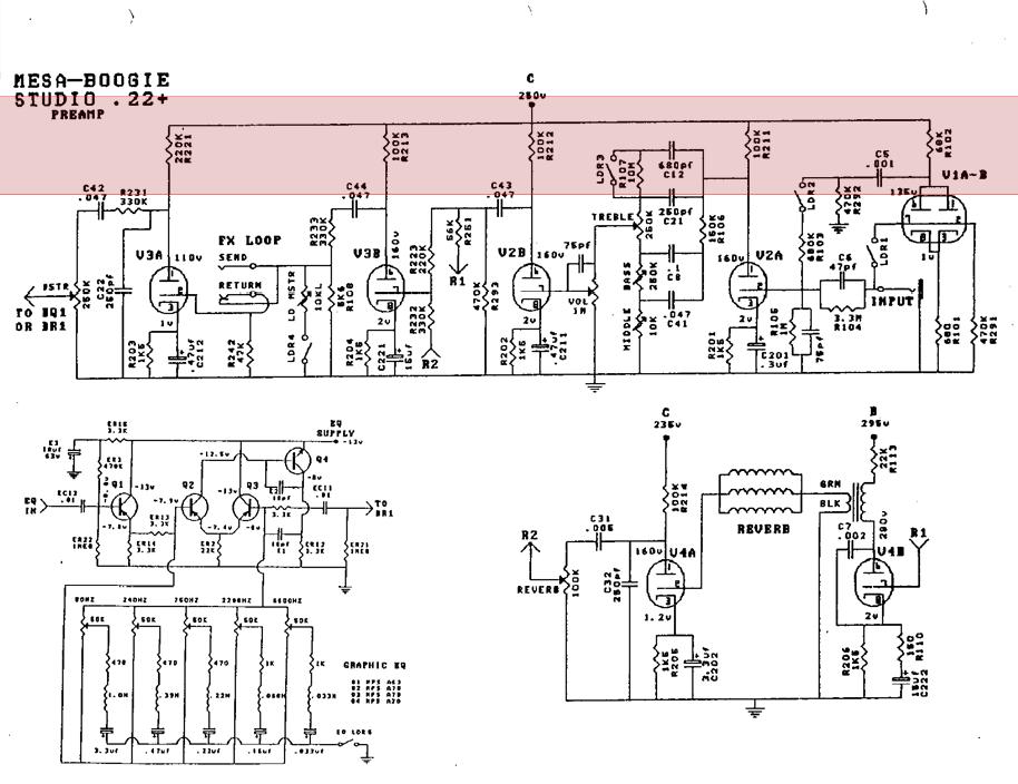
boogie_22calplus 1.JPG
boogie_22calplus 2.JPG
boogie_22calplus 3.JPG
发表于 2010-1-16 12:19:54 | 显示全部楼层
GC视频号
这种牛逼贴!!!神!!!
 楼主| 发表于 2010-1-16 12:20:11 | 显示全部楼层
买琴买鼓,就找魔菇
继续来………………
boogie_50cal 1.JPG
boogie_50cal 2.JPG
boogie_50cal 3.JPG
boogie_50cal 4.JPG
 楼主| 发表于 2010-1-16 12:21:25 | 显示全部楼层
继续来………………
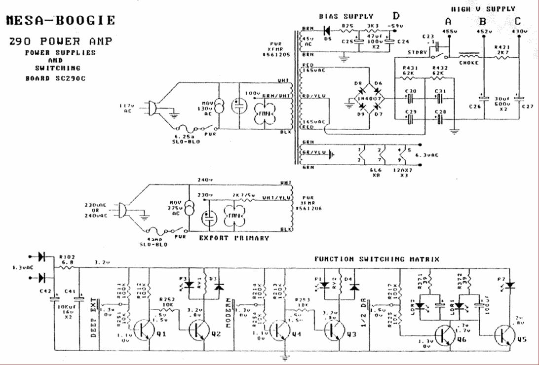
boogie_290 1.JPG
boogie_290 2.JPG
 楼主| 发表于 2010-1-16 12:22:36 | 显示全部楼层
继续来………………
boogie_5050 1.JPG
boogie_5050 2.JPG
 楼主| 发表于 2010-1-16 12:24:08 | 显示全部楼层
继续来………………
boogie_bass400 1.JPG
boogie_bass400 2.JPG
 楼主| 发表于 2010-1-16 12:25:18 | 显示全部楼层
继续来………………
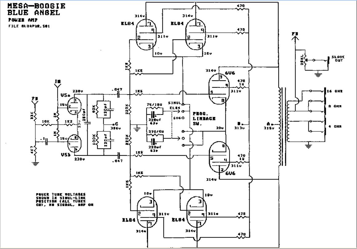
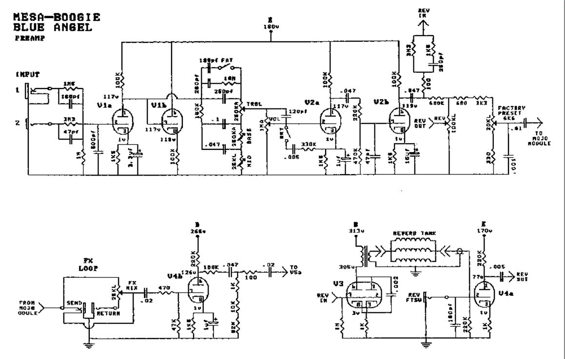
boogie_blueangel 1.JPG
boogie_blueangel 2.JPG
boogie_blueangel 3.JPG
 楼主| 发表于 2010-1-16 12:26:30 | 显示全部楼层
继续来………………
boogie_d180 1.JPG
boogie_d180 2.JPG
 楼主| 发表于 2010-1-16 12:28:03 | 显示全部楼层
继续来………………
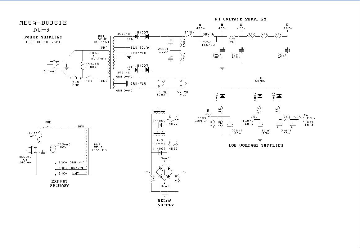
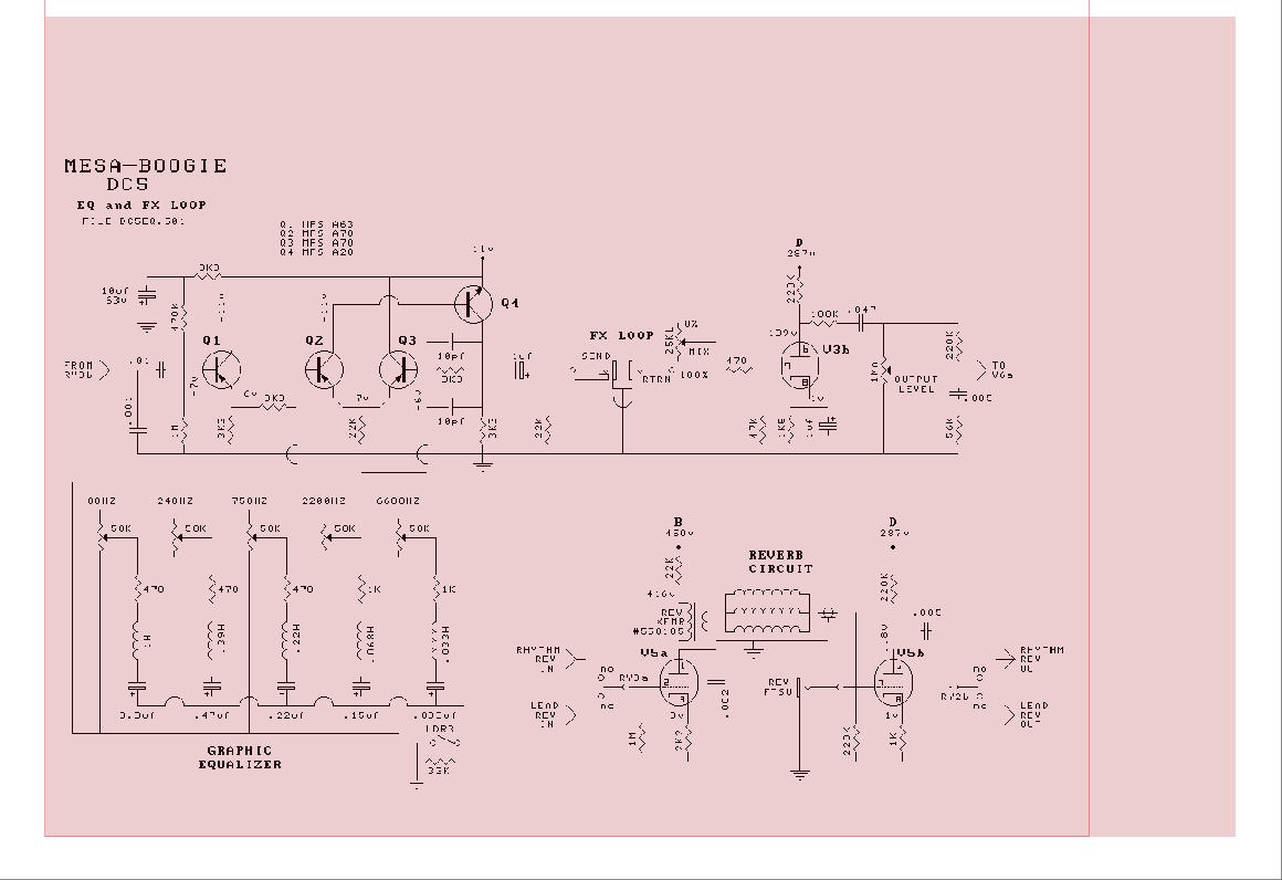
boogie_dual_caliber_dc5 1.JPG
boogie_dual_caliber_dc5 2.JPG
boogie_dual_caliber_dc5 3.JPG
boogie_dual_caliber_dc5 4.JPG
boogie_dual_caliber_dc5 5.JPG
boogie_dual_caliber_dc5 6.JPG
boogie_dual_caliber_dc5 7.JPG
boogie_dual_caliber_dc5 8.JPG
boogie_dual_caliber_dc5 9.JPG
boogie_dual_caliber_dc5 10.JPG
boogie_dual_caliber_dc5 11.JPG
boogie_dual_caliber_dc5 12.JPG
boogie_dual_caliber_dc5 13.JPG
 楼主| 发表于 2010-1-16 12:29:35 | 显示全部楼层
继续来………………
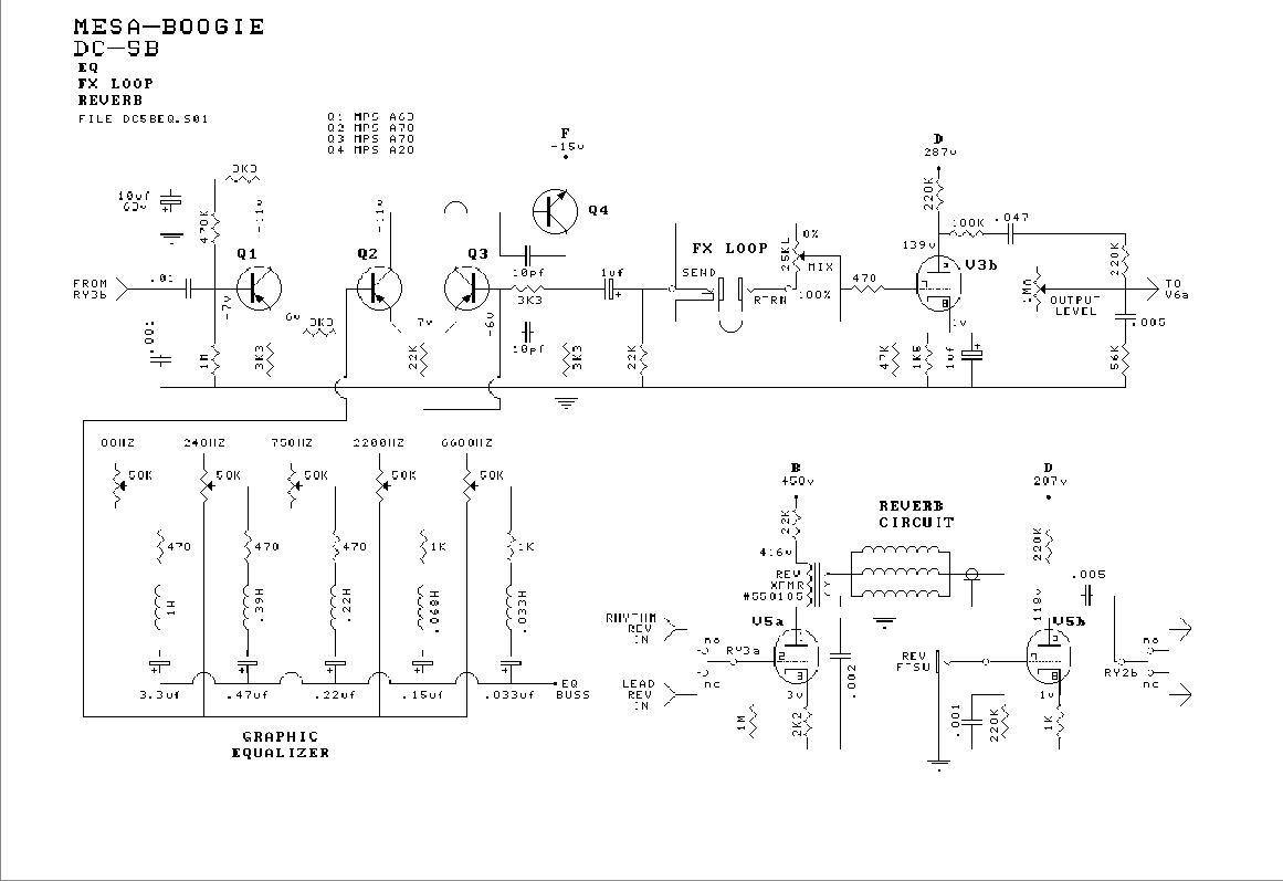
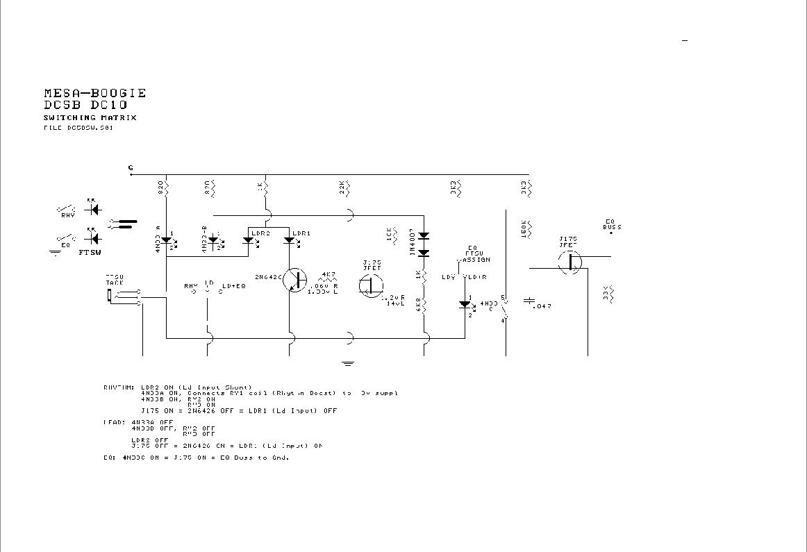
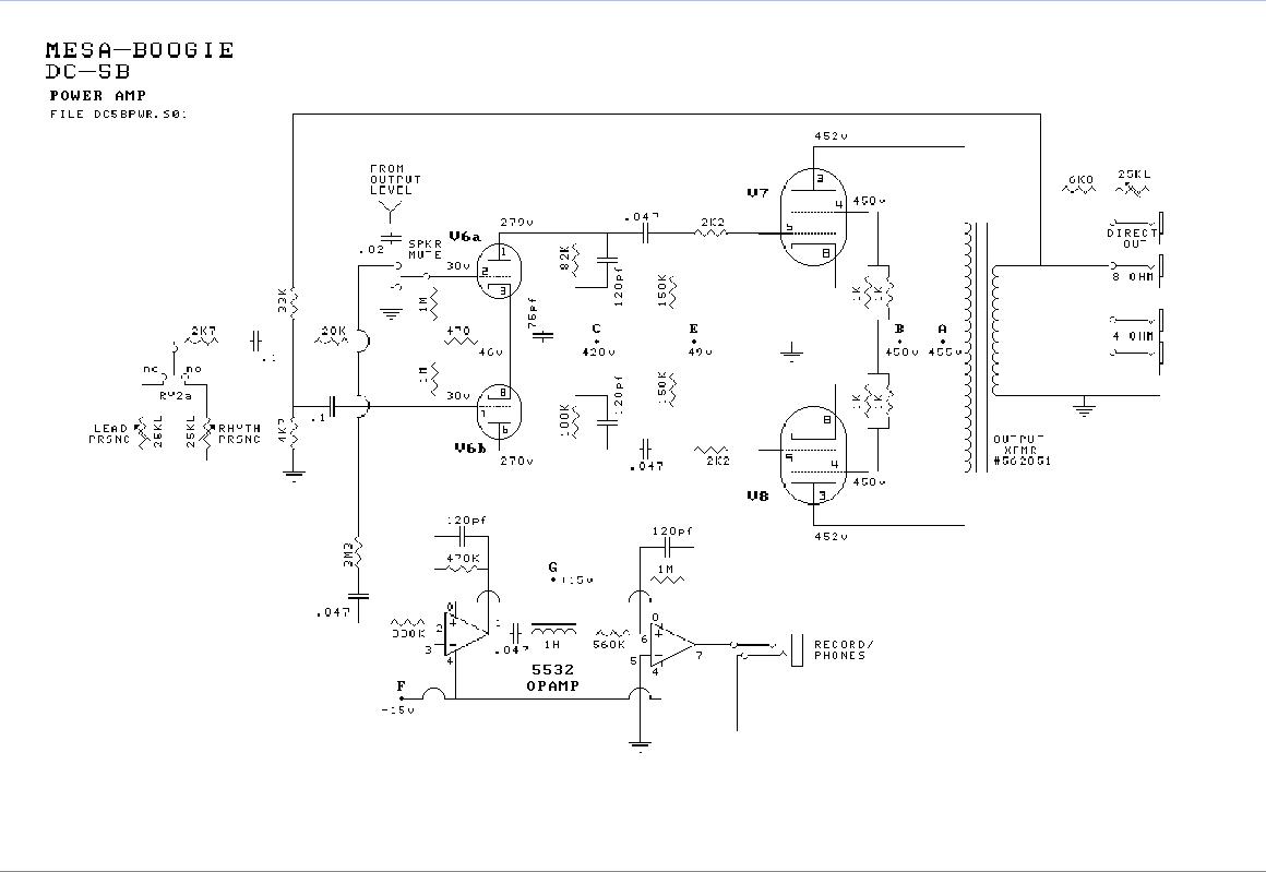
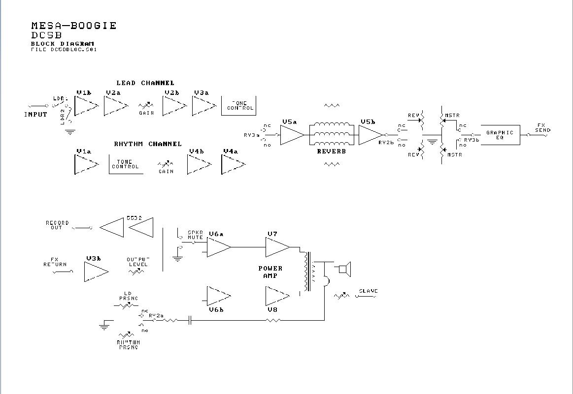
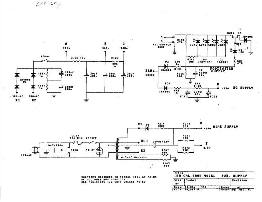
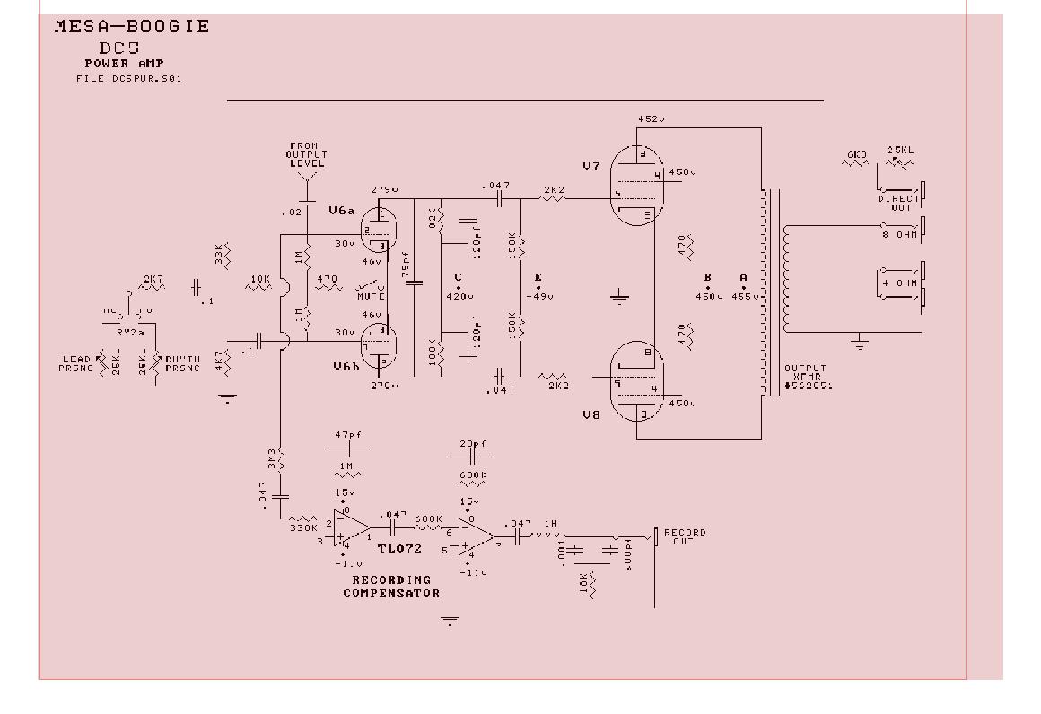
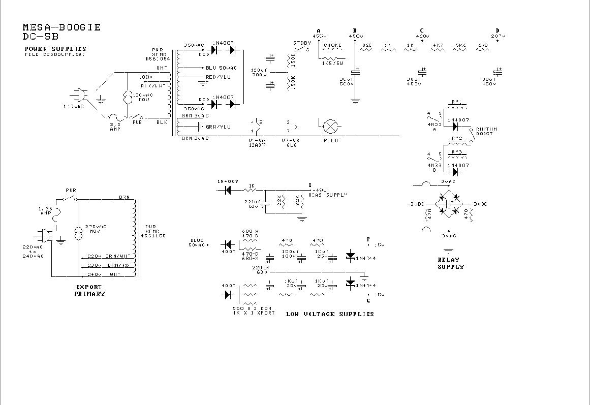
boogie_dual_caliber_dc5b 1.JPG
boogie_dual_caliber_dc5b 2.JPG
boogie_dual_caliber_dc5b 3.JPG
boogie_dual_caliber_dc5b 4.JPG
boogie_dual_caliber_dc5b 5.JPG
boogie_dual_caliber_dc5b 6.JPG
 楼主| 发表于 2010-1-16 12:31:04 | 显示全部楼层
继续来………………
boogie_dualrectifier 1.JPG
boogie_dualrectifier 2.JPG
boogie_dualrectifier 3.JPG
boogie_dualrectifier 4.JPG
boogie_dualrectifier 5.JPG
boogie_dualrectifier 6.JPG
 楼主| 发表于 2010-1-16 12:32:26 | 显示全部楼层
继续来………………
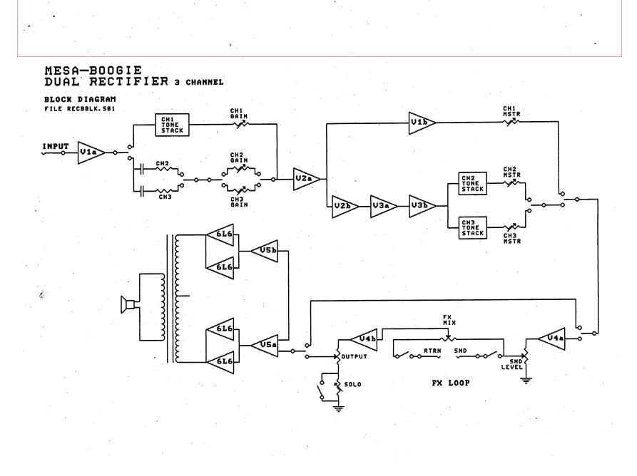
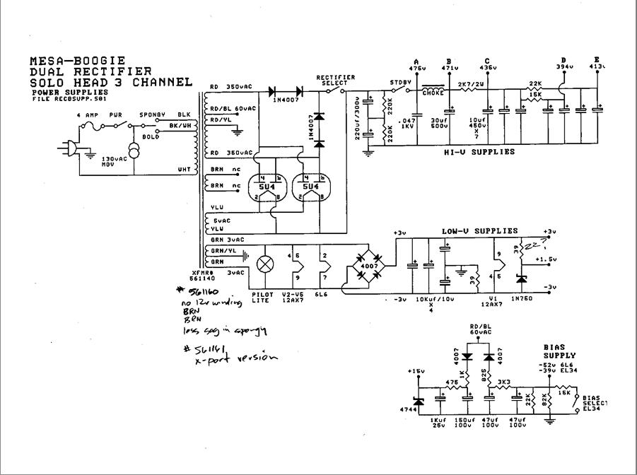
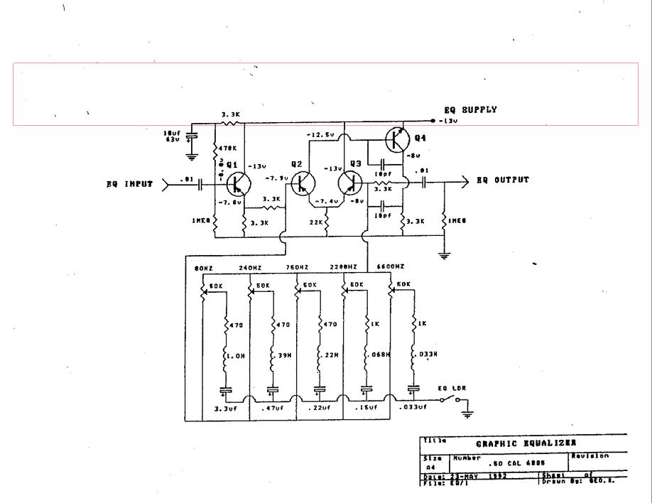
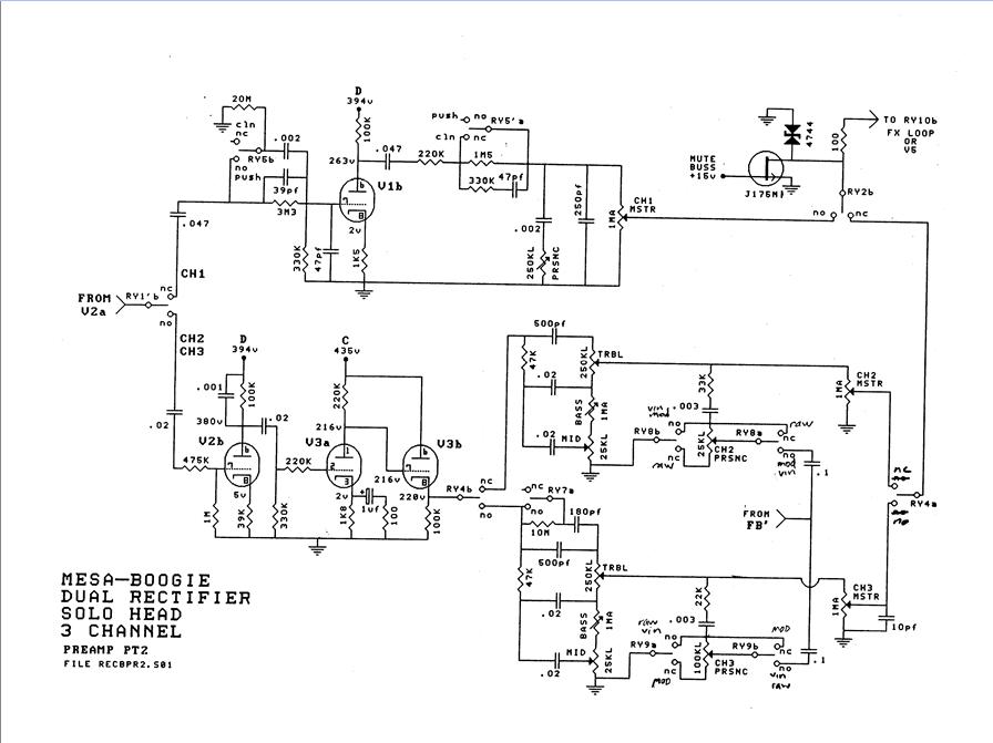
boogie_dualrectifier_3ch_solo_head 1.JPG
boogie_dualrectifier_3ch_solo_head 2.JPG
boogie_dualrectifier_3ch_solo_head 3.JPG
boogie_dualrectifier_3ch_solo_head 4.JPG
boogie_dualrectifier_3ch_solo_head 5.JPG
boogie_dualrectifier_3ch_solo_head 6.JPG
boogie_dualrectifier_3ch_solo_head 7.JPG
boogie_dualrectifier_3ch_solo_head 8.JPG
boogie_dualrectifier_3ch_solo_head 9.JPG
boogie_dualrectifier_3ch_solo_head 10.JPG
boogie_dualrectifier_3ch_solo_head 11.JPG
 楼主| 发表于 2010-1-16 12:33:55 | 显示全部楼层
继续来………………
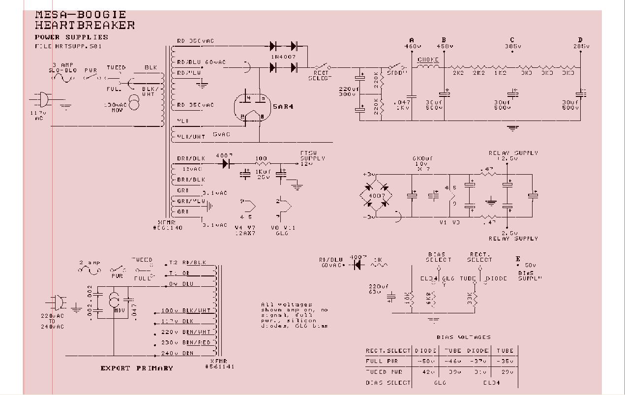
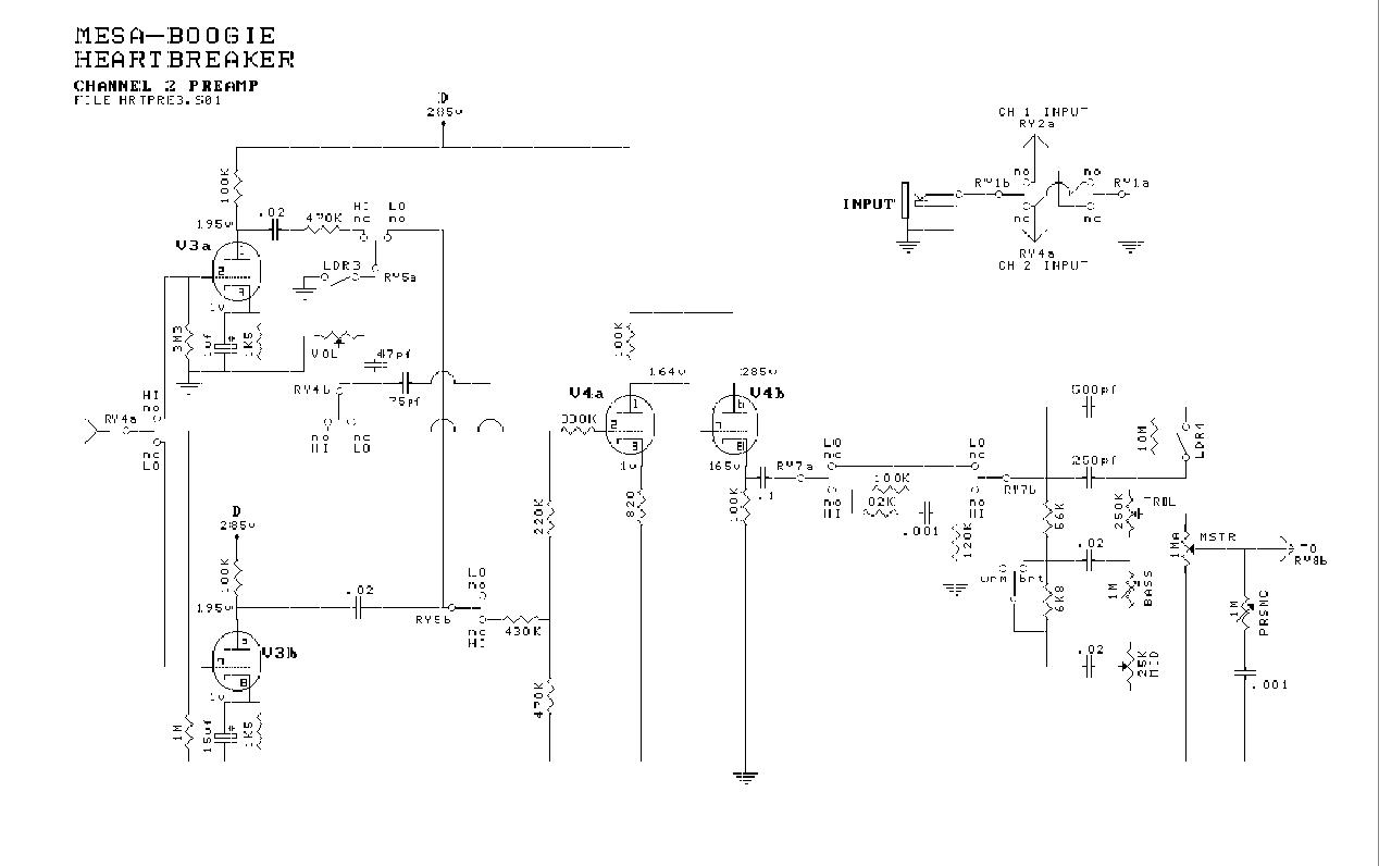
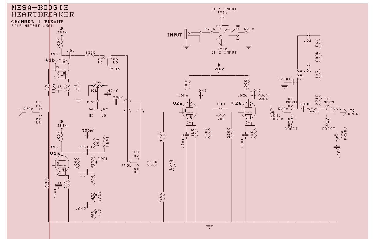
boogie_heartbreaker 1.JPG
boogie_heartbreaker 2.JPG
boogie_heartbreaker 3.JPG
boogie_heartbreaker 4.JPG
boogie_heartbreaker 5.JPG
boogie_heartbreaker 6.JPG
boogie_heartbreaker 7.JPG
boogie_heartbreaker 8.JPG
boogie_heartbreaker 9.JPG
 楼主| 发表于 2010-1-16 12:35:09 | 显示全部楼层
继续来………………
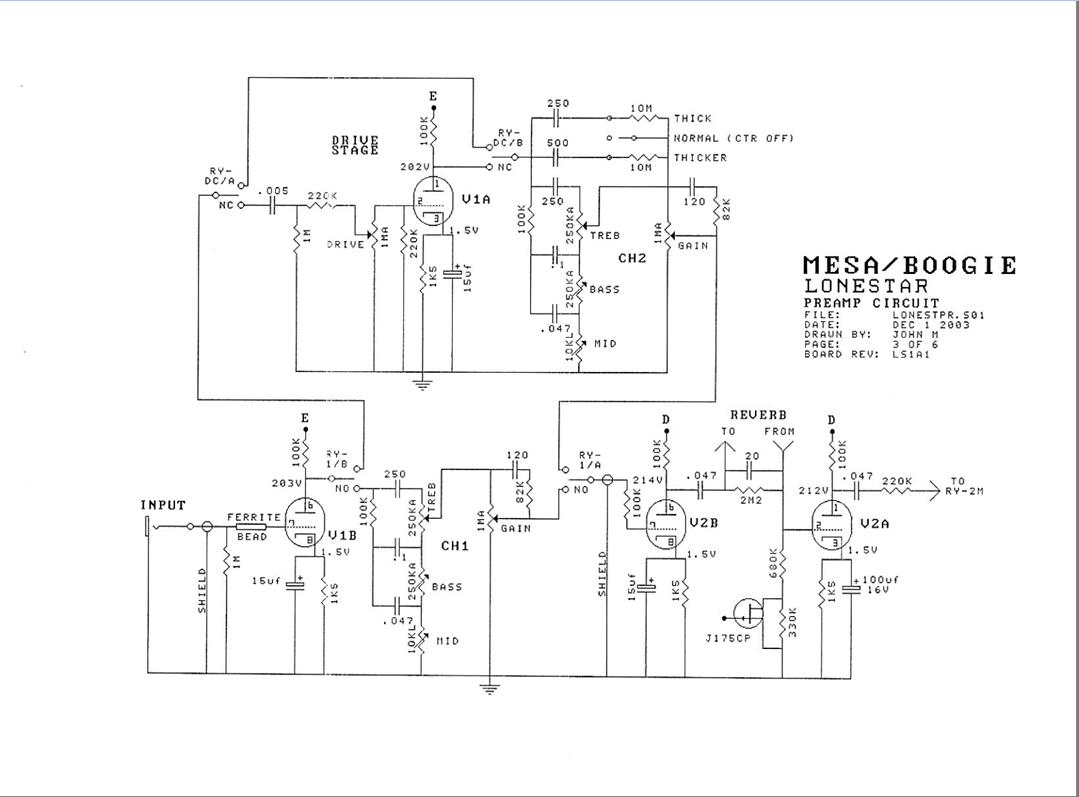
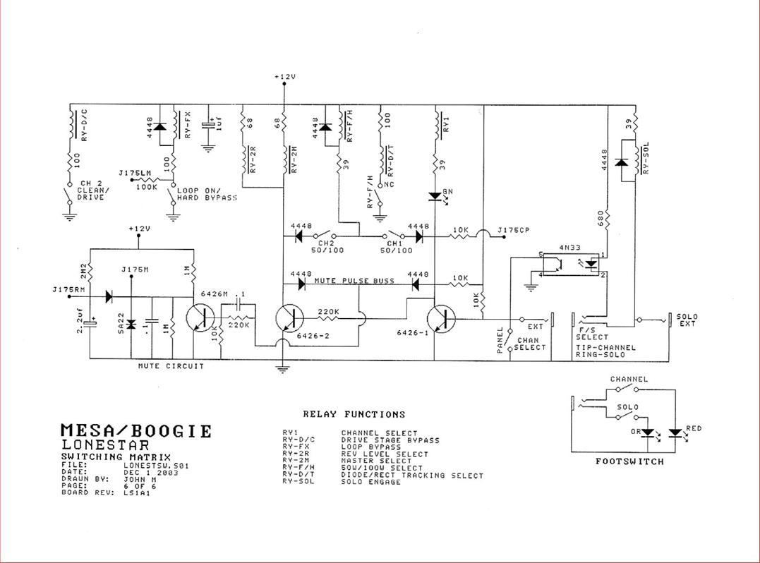
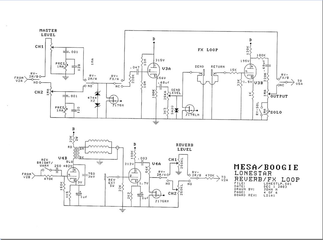
boogie_lonestar 1.JPG
boogie_lonestar 2.JPG
boogie_lonestar 3.JPG
boogie_lonestar 4.JPG
boogie_lonestar 5.JPG
boogie_lonestar 6.JPG
 楼主| 发表于 2010-1-16 12:37:19 | 显示全部楼层
发完收工!我自己不会DIY,主要是懒,所以发出来给DIY的朋友实验。
发表于 2010-1-16 13:07:31 | 显示全部楼层
我这算沙发????
发表于 2010-1-16 14:24:03 | 显示全部楼层
神贴 要顶 强力顶!!!!!!
 楼主| 发表于 2010-1-16 15:44:33 | 显示全部楼层
发表于 2010-1-16 21:15:19 | 显示全部楼层
从右到左的画法真是看不习惯……

顶楼和4楼的帖子SEND和RETURN画反了。

还是喜欢Dual Rectifier这个系列的图~
 楼主| 发表于 2010-1-17 12:33:53 | 显示全部楼层
雷子,你抽空弄一个出来看看这些电路图是否有用。
发表于 2010-1-17 21:16:51 | 显示全部楼层
记号
发表于 2010-1-18 10:40:46 | 显示全部楼层
ding shang qu
发表于 2010-1-18 16:39:27 | 显示全部楼层
看着就复杂。功能太多。
我还是喜欢简洁点的电路。简洁至上~
发表于 2010-1-18 20:41:07 | 显示全部楼层
虽然不会看,,,先收藏好,,,,有机会不知道会不会照做一个,,

最好有高人来解释一下,,,3ch的solo head怎样做出来,,
发表于 2010-1-19 08:56:16 | 显示全部楼层
强,
哥们,可以把所有的图,原来格式的(清楚一点)
可以发到邮箱给我吗?119694697@qq.com
谢谢,
 楼主| 发表于 2010-1-19 09:05:48 | 显示全部楼层
各位哥们,我会抽空把PDF压缩了跟帖发上来的。最近太忙,请大家等几天。
发表于 2011-1-27 00:39:26 | 显示全部楼层
好帖要顶
发表于 2011-1-27 11:21:03 | 显示全部楼层
除了顶还是顶~~~
发表于 2011-1-27 13:43:18 | 显示全部楼层
顶了!顶我们云南昆明的哥们!我刚做橘子!又来很多猛图!
发表于 2011-1-27 23:30:47 | 显示全部楼层
发表于 2011-1-28 16:55:37 | 显示全部楼层
多谢楼主了!但是....多数的图都不怎么清晰...数据........
发表于 2011-2-1 09:35:59 | 显示全部楼层
猛禽帮顶!!!求图求像啊!已经和您QQ上说了,准备年后开工 原图!!!
发表于 2011-2-3 00:07:13 | 显示全部楼层
我看不懂这个 但是要顶 可是最关键的输出变压器怎么弄 那个是买不到的呀
发表于 2011-2-13 21:28:37 | 显示全部楼层
  哥们,可以把所有的图,原来格式的(清楚一点)
可以发到邮箱给我吗?605775942@qq.com
谢谢你了
发表于 2011-2-14 10:27:34 | 显示全部楼层
牛人们,复刻一个啊
头像被屏蔽
发表于 2012-5-19 06:05:14 | 显示全部楼层
不错!支持楼主!
发表于 2012-5-19 13:30:34 | 显示全部楼层
牛b!!!顶!!!!!!
发表于 2012-5-19 15:42:10 | 显示全部楼层
PCB PCB PCB PCB PCB PCB PCB
发表于 2012-10-28 17:05:37 | 显示全部楼层
辛苦了!用不上也帮定!就看着份爱心!
您需要登录后才可以回帖 登录 | 注册

本版积分规则

Archiver|手机版|小黑屋|吉他中国官方

GMT+8, 2025-11-28 23:48

Powered by Discuz!

© 2001-2024 Discuz! Team.

快速回复 返回顶部 返回列表