买琴买鼓,就找魔菇!

 找回密码
 注册
搜索
查看: 1603|回复: 3

想自己换下电位器,找了两个电路图,电容的位置让我迷惑了,求高手解惑!

[复制链接]
发表于 2009-11-7 19:03:17 | 显示全部楼层 |阅读模式
吉他中国微信公众号
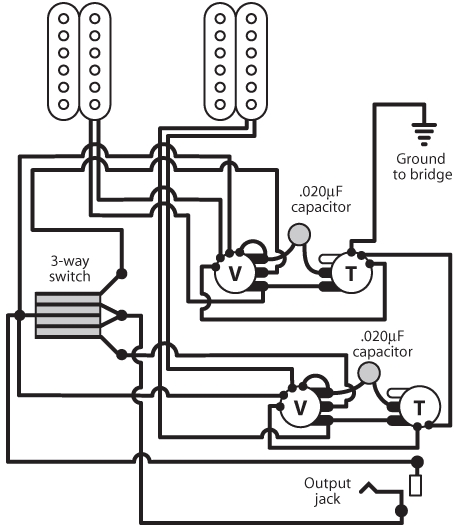
如下俩种电路图,一种是电容直接焊在音色的电位器上,另一种是电容链接音量和音色电位器,请问两种图有什么区别?
GC2.jpg
无标题.JPG
发表于 2009-11-7 23:32:49 | 显示全部楼层
吉他中国抖音
都是一样的
发表于 2009-11-7 23:36:40 | 显示全部楼层
GC视频号
地一个图里焊在了音量电位器的接地上   第二个焊在音色电位器的外可上 而音色电位器的外壳是 连到了接地上
 楼主| 发表于 2009-11-8 09:00:20 | 显示全部楼层
买琴买鼓,就找魔菇
谢谢楼上的。
您需要登录后才可以回帖 登录 | 注册

本版积分规则

Archiver|手机版|小黑屋|吉他中国官方

GMT+8, 2025-11-28 01:05

Powered by Discuz!

© 2001-2024 Discuz! Team.

快速回复 返回顶部 返回列表