买琴买鼓,就找魔菇!

 找回密码
 注册
搜索
查看: 45057|回复: 129

32种BOSS、t.c.electronic、Roland单块电路图。大部分为原厂电路图.

[复制链接]
发表于 2009-7-2 14:28:47 | 显示全部楼层 |阅读模式
吉他中国微信公众号
请大家暂时不要顶帖子,等我连续的发完所有电路图图以后再顶。谢谢!
我每楼发一个单块的电路图,大家在28楼以后开始顶。再次谢过!
发图时我就不具体介绍是哪个效果器了,图片名称就是效果器的型号。


27BOSS单块电路图。3t.c.electronic单块电路图。2ROLAND单块电路图。大部分为原厂电路图。

PDF格式的包括BOSS DF2ROLAND AP5ROLAND AP7TC SPE SERVICE MANUALTC DIST BOOST。(TCt.c.electronic)。

图片格式的包括BOSS BF2BOSS CE1BOSS DB5BOSS OC2BOSS VB2BOSS AC2BOSS BD2BOSS NF1BOSS SG1BOSS TW1BOSS CE2BOSS CS1BOSS CS2BOSS DM2BOSS DRP1BOSS DS1BOSS DS2BOSS GE7BOSS KM400BOSS MT2BOSS MZ2BOSS NS2BOSS OD1BOSS SD1BOSS SP1BOSS OD2TC CHORUS。(TCt.c.electronic)。

由于GC的附件限制,我把图片压到了长边像素为800(原图长度像素基本为1000~6000),所以可能不是很清楚了。
另由于GC的附件限制,PDF格式的就不发了。(PDF格式的有的用Foxit PDF Reader打开,有的要用Adobe reader才能打开。


很黄很暴力,不加精都不行。
 楼主| 发表于 2009-7-2 14:32:25 | 显示全部楼层
吉他中国抖音
。。。。。。。。。。。。。。。。。。。。。。。。。。。
BOSS BF2-1.jpg
BOSS BF2-2.jpg
 楼主| 发表于 2009-7-2 14:33:53 | 显示全部楼层
GC视频号
。。。。。。。。。。。。。。。。。。。。。。。。。。。。。。。。。。。
BOSS CE2.jpg
 楼主| 发表于 2009-7-2 14:36:01 | 显示全部楼层
买琴买鼓,就找魔菇
。。。。。。。。。。。。。。。。。。。。。。。。。。。。。
BOSS CS1.jpg
 楼主| 发表于 2009-7-2 14:37:59 | 显示全部楼层
。。。。。。。。。。。。。。。。。。。。。。。。。。。。。。
BOSS CS2-1.jpg
BOSS CS2-2.jpg
 楼主| 发表于 2009-7-2 14:39:10 | 显示全部楼层
。。。。。。。。。。。。。。。。。。。。。。。。。。。
BOSS DM2-1.jpg
BOSS DM2-2.jpg
 楼主| 发表于 2009-7-2 14:40:20 | 显示全部楼层
。。。。。。。。。。。。。。。。。。。。。。。
BOSS DRP1-1.jpg
BOSS DRP1-2.jpg
 楼主| 发表于 2009-7-2 14:41:42 | 显示全部楼层
。。。。。。。。。。。。。。。。。。。。。。
BOSS DS1-1.jpg
BOSS DS1-2.jpg
 楼主| 发表于 2009-7-2 14:42:58 | 显示全部楼层
。。。。。。。。。。。。。。。。。。。。。。
BOSS DS2.gif
 楼主| 发表于 2009-7-2 14:44:05 | 显示全部楼层
。。。。。。。。。。。。。。。。。。。。。。。。
BOSS GE7-1.jpg
BOSS GE7-2.jpg
 楼主| 发表于 2009-7-2 14:45:51 | 显示全部楼层
。。。。。。。。。。。。。。。。。。。。
BOSS KM400-1.jpg
BOSS KM400-2.jpg
 楼主| 发表于 2009-7-2 14:48:41 | 显示全部楼层
。。。。。。。。。。。。。。。。。。。。。
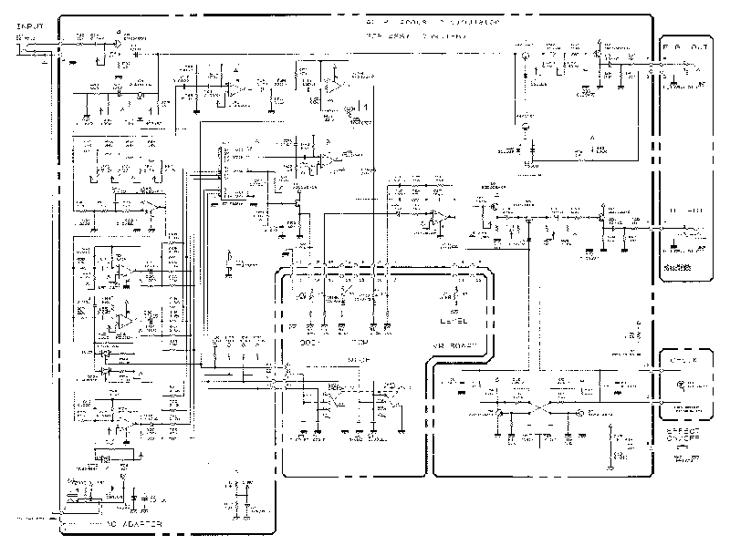
BOSS mt2-01.jpg
BOSS mt2-02.jpg
BOSS mt2-03.jpg
BOSS mt2-04.jpg
BOSS mt2-05.jpg
BOSS mt2-06.jpg
BOSS mt2-07.jpg
 楼主| 发表于 2009-7-2 14:51:48 | 显示全部楼层
。。。。。。。。。。。。。。。。。。。。。。。
BOSS mz2-01.jpg
BOSS mz2-02.jpg
BOSS mz2-03.jpg
BOSS mz2-04.gif
BOSS mz2-05.jpg
BOSS mz2-06.jpg
BOSS mz2-07.jpg
BOSS mz2-08.jpg
 楼主| 发表于 2009-7-2 14:53:37 | 显示全部楼层
。。。。。。。。。。。。。。。。
BOSS NF-1-1.gif
BOSS NF-1-2.gif
 楼主| 发表于 2009-7-2 14:55:00 | 显示全部楼层
。。。。。。。。。。。。。。。。。。
BOSS NS2.jpg
 楼主| 发表于 2009-7-2 14:56:05 | 显示全部楼层
。。。。。。。。。。。。。。。。。。。。。。。
BOSS OD1-1.jpg
BOSS OD1-2.jpg
 楼主| 发表于 2009-7-2 14:58:37 | 显示全部楼层
。。。。。。。。。。。。。。。。。。。。。。。。
BOSS OD2-1.jpg
BOSS OD2-2.jpg
BOSS OD2-3.jpg
BOSS OD2-4.jpg
BOSS OD2-5.jpg
BOSS OD2-6.jpg
 楼主| 发表于 2009-7-2 15:00:04 | 显示全部楼层
。。。。。。。。。。。。。。。。。。
BOSS SD1-1.jpg
BOSS SD1-2.jpg
 楼主| 发表于 2009-7-2 15:01:22 | 显示全部楼层
。。。。。。。。。。。。。。。。。。。。。
BOSS SG-1-1.gif
BOSS SG-1-2.gif
 楼主| 发表于 2009-7-2 15:02:42 | 显示全部楼层
。。。。。。。。。。。。。。。。。。。。。。。。。。。。
BOSS SP1-1.jpg
BOSS SP1-2.jpg
 楼主| 发表于 2009-7-2 15:04:14 | 显示全部楼层
。。。。。。。。。。。。。。。。。。。
BOSS TW1.jpg
 楼主| 发表于 2009-7-2 15:05:34 | 显示全部楼层
。。。。。。。。。。。。。。。。。。
Boss_CE1.gif
 楼主| 发表于 2009-7-2 15:06:54 | 显示全部楼层
。。。。。。。。。。。。。。。。。。。。。。。
Boss_DB-5_1.gif
Boss_DB-5_2.gif
Boss_DB-5_3.gif
Boss_DB-5_4.gif
 楼主| 发表于 2009-7-2 15:08:57 | 显示全部楼层
。。。。。。。。。。。。。。。。
Boss_OC2_Oktave.jpg
 楼主| 发表于 2009-7-2 15:09:59 | 显示全部楼层
。。。。。。。。。。。。。。。。。。。
BOSS_VB2.jpg
 楼主| 发表于 2009-7-2 15:11:06 | 显示全部楼层
。。。。。。。。。。。。。。。。。。。。
BossAC-2.gif
 楼主| 发表于 2009-7-2 15:13:12 | 显示全部楼层
。。。。。。。。。。。。。。。。。。
BossBD-2.gif
 楼主| 发表于 2009-7-2 15:14:43 | 显示全部楼层
。。。。。。。。。。。。。。。。。。。。。。
tcchorusA.jpg
tcchorusB.jpg
 楼主| 发表于 2009-7-2 15:16:36 | 显示全部楼层
全部发完,DIY高手们,开始新一轮游戏吧!剩下的5个的 PDF的,就不发了!
发表于 2009-7-2 15:22:51 | 显示全部楼层
虽然看不懂,但被楼主的精神所打动,好图吖
头像被屏蔽
发表于 2009-7-2 16:23:53 | 显示全部楼层
`~~~~~~~~~~~~~~~~~~
发表于 2009-7-2 16:56:25 | 显示全部楼层
有人量产这些零件和PCB就好了
发表于 2009-7-3 08:36:34 | 显示全部楼层
发表于 2009-7-3 08:41:57 | 显示全部楼层
发表于 2009-7-4 19:51:23 | 显示全部楼层
占个凳子
pdf的建议打包发 [em13]
哈哈
发表于 2009-7-5 00:18:55 | 显示全部楼层
好东西!LZ哪搞到的?清晰度能再高点就完美了
发表于 2009-7-5 09:30:30 | 显示全部楼层
 楼主| 发表于 2009-7-5 10:53:53 | 显示全部楼层
原帖由 xiaxia686 于 2009-7-5 00:18 发表
好东西!LZ哪搞到的?清晰度能再高点就完美了


我都不记得了,网上冲浪,结果被浪冲得晕头转向,无意间找到的。

清晰读很高的,很多是6000*4000的图片。但是GC图片限制大小,只能压小了发。
发表于 2009-7-18 14:48:15 | 显示全部楼层
好!
发表于 2009-7-29 09:39:22 | 显示全部楼层
您需要登录后才可以回帖 登录 | 注册

本版积分规则

Archiver|手机版|小黑屋|吉他中国官方

GMT+8, 2025-11-28 19:52

Powered by Discuz!

© 2001-2024 Discuz! Team.

快速回复 返回顶部 返回列表