买琴买鼓,就找魔菇!

 找回密码
 注册
搜索
查看: 93334|回复: 251

超多IBANEZ常用型号电路图

  [复制链接]
发表于 2009-1-6 10:57:29 | 显示全部楼层 |阅读模式
吉他中国微信公众号
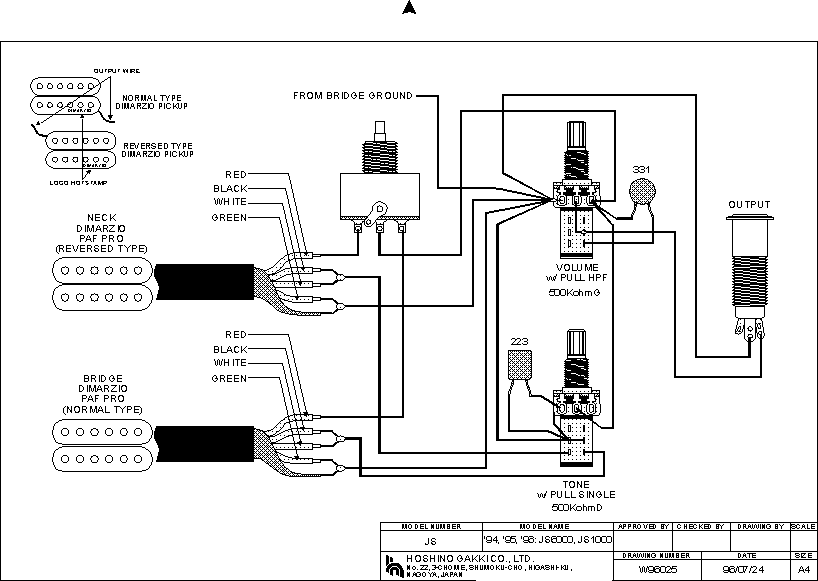
超多IBANEZ常用型号电路图,如果你要的型号我没发上来,就跟贴说一下,我尽快给你发上来。] JEM7VWH.gif jem555.gif RG20.gif rg170.gif rg220.gif rg270.gif
发表于 2009-1-6 10:58:31 | 显示全部楼层
吉他中国抖音
漂亮!我 收藏了!
 楼主| 发表于 2009-1-6 10:59:43 | 显示全部楼层
GC视频号
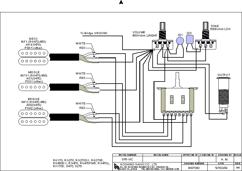
体型 RG350DX.gif RG470.gif RG520.gif 号图下方有标注
 楼主| 发表于 2009-1-6 11:03:01 | 显示全部楼层
买琴买鼓,就找魔菇
RG550.gif RG570.gif rg3120.gif RG7420.gif RG7421.gif RG7620.gif
 楼主| 发表于 2009-1-6 11:04:21 | 显示全部楼层
RG7621.gif S470.gif S7420.gif SA160.gif SC620.gif
 楼主| 发表于 2009-1-6 11:06:23 | 显示全部楼层
有须要IBZ其它型号的朋友,请跟贴说明,我会第一时间上传。!!
发表于 2009-1-6 11:20:14 | 显示全部楼层
[em13]
 楼主| 发表于 2009-1-6 11:23:42 | 显示全部楼层
杀人那个王啊,给我加个精。
发表于 2009-1-6 11:37:32 | 显示全部楼层
把你手头上的全部发出来·······呀哈哈哈哈哈
 楼主| 发表于 2009-1-6 12:03:17 | 显示全部楼层
最近放寒假了,琴行课多,我一定抽多点时间来为大家传图!
发表于 2009-1-6 12:21:31 | 显示全部楼层
PGM3的没有啊
发表于 2009-1-6 12:46:35 | 显示全部楼层
牛逼帖子
 楼主| 发表于 2009-1-6 12:47:52 | 显示全部楼层
原帖由 爱尔兰的你 于 2009-1-6 12:21 发表
PGM3的没有啊

是哪年出的琴,在哪国有售,有这两点
我就一定找得到
 楼主| 发表于 2009-1-6 12:53:42 | 显示全部楼层
以后找我要图的朋友,要告诉我你的琴的型号

还有哪年出的琴,在哪国有售,有这3点
我就一定找得到
 楼主| 发表于 2009-1-6 13:39:39 | 显示全部楼层
原帖由 爱尔兰的你 于 2009-1-6 12:21 发表
PGM3的没有啊

PGM3从95-08都没有这款型号
你问的是PGM30吧还是PGM300
下面就把这两款图发上来
1:PGM30
PGM30.gif
2:PGM300 PGM300.gif
3:PGM301 PGM301.gif
 楼主| 发表于 2009-1-6 13:41:41 | 显示全部楼层
原帖由 爱尔兰的你 于 2009-1-6 12:21 发表
PGM3的没有啊

希望我的图能帮到你。。。。。。。。。
发表于 2009-1-6 15:12:02 | 显示全部楼层
此乃好贴,岂能不顶
头像被屏蔽
发表于 2009-1-6 16:12:50 | 显示全部楼层
JS100 有么?

谢谢
发表于 2009-1-6 16:29:29 | 显示全部楼层
有08年的1570吗?日产的!
 楼主| 发表于 2009-1-6 16:58:06 | 显示全部楼层
原帖由 WEIDO 于 2009-1-6 16:12 发表
JS100 有么?

谢谢
JS100 W97009.gif
 楼主| 发表于 2009-1-6 17:02:32 | 显示全部楼层
原帖由 WEIDO 于 2009-1-6 16:12 发表
JS100 有么?

谢谢

08年只有ART 100
ART300
ART400
这三个新款出来,没有1570
再说你说个1570还得说个前面的是哪个系列,也就是前面还有两个字母
头像被屏蔽
发表于 2009-1-6 17:03:21 | 显示全部楼层
谢谢  楼主   速度好快哦

  

必须顶
 楼主| 发表于 2009-1-6 17:04:11 | 显示全部楼层
RG1570是05年出的
上图
 楼主| 发表于 2009-1-6 17:05:15 | 显示全部楼层
RG1570.gif
 楼主| 发表于 2009-1-6 17:07:52 | 显示全部楼层
原帖由 WEIDO 于 2009-1-6 17:03 发表
谢谢  楼主   速度好快哦

  

必须顶

你是不是中山卖M箱的?我买了你的箱,你不认识我了?
发表于 2009-1-6 18:12:19 | 显示全部楼层
这么好的帖子不顶太对不起人民啦  
发表于 2009-1-6 18:38:30 | 显示全部楼层
必藏品啊
你真是好人!!!
发表于 2009-1-6 19:02:10 | 显示全部楼层
亲爱的楼主把图纸弄成压缩文件大家下载吧~!
 楼主| 发表于 2009-1-6 19:50:33 | 显示全部楼层
呵呵,我这1M的网速,还不稳定。要是能打包传上来,我早传了
发表于 2009-1-6 20:24:21 | 显示全部楼层
顶楼主

我要AT100 JS1000和JS1200的电路图
 楼主| 发表于 2009-1-7 09:51:46 | 显示全部楼层
原帖由 循环血魔 于 2009-1-6 20:24 发表
顶楼主

我要AT100 JS1000和JS1200的电路图

我 只找到了 AT200 和JS1000另上一张JS2000希望对你有帮助Q
JS1000.gif AT200.gif JS2000.gif
发表于 2009-1-7 11:25:12 | 显示全部楼层
疯了,厉害!!
发表于 2009-1-7 15:36:38 | 显示全部楼层
来 个 2550的 谢谢 !
头像被屏蔽
发表于 2009-1-7 17:18:41 | 显示全部楼层
wo yao SZ520FM的图,有麼?我不会接。档位气是DPDT开关 12针的。但是是LP的那种档位器,不是FENDER的那种。
 楼主| 发表于 2009-1-7 18:41:59 | 显示全部楼层
原帖由 罗兰 于 2009-1-7 15:36 发表
来 个 2550的 谢谢 !
RG2550EX.gif 下完图要记昨顶贴.
 楼主| 发表于 2009-1-7 18:43:07 | 显示全部楼层
原帖由 xiaozi0624 于 2009-1-7 17:18 发表
wo yao SZ520FM的图,有麼?我不会接。档位气是DPDT开关 12针的。但是是LP的那种档位器,不是FENDER的那种。
SZ520FM.gif
 楼主| 发表于 2009-1-7 18:44:19 | 显示全部楼层
看完图要记得顶贴!
 楼主| 发表于 2009-1-7 18:47:39 | 显示全部楼层
要图的有,顶贴的无,心哇凉啊!!!!!!
发表于 2009-1-7 20:28:49 | 显示全部楼层
发表于 2009-1-8 16:30:17 | 显示全部楼层
牛~~~有没有·ibanez JEM 77B的?
您需要登录后才可以回帖 登录 | 注册

本版积分规则

Archiver|手机版|小黑屋|吉他中国官方

GMT+8, 2025-11-28 01:39

Powered by Discuz!

© 2001-2024 Discuz! Team.

快速回复 返回顶部 返回列表