买琴买鼓,就找魔菇!

 找回密码
 注册
LAG
搜索
楼主: 紫色的琴弦

[原声吉他硬件] 木吉他DIY完全手册

[复制链接]
发表于 2008-11-15 16:40:50 | 显示全部楼层
吉他中国微信公众号
技术贴啊
发表于 2008-11-15 17:18:15 | 显示全部楼层
吉他中国抖音
强人啊,建议将调整前后的效果录音对比!
发表于 2008-11-15 20:05:08 | 显示全部楼层
GC视频号
不错不错, 那琴的颜色是我最喜欢的.
发表于 2008-11-15 20:09:40 | 显示全部楼层
买琴买鼓,就找魔菇
学习了,改天练的有点门道了,换把琴哦
发表于 2008-11-15 20:32:36 | 显示全部楼层
顶,这些技术很有用.
发表于 2008-11-15 22:51:01 | 显示全部楼层
好帖!~~~~
发表于 2008-11-16 00:08:36 | 显示全部楼层
Gibson出品的指板调节剂几钱一瓶?电吉他也同样适用吧?
楼主的家伙太多,强大。一般不好买到吧。

[ 本帖最后由 野败 于 2008-11-16 00:16 编辑 ]
 楼主| 发表于 2008-11-16 03:36:28 | 显示全部楼层

木吉他DIY完全手册 8

经过几轮细细地挫来挫去,琴枕的高度终于满意了。用砂纸结合锉刀给它塑个型。



顺便提一下琴桥部分固弦销的问题。前面已经说过,它的唯一作用就是 块档门砖。用砂纸可以打磨它的厚度还有槽的深度宽度,使得它能够很容易地放入销孔中并比较容易取出。
我经常用卷弦扳上面带的取销孔来取销子。



其实也可以用一般通用的剪钳来取,只是不要握得太紧。



装上truss rod盖,旋钮帽,还有M1,上好弦调好音,就大功告成了。
由于我扫弦拨弦不是很重,加上比较喜欢低的弦高,我将弦高弄得很低(1弦离指板的距离1品1.3mm,12品2.8mm;6弦离指板距离1品2.2mm,12品4.3mm。我是说的从弦的底部到指板的距离,不是到品丝顶端的距离)。
插上音箱,发现经过全部更换过电路和配件之后的EJ160E拾音器,已经不像原来那样底躁严重。原先我还以为这种拾音器是这样子的。不过现在出了把音量和音色都调到10以外,本底噪音小得可以忽略了。回授也好很多;在音箱较低音量下面完全没有回授。看来整改电路还是有帮助的。



我一般在每次换弦的时候,顺便把琴上的油漆擦亮一点。我有一瓶Gibson专门用来擦亮吉他油漆用的液体。当然,也可以用一般用在家具油漆上的试剂。



将试剂喷洒在一块干净的微纤维擦拭布上,均匀地在吉他身上有漆的地方涂抹。这个过程就跟给车打蜡一样;不在于蜡涂得多,关键在于涂得均匀。当试剂的分子填满了漆上的突凹的孔洞之后,就能够像镜子一样亮了。



这两天正感冒了,也想不起来还有什么多说的了。Epiphone的吉他是采用的新型的高分子催化漆,不会跟普通吉他架上面的乙烯基的材料发生反应而退掉。(拥有Gibson的朋友在这方面可要注意了哟!)

最后,再上几张图吧。擦亮后的琴身镜面反应太强烈了……












头像被屏蔽
发表于 2008-11-16 04:06:53 | 显示全部楼层
非常佩服!

一般的电箱拾音器是压在琴桥下面的吧?
那种拾音器扫弦声音会不会不如像你这样在音孔处安一个拾音器的声音好听?

就像电吉他一样,扫弦用琴颈拾音器比较好
发表于 2008-11-16 07:16:20 | 显示全部楼层
期待LZ搞个试听啊
 楼主| 发表于 2008-11-16 07:50:59 | 显示全部楼层
原帖由 Guitar-China 于 2008-11-16 04:06 发表
非常佩服!

一般的电箱拾音器是压在琴桥下面的吧?
那种拾音器扫弦声音会不会不如像你这样在音孔处安一个拾音器的声音好听?

就像电吉他一样,扫弦用琴颈拾音器比较好


很久以来,所谓的“电箱琴的声音”,都是来自于安放在琴鞍下面的压感拾音器的。这种类型的拾音器收集的几乎完全是琴弦末端的振动,所以经过放大后发出的声音比较明亮,高频较多,但谐声很少,声音比较干,不丰满。

其实最早的时候,也是到目前为止公认的最接近吉他原声的拾音方式,是用话筒。当然,话筒的种类和摆放位置的不同,出来的声音也不同。后来由于这个放大,吉他手在现场演出的时候不能移动,于是发展出安装在吉他内部,置于声孔下方的小型话筒的方式来给吉他拾音。

放在琴颈末端的拾音器,位于琴弦发出来的声音最丰满的地方。比如早期的爵士电吉他。

安装于声孔的拾音器现在也比较流行。这种拾音器一般为磁性拾音器,用来收集琴弦在声孔上方发出的声音,低频比较温暖,谐音也较为丰满。而且近些年,一些吉他放大厂商,比如Fishman、L.R. Baggs等等,设计出可以同时收集声板振动的声孔磁性拾音器,也就是有些人所指的“话筒质”的拾音器。它们甚至可以收集到吉他手敲击琴身的声音,极大地丰富了吉他手的选择。不过较早的声孔拾音器的在舞台灯光下的回授现象比较严重。

过些日子有时间的时候,我来写篇关于钢弦木吉他拾音器的文章吧,讨论一下这个部分的全图。因为好像大多数人一提到“电箱”,就只想到压感这一种拾音器的样子

[ 本帖最后由 紫色的琴弦 于 2008-11-16 07:59 编辑 ]
 楼主| 发表于 2008-11-16 07:54:03 | 显示全部楼层
下个星期看有时间的时候,分别用两个拾音器对比录点小东西听听看。这几天感冒中……
发表于 2008-11-16 10:53:32 | 显示全部楼层
等着呢等着呢.
小沙发一个~~~~
头像被屏蔽
发表于 2008-11-16 16:25:46 | 显示全部楼层
昨天拿我的电箱琴录了点东西(原装的压感拾音器)
结果声音非常电。。跟电吉他干琴声音差不多了。。
很失望
 楼主| 发表于 2008-11-16 17:31:43 | 显示全部楼层

补充几句

顺便补充几句关于原声吉他的保养问题。

虽然吉他的声音来源于琴弦,好的琴弦才能发出好的声音,但是吉他的材料和制作工艺同样对音色的表达有着不可忽视的作用。为了最优化心爱的吉他的表现,我们必须对她格外呵护。

首先,得有个硬质的琴盒。软的琴盒还有琴包对于吉他,特别是娇嫩的原声吉他来说,只能起到阻挡灰尘的作用。试想,你提着装在琴包里面的原声吉他好容易挤上地铁,结果琴还有一小半在外面的时候,地铁门关了…… 另外,硬质琴盒还偶尔可以起到保护生命的作用。如雷贯耳的B.B. King的Lucille,她的硬质Gibson琴盒就在一次车祸中为B.B. King撑起了翻到过来的汽车,保全了B.B. King的生命,从而才有他到现在83岁高龄还能弹吉他演出。

其次,湿度。绝大多数钢弦原声吉他都是才用木材制作的,而木材对于湿度是十分敏感的。湿度过高,木料会变得软,对声音的反馈也迟钝;湿度过低,木料会变脆,声音干涩,甚至琴身断裂。南方湿度比较高的地方的朋友需要注意适当干燥一下;北方气候常年干燥的地方的朋友,最好弄个湿度器。简单地自己做的话,可以拿一块海绵,完全浸入水中,完全湿润之后拿出来稍微用力挤几下,把多余的水去掉,然后放入琴内共鸣腔中。水最好是纯净水或者蒸馏水,以免过早让琴弦生锈。放入共鸣腔的时候要注意不要让湿湿的海绵直接触碰到木料;需要用放水的薄膜什么的隔着。如果有条件,可以买个专门为原声乐器设计的湿度器。比如我用的如下这个样子的。

Dampit.jpg

最后,平常没有弹吉他的时候,而又不需要放入箱子里面的时候,一定要安全地将吉他放在吉他架上。不要随手放在沙发上、靠在椅子旁,放在床上貌似也不太现实。
发表于 2008-11-16 19:53:39 | 显示全部楼层
留个记号
还有没
 楼主| 发表于 2008-11-17 07:01:31 | 显示全部楼层
原帖由 狗兄 于 2008-11-16 19:53 发表
留个记号
还有没


没有了,完了。再有什么就再发新帖了

PS: 最佳湿度在45%-50%之间。
发表于 2008-11-17 07:19:34 | 显示全部楼层
发表于 2008-11-17 08:05:09 | 显示全部楼层
好帖子 再顶~~~   收藏了  期待楼主更多好贴~~~~
发表于 2008-11-17 08:57:26 | 显示全部楼层
佩服LZ的DIY精神!
发表于 2008-11-17 09:37:15 | 显示全部楼层
令人大开眼界,实在佩服。
发表于 2008-11-17 11:16:39 | 显示全部楼层
不错    另外问LZ一下   你的那个六个一套的锉刀在哪买的  多少钱呀   我一直想买一套   PM一下我吧
发表于 2008-11-17 11:29:04 | 显示全部楼层
我也磨牛骨,,,从今天开始。。。。
发表于 2008-11-17 11:48:09 | 显示全部楼层
有没有音频听听~~~~~~~~~~~~
发表于 2008-11-17 12:11:31 | 显示全部楼层
头一次来  真霸道呀
发表于 2008-11-17 12:38:07 | 显示全部楼层
牛人  真厉害 顶
发表于 2008-11-17 12:53:46 | 显示全部楼层
赶紧膜拜楼主!!!!
发表于 2008-11-17 21:39:52 | 显示全部楼层
太他妈牛了  不顶怎么行
发表于 2008-11-18 01:47:02 | 显示全部楼层
DIY乐趣无穷啊~~我的妈啊!太刺激了~~!!
发表于 2008-11-18 23:04:54 | 显示全部楼层
好东西,建议置顶了!
发表于 2008-11-19 13:41:46 | 显示全部楼层
这帖子真好!
 楼主| 发表于 2008-11-21 15:33:05 | 显示全部楼层

试听,M1

Guns’N’Roses歌曲《Pacience》前奏,总共录了三个音轨。

Epiphone EJ-160E John Lennon电箱琴,用LR Baggs M1被动式声孔拾音器,直接接入M-Audio Fast Track Pro在Adobe Audition 2.0中进行直接录音。没有进行任何放大和效果处理,完全的“干声”。

http://music.fenbei.com/13531990
发表于 2008-11-21 15:36:35 | 显示全部楼层
听过了 很不错 lz太强大了
发表于 2008-11-24 20:55:24 | 显示全部楼层
我想问一下,我用2个拾音器连接一个尾钉,能告诉我怎么连接吗
y1pkCigUh9NTBdxuKDwIw0rDFmbi65AaXdCrh6qkm5L5WF3h4kuKZg9Qc3TWyi6ocPF.jpg   我的也想用个音色和音量调节!   然后2个拾音器输出接到一个尾钉上,我那尾钉跟你的一样,也是4个接线头.

你能帮我在画一个,或者告诉我,2个拾音器怎么和尾钉的4个接线头连接吗,这是我的草图
1111.jpg
 楼主| 发表于 2008-11-24 21:01:01 | 显示全部楼层
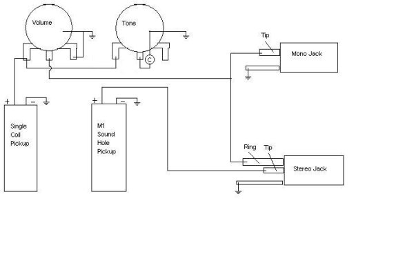
如果你只用一个音量一个音色,而两个拾音器,建议参考类似的电吉他连线。

比较关键的问题是,你想立体声输出还是混合单声道输出?你的点1是阴极/接地,所有的阴极/接地线都要跟它连通。你的点2是主拾音器,也就是单声道输出时起作用的触点。如果你想混合两个拾音器的声音做单声道输出,就将两个拾音器的输出/阳极一起接到这个点上面来。点4是第二拾音器的输出,只有在立体声线的时候才起作用。同样是接第二拾音器的阳极。点3是接主动式拾音器的电池阴极的。电池的阳极跟对应的主动式拾音器电池输入线相连。

[ 本帖最后由 紫色的琴弦 于 2008-11-24 21:06 编辑 ]
发表于 2008-11-24 21:01:32 | 显示全部楼层

也太厉害了吧~~
 楼主| 发表于 2008-11-24 21:12:16 | 显示全部楼层
原帖由 紫色的琴弦 于 2008-11-24 21:01 发表
如果你只用一个音量一个音色,而两个拾音器,建议参考类似的电吉他连线。

比较关键的问题是,你想立体声输出还是混合单声道输出?你的点1是阴极/接地,所有的阴极/接地线都要跟它连通。你的点2是主拾音器,也就是 ...


Stereo Strapjack.jpg
Mono Wiring.jpg
Stereo Wiring.jpg
Wiring microphone.jpg
发表于 2008-11-24 21:41:02 | 显示全部楼层
太专业了,我是用民谣吉他,对电吉他不懂.  普通的吉他线,插在音箱上的,那应该是单声道线吧


非常感谢你的回复,还有你的图! 一个文盲对文学的渴望


ALPHA 阿尔法电位器    A500K  B500K 音量  音色旋钮   用在上面合理吗?  我在网上也查了,好像有好多种,但不知道多大的合适!  还有这电位器有降噪的功能不,用屏蔽线应该对噪声很好,都是在网上查的

[ 本帖最后由 mj2008mj2008 于 2008-11-24 21:44 编辑 ]
 楼主| 发表于 2008-11-24 21:58:19 | 显示全部楼层
Alpha挺好的。我用的就是Alpha的,而且它是公制的 b

音色旋钮 还需要一个电容器。如果你的拾音器是单线圈的,用0.047uF的;如果是双线圈的,用0.023uF的。约等于。

单声道就将两个拾音器的阳极连在一起咯,接到点2。如果你想用音色、音量旋钮同时控制两个拾音器,并且让它们同时工作(不加拾音器选择开关)的话,请将我的图M1那个拾音器、以及下面那个插孔抹掉,将你的两个拾音器的阳极线拧做一股、阴极线拧成一股,作为我图中左边那一个拾音器来处理。
发表于 2008-11-24 22:04:26 | 显示全部楼层
http://www.kksound.com/purewestern.html  我的K K拾音器应该不是线圈吧
还有压枕拾音器的压条.     这是不是算单线圈呀


看明白了,也似乎懂了,接下来就是自己实验了.  电容选错了,拾音器不会烧了吧,因为我的K K拾音器是拖人从加拿大带回来,中国没有卖的.比较麻烦
您需要登录后才可以回帖 登录 | 注册

本版积分规则

Archiver|手机版|小黑屋|吉他中国官方

GMT+8, 2025-11-29 02:28

Powered by Discuz!

© 2001-2024 Discuz! Team.

快速回复 返回顶部 返回列表