买琴买鼓,就找魔菇!

 找回密码
 注册
搜索
查看: 11643|回复: 27

一些吉他和贝斯拾音器和电位器的电路图

[复制链接]
发表于 2008-1-9 14:53:29 | 显示全部楼层 |阅读模式
吉他中国微信公众号
偶然看到的,不知道之前有没人发过,看过没看过的都顶个吧:)
bcrich-active.gif
bcrich-activebich.gif
bcrich-beast_guitar.jpg
bcrich-innovator.jpg
bcrich-kkv.jpg
bcrich-mick7.jpg
bcrich-nj_bass.jpg
bcrich-nj_guitar.jpg
dimarzio_2humrotary.gif
dimarzio_2humsplit.gif
dimarzio_humsingcanhum.gif
dimarzio_humsinghum.gif
dimarzio_virtvin-strat.gif
dimarzio_virtvin-stratpp.gif
Elite_PCboard.jpg
 楼主| 发表于 2008-1-9 14:55:53 | 显示全部楼层
吉他中国抖音
下面还有:)
 楼主| 发表于 2008-1-9 15:03:10 | 显示全部楼层
GC视频号
^13 ^13
Elite_wir.jpg
emg_1p1v1t.gif
emg_2p1v1t-3way.gif
emg_2p1v1t-3wayblade.gif
emg_2p2v1t.gif
emg_2p2v1t-3toggib.gif
emg_2p2v2t-3wayindyv.gif
emg_2p2v2t-3waytoggib.gif
emg_3p1v1t-5wayblade.gif
emg_3p1v2t-5wayblade.gif
 楼主| 发表于 2008-1-9 15:10:40 | 显示全部楼层
买琴买鼓,就找魔菇
^13 ^13
gib-aflp.jpg
gib-jplp.jpg
gib-nitehawk2.jpg
gib-sg1.jpg
ibanezAF120.jpg
ibanezAR300.jpg
ibanezAS200.jpg
ibanezATK300.jpg
ibanezFGM300.jpg
ibanezGR220.jpg
ibanezIC300.jpg
ibanezJem.jpg
IbanezJEMSchematic.jpg
ibanezPGM300.jpg
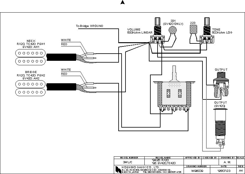
ibanezRX20.jpg
ibanezSR300.jpg
ibanezSR500.jpg
 楼主| 发表于 2008-1-9 15:17:17 | 显示全部楼层
:D :D
Jaguar62_wir.jpg
JazzMaster62_wir.jpg
LaceDual_2waySwtch.jpg
LaceDual_3waySwtch.jpg
LaceDual_3waySwtch.jpg
LacePbass_wir.jpg
LaceStrat_wir.gif
LaceTele_wir.jpg
lp_2pkup.jpg
Pbass_wir.jpg
Pbass-Elite_PCboard.jpg
Pbass-Elite_wir.jpg
strat_wir.jpg
Strat-boxSwtch_wir.jpg
Tele-Stan_wir.jpg
发表于 2008-1-9 15:40:01 | 显示全部楼层
不错....^13
发表于 2008-1-9 16:11:27 | 显示全部楼层
太好了,多谢^13 ^13 ^13 ^13
发表于 2008-1-10 14:42:55 | 显示全部楼层
很不错``````希望楼主多多在DIY区发贴!
 楼主| 发表于 2008-1-10 15:43:21 | 显示全部楼层
原帖由 湛江杀人王 于 2008-1-10 14:42 发表
很不错``````希望楼主多多在DIY区发贴!

:D :D
发表于 2008-1-10 16:45:21 | 显示全部楼层
好帖子,这个必须顶
发表于 2008-4-2 23:46:41 | 显示全部楼层
^13 ^13 ^13 ^13
发表于 2008-10-5 09:52:14 | 显示全部楼层

楼主真辛苦,弄这么多电路图。辛苦了
发表于 2008-10-5 11:33:19 | 显示全部楼层
发表于 2008-10-5 13:28:43 | 显示全部楼层
好眼花吖~~~
发表于 2008-10-17 15:59:30 | 显示全部楼层
谢谢了   好贴    顶!!!!!!!!
发表于 2008-10-17 23:17:48 | 显示全部楼层
楼主好样的!  顶上!!  我想请问一下.我那吉他是三档的.因为旋扭松动旋脱了几根线.我自己接了,只差一根在三档开关的外壳上的不知道该接在哪啊?现在吉他也能使用,就是不知道那根线是什么?是不是地线呢?我吉它是OLP的
发表于 2012-7-22 18:00:30 | 显示全部楼层
发表于 2012-7-25 01:12:58 | 显示全部楼层
我顶字数字数!
发表于 2012-7-25 12:03:58 | 显示全部楼层
好帖子·~~~~~~~~~~~~~~~~~~~~!
发表于 2012-7-26 14:16:01 | 显示全部楼层
看迷糊了
发表于 2012-7-26 19:03:35 | 显示全部楼层
学习了:),真厉害:)
发表于 2012-7-26 21:41:14 | 显示全部楼层
不错,很好的东西,楼主很厚道
发表于 2012-10-21 17:44:25 | 显示全部楼层
正好有用
发表于 2016-5-13 19:02:15 | 显示全部楼层
老师你好1有难题帮忙解决下!
发表于 2017-4-13 16:31:58 来自手机 | 显示全部楼层
看着头都大了
发表于 2017-6-4 18:30:20 | 显示全部楼层
收藏了慢慢看
发表于 2020-4-10 22:54:08 | 显示全部楼层
挖坟这张老帖,我想找Ibanez RD905贝斯的电路图啊,不知道在哪儿能找到?
发表于 2020-4-10 22:54:18 | 显示全部楼层
挖坟这张老帖,我想找Ibanez RD905贝斯的电路图啊,不知道在哪儿能找到?
您需要登录后才可以回帖 登录 | 注册

本版积分规则

Archiver|手机版|小黑屋|吉他中国官方

GMT+8, 2025-11-28 04:13

Powered by Discuz!

© 2001-2024 Discuz! Team.

快速回复 返回顶部 返回列表