买琴买鼓,就找魔菇!

 找回密码
 注册
搜索
查看: 18127|回复: 132

[电吉他硬件] 关于电吉他中的电容,吉他手应该了解的

[复制链接]
发表于 2020-9-20 11:09:18 | 显示全部楼层 |阅读模式
吉他中国微信公众号
我是一名业余吉他爱好者,本职工作从事的是专业弱电与强电。看到网上有很多朋友对于吉他中电路存在误区,便以自己微浅的专业知识,在这阐述一下相关原理,便于老铁们借鉴、参考而不入误区。

每个电吉他中都有一个电容,作用及网络上传言如下:
1,吉他中原有的电容,是用做衰减高音用的。平时正常使用时,这个电容是被直接短接了的,是通过吉他音色电位器的动触点与上桩头直接给短接了,就是,这个电容两个脚是连接在一起的,此时的电容量均为零。所以,网络上忽悠说换个电容就改变了音色,这不明摆着是自己的心里作用吗。只有当音色电位器扭动了,此时动触点与上桩头便有电阻了,此时电容才与动触点间电阻形成RC电路,才有微弱的电容效果;仅仅当音色电位器全扭到底、即动触点与地线全通时,该RC电路的容抗才最大。所以,吉他中原有电容容量的大小,仅决定音色电位器全关时对高音衰减能力大小,与其他任何无关。即使回到音响界的玄学,说好电容决定音色好坏,那人家说的也是偶合电容,是串接在电路入口中的;你这吉他电容却是退偶电容,是并接在电路中的,是两码子事,就是强行靠,都靠不上去的。
2,网络上说电容高频补偿,那更是不明白电路原理而糊涂出来的玄学。用电容进行信号的高频补偿,必须是阻容电路或LC电路才能实现,即,必须有几个电阻或电感、电容组成RC、或LC电路才能实现,原理是利用几个电阻分流效应而跨接电容、利用电容短流而使高频电流大于其他回路电流的方法,高频出来就多些,但前提是总信号被衰减。这是一个电路,不是电容它一个人作用,所以,“高频补偿电容”本身就是一个伪命题,一个商家的忽悠!
3、电容与电感还有一种使用法,即,电容与电感产生谐振,可以提高或者降低线路中某个频率的q值。该应用被广泛应用,我们收音机中的调台就是该原理应用。但在老式磁带收录机中,磁头与电容并联,谐振在8千赫频点,可以提高磁头的高频响应。如果,虽然电吉他拾音器也是线圈,也采取这种方式提高高频响应,那就会出现局部高频的陡坡发生,这可是吉他的大忌,会某个高音特别响,所以没有吉他厂家使用这个方法,就更不要相信网络上用电容补偿高音了。
4,说到电容的耐压值,一般耐压值越高,电容的两极板之间绝缘电阻就越大,理论上在音频电路中音频传输会更纯。但耐压大后,体积会更大,单位体积吸收的杂波就更多,成本也增加了,所以说任何事都是一分为二的,有其优势的一面,必有其劣势的一面。而且在这种低电压电流的信号传输中,耐压继续加大已无任何意义。就象一辆10吨的货车,升级为拖20吨的发动机,似乎还有点意义;但持续加大到拖1000吨发动机,没任何意义了。
5、再说到世界大品牌电容,什么什么碧等(不详说这些品牌名了,不能替它们广告)电容,无非在容量精准度上、耐压稳定上稍好于一般电容,于是被无良商家忽悠得上了天,价格也让商家卖出一颗管一个月费用。在音频电路中,电容量不需要很精度高的,例如0.47uF电容,与0.48uF这个误差电量,在音频电路中,理论计算也好、实际使用也好,没有区别的!在耐压的选择上,吉他中选个耐160V的电容,已是1000吨发动机拖10吨货了!
发表于 2020-9-20 11:20:57 | 显示全部楼层
吉他中国抖音
听得出区别的继续玩,听不出的就退烧呗。
发表于 2020-9-20 11:25:26 | 显示全部楼层
GC视频号
效果器  会做的自己能做一回事   不会的就得买买买   技术到位的饿不死
发表于 2020-9-20 11:31:53 | 显示全部楼层
买琴买鼓,就找魔菇
1000马力  发动机才对
发表于 2020-9-20 11:32:51 | 显示全部楼层
天湖粤派ALANG 发表于 2020-9-20 11:31
1000马力  发动机才对

火车车干的活非得用货车  他能跑起来就怪了
 楼主| 发表于 2020-9-20 12:25:04 | 显示全部楼层
天湖粤派ALANG 发表于 2020-9-20 11:25
效果器  会做的自己能做一回事   不会的就得买买买   技术到位的饿不死 ...

就是拿钱去挡,也得知道搭配,称“匹配”,否则钱多丢进水里,山也还是那座山、水也还是那池水
发表于 2020-9-20 16:20:44 | 显示全部楼层
楼主你所说的第1点:“平时正常使用时,这个电容是被直接短接了的,是通过吉他音色电位器的动触点与上桩头直接给短接了,就是,这个电容两个脚是连接在一起的,此时的电容量均为零”——这句话是你自己的意见?还是你所指的“网络上传言”?

实际上,无论音色电位器开到最大还是最小,音色电容的两个脚都从来不会被短接到一起。

高频补偿也不是你在第2点提到的那个意思。可能“补偿”这个词导致有人误以为它是个主动式的电路、从而产生误会吧。其实高频补偿是接在音量电位器的中间抽头与接拾音器火线的脚之间、使得在音量电位器不开到头的时候,少部分高频信号可以从拾音器火线不经音量电位器关小的那一段电阻、而是经电容直接通往吉他输出口的火线,即关小音量电位器时仅被动地衰减大部分中低频、而少部分高频不被音量电位器衰减,从而被动地实现了等效于高频部分“补偿”的效果。对于常关小音量电位器在纯管箱上玩过载音色的人还是不太难听出这种接法的效果的。
发表于 2020-9-20 16:30:56 | 显示全部楼层
打着发烧旗号忽悠的奸商确实缺德,零售几毛或者一两块钱的电容敢买几十甚至百倍的价格,“发烧电容”不止能改变音色还能改变人生。hifi圈套路来祸害吉他圈。
发表于 2020-9-21 05:37:44 | 显示全部楼层
3015 发表于 2020-9-20 16:30
打着发烧旗号忽悠的奸商确实缺德,零售几毛或者一两块钱的电容敢买几十甚至百倍的价格,“发烧电容”不止能 ...

没买卖  就没伤害     利益驱使的
 楼主| 发表于 2020-9-21 10:35:03 | 显示全部楼层
slayest 发表于 2020-9-20 16:20
楼主你所说的第1点:“平时正常使用时,这个电容是被直接短接了的,是通过吉他音色电位器的动触点与上桩头 ...

欢迎探讨。
1、平时正常使用时,这个电容是被直接短接了的,这不是网络传言,这是电路工作原理。电容两个脚,一头焊在音色电位器动触点上,一头焊在音色电位器起始触头上。当音色电位器在全开时(即平时正常使用时),音色电位器动触点与电位器起始触头是搭在一起的,之间电阻是零。即电容两个脚是被直接短接了的。家里有万用表没?亲自用电阻档测一下这时候电容两个脚电阻?或者,你认为这个电容在线路中如何接法,表述下工作原理吧。
2、你说的这个高频补偿,是音响电路输入音量控制端常用手法,叫“等响度”电路,请知道,这不叫高频补偿哦。等响度电路,是如你所说把电容焊音量电位器的中间抽头与信号源“火线”(这火线一词是正宗音响发烧友的专用词,专业上称信号端)的脚之间。这时候,当音量键位于开度1/3及以下时(请根据阻容电路串并联比计算一下分流就知道这1/3是怎么来的,高于1/3就没作用了),信号中的高音与低音分量要高于中音,于是,在音响电位器小音量时,音频频谱曲线类似于U型了,放出的声音高低频都提升了,正好弥补人耳小音量的听音不足。这就是等响电路的原理与作用。显然,电吉他平时使用时不可能把音量开度低于1/3,而且需要的是中高音而不是等响电路出来的高音和低音,更谈不上是高音补偿。
3、再复述等响度电路。等响度电路必须在阻抗匹配电路中使用,即在三极管的集电极或发射极电路或纯电阻电路中,而不适合电感输出电路。而吉他拾音器,是纯电感输出,它可以和这个电容、电位器组成LRC震荡回路,产生自激、使频率均衡变乱。所以,没有直接用电感配阻容做等效电路的!

 楼主| 发表于 2020-9-21 10:39:27 | 显示全部楼层
本帖最后由 极速金属 于 2020-9-21 10:45 编辑
slayest 发表于 2020-9-20 16:20
楼主你所说的第1点:“平时正常使用时,这个电容是被直接短接了的,是通过吉他音色电位器的动触点与上桩头 ...

本人工作的专业就是强弱电。还可以很高兴与你探讨音响发烧相关知识,知无不言哦。
音响发烧中的忽悠更多,什么大水塘啦,风电火电啦,尤其在电容与线材上,已忽悠出另一个世界了,还有300B,被抄出天价,呵。
发表于 2020-9-21 13:29:26 | 显示全部楼层
极速金属 发表于 2020-9-21 10:39
本人工作的专业就是强弱电。还可以很高兴与你探讨音响发烧相关知识,知无不言哦。
音响发烧中的忽悠更多, ...

最近逛耳机论坛,各种耳机推力的帖子很多,没发现耳机、耳放阻抗不匹配就烧耳机的情况,为什么电吉他箱头阻抗大于喇叭就容易烧呢?
发表于 2020-9-21 17:33:02 | 显示全部楼层
论坛有精华帖
https://bbs.guitarschina.com/thread-1990237-1-1.html

音色电路是电位器电阻串联电容到GND,无论旋钮怎拧,电容都是起作用的,而非短路。

发表于 2020-9-22 00:26:57 | 显示全部楼层
本帖最后由 slayest 于 2020-9-22 00:28 编辑
极速金属 发表于 2020-9-21 10:35
欢迎探讨。
1、平时正常使用时,这个电容是被直接短接了的,这不是网络传言,这是电路工作原理。电容两个 ...

其实我也觉得目前市场上的发烧电容忽悠成分很大。但接法问题确实值得继续讨论一下。
1、如下图,音色电容的接法是一个脚接音色电位器的中间抽头、另一个脚通往拾音器输出端的“hot”(如果你不建议采用“火线”这个叫法的话)。其它有些电路图和我自己的一些吉他里,也有把上述电容后面这只脚接在音量电位器的中间抽头(即最终通往吉他输出口的“hot”)上的。
2hb_1vol_1tone_5way.jpg
因此当音色电位器全开时,只要音量电位器不是全关,则电容在电路中的位置是:
Hot——电容——音色电位器最大阻值——地线
而当音色电位器全关时,只要音量电位器不是全关,则电容在电路中的位置是:
Hot——电容——地线
无论哪一种情况,都不难看出电容两脚之间从未被短接。

你说的那种接法(即“电容两个脚,一头焊在音色电位器动触点上,一头焊在音色电位器起始触头上”)我从未见过,不知有无相关的官方电路图、或说说什么牌子的吉他原厂线路是这样接的?

至于用万用表电阻档测电容两个脚之间的电阻,则在一开始测量时电容处在充电过程中,在饱和之前万用表确实会显示通路。但很快就会达到饱和状态,这时万用表显示的阻值将是Hot与地线之间通过拾音器及音量电位器形成的直流电阻值。由于拾音器与音量电位器是并联、且后者阻值在音量开到最大时远大于前者,所以测得的结果大致在拾音器的直流电阻值附近,即在使用被动拾音器时通常为几千到十几千欧。只要万用表的量程不要选择得太大(即应选择远小于千欧级的量程),应该测得是“不通”的。如果万用表是数字式的、且有专门测通断的蜂鸣档,那么测电容两个脚之间的电阻在电路稳恒(即电容已完成充电)后,应该是不会发出表示电路“通”的蜂鸣声的。

2、我说的那个“高频补偿”是指“treble bleed”,常见于Ibanez和Suhr上。正如我之前所说,我也觉得翻译成“补偿”不太合适。至于音量开到高于1/3时有没有效,由于各人使用的拾音器、音箱、失真度大小、触弦的习惯及耳朵的敏感程度都不一样,不同用家自然会有各自的感受,难以一概而论。比如Duncan Invader拾音器,本来就高频不多,即使关小音量也没有什么好补偿的;而EMG81,本来就由于是主动式、高频不会由于关小音量而明显损失,因此也不需要补偿。音箱、失真源之类也是这样,只要有一个环节高频特多或特少或对调节的反应不敏感,都足以把treble bleed电容的贡献掩盖过去。

 楼主| 发表于 2020-9-22 09:08:07 | 显示全部楼层
3015 发表于 2020-9-21 13:29
最近逛耳机论坛,各种耳机推力的帖子很多,没发现耳机、耳放阻抗不匹配就烧耳机的情况,为什么电吉他箱头 ...

这我们得从原理上来解释这个事了,我简述一下。
耳机的功放,简称耳放。它一般为甲类或者乙类小功放,其输出功率很小,基本上在毫瓦级别。高保真耳机,阻抗也在一百多欧至几百殴姆,有动铁、动圈及组合耳机,耳机中线圈线径一般为0.08毫米及以上。当几百毫瓦的功率作用在这个线径上,阻抗还这么大,这点电流离烧毁这线还差千万里,但声音己让听者振耳欲聋了。所以,一个正规合格的高保耳机,在正规耳放上,不会因不匹配而烧耳机。耳机与耳放不匹配时,只会造成音质的急聚下降、大幅度失真上升。

而音箱功放与喇叭,音箱功放为大功率放大器,推挽放大、OTL并管放大为常用电路,功率从几十到几百瓦不等。而音箱中的喇叭(学名叫扬声器),考虑到音频响、瞬态、声场等等因素,其线圈必须轻而且要耐功率,所以,线圈匝数很少、漆包线不粗(大功率喇叭线圈线径多为零点几毫米线径),阻抗一般在8欧姆。所以,上百瓦的功率在这点线径上这小阻抗上,非常大的电流,线圈很容易过热、漆面烧溶、破漆后匝间短路,短路后线圈立即烧断。尤其,遇上优质功放时,如果标称8欧负载而你用了4欧负载(负载就是喇叭),此时功放可以输出比原负荷大一倍的功率,扬声岂能不烧。

我们吉他箱头换扬声器,最关键要看扬声器的阻抗,阻抗不能变,额定功率可以选稍大一点的,放心,稍大点只要不大一倍,声音量没有太大影响,但这样寿命会更长些。厂家,是因成本关系而选用的这个功率扬声器。一般,一只正规合格的全频扬声器,能短时间承受4倍标称功率。音响发烧界的功放与杨声器功率就是按这个配比的,工程上如电影院、迪厅就是按3倍配比的。
 楼主| 发表于 2020-9-22 09:50:31 | 显示全部楼层
本帖最后由 极速金属 于 2020-9-22 11:22 编辑
slayest 发表于 2020-9-22 00:26
其实我也觉得目前市场上的发烧电容忽悠成分很大。但接法问题确实值得继续讨论一下。
1、如下图,音色电容 ...

你这个图示,是专统接法,用的串接法衰减高音电路。我详细说一下:

1,这是采用音量电位器信号端,串接一个电容与电阻到地。这样的电路,目的是提高电吉他的输出阻抗,即,直流电阻只由一个电位器(500K)而决定。但实际上输出阻抗是并接在拾音器上的,拾音器阻抗是几个K,相对于500K,并联电路,阻抗为倒数之和,即,拾音器阻抗为,所以保证500K电阻无任何意义。而且这个接法最大的缺点是音色电位器衰减不均衡,快拧到底才起作用;
2、现在有些厂家采用的是新接法,即音量与音色电位器并联,音量动触点接插口,音色电位器动触点接。此时的电阻上压降能均匀地衡压分布,能有效地分布RC配比,使音色衰减在较均匀方式进行;动触头噪音也更小。
3、回到你给出的这个电路。你这电路,在一个只有几K电阻的电路中,电容与500K电阻串接后再并联上去,有什么作用?你电容那怕是1万微法,也丝毫动摇不了这个吉他中的高音部分,即理解为电容开路。电容开路和短路是一回事。
4、我说的等响度电路的1/3概念,是电阻等效法计算,电工书上有,它是绝对的,不会因人耳习惯及音箱品牌而改变,你进去计算一下便会知道原来是三分流效应的,但进入玄学那是另回事。至于信号源(这里指拾音器)的高低音,各有千秋,并不是高频不多就不好,都是一分为二。有兴趣你开帖,我在你帖子里讨论拾音器,这里不谈杂了。但拾音器讨论,我们不讨论品牌,只讨论原理及相关优缺点。
 楼主| 发表于 2020-9-22 10:06:28 | 显示全部楼层
ac4527 发表于 2020-9-21 17:33
论坛有精华帖
https://bbs.guitarschina.com/thread-1990237-1-1.html

现在仪器发达了,微小的电容量可以用仪器测出。就是一块普通数字电容表。它可以测出0.1P法的电容。吉他中这个电容一般是  47万  P 法,你有兴趣把电容拆下再装上,看看吉他电出囗的容量有变化没。可以保证,无任何变化。
发表于 2020-9-22 11:56:40 | 显示全部楼层
极速金属 发表于 2020-9-22 09:08
这我们得从原理上来解释这个事了,我简述一下。
耳机的功放,简称耳放。它一般为甲类或者乙类小功放,其 ...

多谢!终于有真正懂的给解释明白了。
 楼主| 发表于 2020-9-22 12:24:05 | 显示全部楼层
本帖最后由 极速金属 于 2020-9-22 12:25 编辑
slayest 发表于 2020-9-22 00:26
其实我也觉得目前市场上的发烧电容忽悠成分很大。但接法问题确实值得继续讨论一下。
1、如下图,音色电容 ...

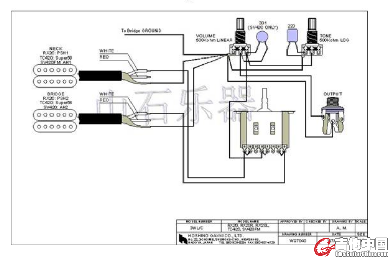
这是电容接在音色电位器上的接线图
QQ浏览器截图20200922120232.png
QQ浏览器截图20200922120446.png
发表于 2020-9-22 16:29:08 | 显示全部楼层
极速金属 发表于 2020-9-22 12:24
这是电容接在音色电位器上的接线图

你发的这两个电路图是用来支持你在10楼所说的“电容两个脚,一头焊在音色电位器动触点上,一头焊在音色电位器起始触头上”这个观点的吗?如果是,看来你把音量电位器和音色电位器的部分看反了。

1、音色电容接法:
你仔细看你第一张图(即Ibanez线路图),里面的音色电位器(Tone)上那个电容(223,即0.022微法那个)一只脚是接在音色电位器外壳上并接地的,另一只脚是接在音色电位器的一只输出脚上的。
同时,音色电位器中间脚是通往拾音器的“Hot”的。

因此当音色电位器中间脚拧到与它最右端的脚相通时,电容在电路中的位置是:
Hot——音色电位器最大阻值——电容——地线
而当音色电位器中间脚拧到与它最左端的脚相通时,则电容在电路中的位置是:
Hot——电容——地线

即与我在14楼发的Seymour Duncan电路图相比,仅仅是电容与音色电位器的位置对调而已,无论音色电位器开多大,电容两脚之间也是同样从未被短接。

2、Treble bleed接法:
你第一张图里左边的电容(331,即330皮法)和第二张图里的电容尽管是一头焊在电位器动触点上、另一头焊在电位器起始触头上,但你看清楚,它们都是接在Volume即音量电位器上,也就是前面第2点讨论的treble bleed电路接法,而不是你所说的“电容两个脚,一头焊在音色电位器动触点上,一头焊在音色电位器起始触头上”。
 楼主| 发表于 2020-9-22 18:07:27 | 显示全部楼层
slayest 发表于 2020-9-22 16:29
你发的这两个电路图是用来支持你在10楼所说的“电容两个脚,一头焊在音色电位器动触点上,一头焊在音色电 ...

第一张截图中Tone(音色电位器)电容的确如你所述,电容与电位器串联接地。当时截图时笔记本,太小没看清。第二张图是反驳网友们说的“电吉他中从没有电容短接的”。

从你回复的内容看到,能识别331,证明你应该是有一定电路知识的(请原谅,你说的“火线”,只有音响发烧友用这个词,电子专业上真没这个词)。我们讨论的是现在这个电容,这是主题,在串接500k电阻后再并联几K的电路上,电压最大是毫伏级,这个电容有丝毫作用吗?然后是,音量电位器上面加装等响度电路,我们平时弹吉他时关小音量电位器吗(这个必须关小电容才没被短接)?并且,我们在某个曲于需要关小音量键时,目的是让演奏更柔和而不是更刺耳吧?所以你说的高频补偿电容从这个角度看也是丝毫不起作用的吧?并且,等响度的使用也不是这样啊,你可以查下你有等响度功能的音响,说明书上都清楚写道“在小音量听音时”,这就间接告诉你音量键的开度了吧?发烧友的音响,其音量键开到一半,基本上这个房间内音乐已震耳朵了吧?

谢谢参与
 楼主| 发表于 2020-9-22 18:30:34 | 显示全部楼层
slayest 发表于 2020-9-22 16:29
你发的这两个电路图是用来支持你在10楼所说的“电容两个脚,一头焊在音色电位器动触点上,一头焊在音色电 ...

还有一点忘说了。就是当电感(拾音器)与电容串接时,也就是你观点中“拾音器信号从电容流过而增加高频成份”,这一点也是不对的。当L与C串联,组成的是一个陷波电路,陷波频率是L与C的积。此时,LC谐振的某个频率陡然电压升高,得到的是某个音更强!然后再加上电位器上的电阻,让电容放电,线圈又产生自感电压……这是一个振荡电路了哦,无规则震荡,呵,这时候类似空间效果器基础电路了。所以啊,这个电容加到音量电位器上,无论任何时候都谈不上高频补偿吧,应该也非常少的吉他厂家用这种方式吧?
发表于 2020-9-22 21:36:01 | 显示全部楼层
就说第一点吧,它的确有作用。
另很多人凭空想像说,换STD的护板对音色只有心理作用,我也告诉他说,的确有作用。
试过才知道结果。
发表于 2020-9-22 22:46:03 | 显示全部楼层
极速金属 发表于 2020-9-22 12:24
这是电容接在音色电位器上的接线图

你这就是纯粹看不懂接线图瞎搅和了,别闹了,关键是你还不懂英文。
这两张图你就暴露完毕了,第一张图左边电位器跟下面那张图的电位器,是高频补偿电容的接法,高频补偿在满音量被短接,满音量是不需要高频补偿的,一点问题没有,减小音量的时候才需要旁路电容从原信号端导入高频分量进行补偿。
上图右边电位器才是音色电位器接法,他一端接电位器,另一端接地的,可能你连接线图也看不懂。
因为任何一个电吉他接线图,音色电容都是接地的,一个简单的RC串联滤波电路。
发表于 2020-9-22 22:56:31 | 显示全部楼层
极速金属 发表于 2020-9-22 18:07
第一张截图中Tone(音色电位器)电容的确如你所述,电容与电位器串联接地。当时截图时笔记本,太小没看清。 ...

你真的确实 啥都不懂,学了几个名词就来秀了,“在串接500k电阻后再并联几K的电路上,电压最大是毫伏级,这个电容有丝毫作用吗?”你说这话简直要笑死我了,我真的忍不住了,哈哈哈哈哈哈。嘴上说着RC LC滤波网络,可是连参数计算都不懂。哈哈哈哈,RC串联回路的计算,先去了解一下,别来这秀了。音色钮是如何改变音色的,先去了解一下。
发表于 2020-9-22 23:31:20 | 显示全部楼层
极速金属 发表于 2020-9-22 18:30
还有一点忘说了。就是当电感(拾音器)与电容串接时,也就是你观点中“拾音器信号从电容流过而增加高频成 ...

“拾音器信号从电容流过而增加高频成份”这话我没说过啊,怎么成了我的观点?
发表于 2020-9-22 23:32:04 | 显示全部楼层
极速金属 发表于 2020-9-22 18:07
第一张截图中Tone(音色电位器)电容的确如你所述,电容与电位器串联接地。当时截图时笔记本,太小没看清。 ...

我发帖主要是想澄清你第1点中“这个电容是被直接短接了的,是通过吉他音色电位器的动触点与上桩头直接给短接了”这种误解。如果这一点没有分歧的话,我觉得就没有什么需要再多讨论的了。
 楼主| 发表于 2020-9-23 09:41:09 | 显示全部楼层
本帖最后由 极速金属 于 2020-9-23 12:11 编辑
Gqxmy 发表于 2020-9-22 22:46
你这就是纯粹看不懂接线图瞎搅和了,别闹了,关键是你还不懂英文。
这两张图你就暴露完毕了,第一张图左 ...

复述和攻击就没意思了,那属非智者。有观点,讲原理来反驳,不懂还来装懂就没必要。

1、音量电位器接电容,我已多次说是等响度,已多次说弹吉他时谁把音量只开三分之一?并且已多次说等响度是小音量时提升高低音,并也详细说了吉他高音补偿是要中、高频;
2、“任何一个电吉他接线图,音色电容都是接地的”,你这句话自愧不?你看14楼提供的图片,电容接地了吗?不能讲瞎话吧,呵,搞笑哦
发表于 2020-9-23 09:42:25 | 显示全部楼层
极速金属 发表于 2020-9-21 10:39
本人工作的专业就是强弱电。还可以很高兴与你探讨音响发烧相关知识,知无不言哦。
音响发烧中的忽悠更多, ...

请问楼主,我们用的吉他连接线有没有高低之分?那种很贵的说是高音质的发烧线材值得购买吗?
 楼主| 发表于 2020-9-23 09:48:47 | 显示全部楼层
本帖最后由 极速金属 于 2020-9-23 12:09 编辑
Gqxmy 发表于 2020-9-22 22:56
你真的确实 啥都不懂,学了几个名词就来秀了,“在串接500k电阻后再并联几K的电路上,电压最大是毫伏级, ...

你电容只有在充放电时才起电容作用,没电,电容就一配件,知道不?去看看电工书啊,基本知识啊
 楼主| 发表于 2020-9-23 09:53:07 | 显示全部楼层
本帖最后由 极速金属 于 2020-9-23 12:09 编辑
slayest 发表于 2020-9-22 23:31
“拾音器信号从电容流过而增加高频成份”这话我没说过啊,怎么成了我的观点? ...

这个观点,这不是你说的吗?
4.png
 楼主| 发表于 2020-9-23 09:58:08 | 显示全部楼层
风没我快2 发表于 2020-9-23 09:42
请问楼主,我们用的吉他连接线有没有高低之分?那种很贵的说是高音质的发烧线材值得购买吗? ...

吉他连接线肯定有好坏之分。但并没有贵就肯定好之说,要看线材内部结构,一般高密编织屏蔽层、内附第二层导电膜屏蔽线,这种屏蔽效果好,更适合我们电吉他。

发烧线材,我个人不看好它,基本上是忽悠产品。
 楼主| 发表于 2020-9-23 09:59:33 | 显示全部楼层
本帖最后由 极速金属 于 2020-9-23 10:10 编辑
风没我快2 发表于 2020-9-23 09:42
请问楼主,我们用的吉他连接线有没有高低之分?那种很贵的说是高音质的发烧线材值得购买吗? ...

并且连接线要软点,便于我们弹奏时好移动
 楼主| 发表于 2020-9-23 10:09:55 | 显示全部楼层
本帖最后由 极速金属 于 2020-9-23 12:17 编辑
slayest 发表于 2020-9-22 23:32
我发帖主要是想澄清你第1点中“这个电容是被直接短接了的,是通过吉他音色电位器的动触点与上桩头直接给 ...

是的,我在21楼也说了,认可你说的电容没直接短接。并同时也说了,电容开路和短路,都属于电容不起作用的。
 楼主| 发表于 2020-9-23 13:02:55 | 显示全部楼层
青菜与猪肉 发表于 2020-9-22 21:36
就说第一点吧,它的确有作用。
另很多人凭空想像说,换STD的护板对音色只有心理作用,我也告诉他说,的确有 ...

换STD的护板对音色起作用?有相关机理解释吗
发表于 2020-9-23 15:48:54 | 显示全部楼层
极速金属 发表于 2020-9-23 13:02
换STD的护板对音色起作用?有相关机理解释吗

有什么好解释?听出来的。
发表于 2020-9-23 16:33:12 | 显示全部楼层
本帖最后由 slayest 于 2020-9-23 17:16 编辑
极速金属 发表于 2020-9-23 09:53
这个观点,这不是你说的吗?

你的意思是:
我在7楼的原文是“少部分高频信号可以从拾音器火线不经音量电位器关小的那一段电阻、而是经电容直接通往吉他输出口的火线”。
而你在22楼把上面这句话理解成了“拾音器信号从电容流过而增加高频成份”,而这并不是我的原文,对吧?

我觉得如果不是严格按照原文字句引用,请不要加双引号。而且我的原文意思是说高频没被衰减,而不是说会被“增加”。特别是我在7楼上面那句话之后是逗号(即表示句子尚未说完),后面紧接着说了“即关小音量电位器时仅被动地衰减大部分中低频、而少部分高频不被音量电位器衰减”。因此我相信完整看了整个句子后,都不应该误读成“增加”的意思。
发表于 2020-9-23 17:45:02 | 显示全部楼层
极速金属 发表于 2020-9-23 09:41
复述和攻击就没意思了,那属非智者。有观点,讲原理来反驳,不懂还来装懂就没必要。

1、音量电位器接电容 ...

说真的,不懂装懂的人确实是你。14楼的图,那个音色电容同样是接地的。你确实不懂原理,无需多说,你也缺乏任何相关知识。电容和电阻的位置换了一下位置,还是接地的。本质还是个rc滤波器。你真的不懂。
发表于 2020-9-23 17:55:35 | 显示全部楼层
极速金属 发表于 2020-9-23 09:48
你电容只有在充放电时才起电容作用,没电,电容就一配件,知道不?去看看电工书啊,基本知识啊 ...

看来你真的只知道阻容网络 RC RL回路的名词而已,参数都不会算。你也就是电阻和阻抗混为一谈,RC滤波的计算你应该还没看到,不对,电工书上不一定介绍这个参数的计算,不过动动手指,看看百度,这些现成的在线计算都有的。不过你一定没去搜过。
而且,电压这个东西啊,隔着500k电阻不算啥,隔着1兆欧电阻也不算啥,10兆欧电阻也不算啥,电容瞬时等于开路,那么无论隔着多少电阻,电容两端的瞬时电动势,还是那么大,就算几百毫伏,几十毫伏,电容两端的瞬时电动势,就是那么大。电工基础没教过你吗?
电容的另外一个特性是啥?你说说。
 楼主| 发表于 2020-9-23 18:15:00 | 显示全部楼层
本帖最后由 极速金属 于 2020-9-23 18:20 编辑
slayest 发表于 2020-9-23 16:33
你的意思是:
我在7楼的原文是“少部分高频信号可以从拾音器火线不经音量电位器关小的那一段电阻、而是经 ...

呵,这么严谨啊,我们双方辩论是这个电容器是否起到了高音补偿(即增加),你观点是高音补偿了,但钻字眼说“没说增加”,是吗?

唉。为什么一个事情讨论,硬要这样来找个不相干的理由、钻字眼来反驳呢?

好吧,同意你的严谨,用你的思维来讨论,我也钻字眼,那么我请问,我说的你“拾音器信号从电容流过而增加高频成份”这句话错了吗?请看清楚哦,是“增加高频成份”,没说增加的高频电压或电流吧?是指在一个音频里面,其高频成份比中低音成份多(相对于电位器之前的高中低成份比),难道不是这个意思?或者你认为成份是指电压?电流?而且你说的“衰减大部分中低频、而少部分高频不被音量电位器衰减”不是指这个音频内的高音成份比中低音成份多?

我觉得,咱们讨论,其原理、机理,凡学过相关知识的,都能讲明白,观点错了就错了,不应该找个其他理由来驳,这又不是打仗,沒有谁赢谁输之概念吧,开帖讨论,是让大家在我们的讨论中,清楚知道当前商家的忽悠,明白以前的使用误区,同时讨论中也增长自己的见识,你觉得是不是这样?
您需要登录后才可以回帖 登录 | 注册

本版积分规则

Archiver|手机版|小黑屋|吉他中国官方

GMT+8, 2025-12-22 06:08

Powered by Discuz!

© 2001-2024 Discuz! Team.

快速回复 返回顶部 返回列表