买琴买鼓,就找魔菇!

 找回密码
 注册
搜索
查看: 1814|回复: 3

额。。换拾音器遇到问题了,大哥们帮忙

[复制链接]
发表于 2020-4-24 19:59:00 | 显示全部楼层 |阅读模式
吉他中国微信公众号
本帖最后由 lizhen1990 于 2020-4-24 20:08 编辑

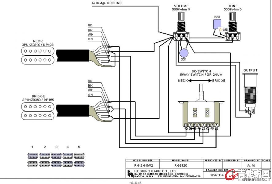
拾音器是SD 59和TB4,档位器我买了一个IBANEZ原装的5档8脚(一字排列那种)
我找到的电路图第一个是DIMARZIO的,我发现好像不太对,线的颜色好像和SD的不对应。
又去SD官网找,找到的图是5档,但是档位器是两列排列的,好像也不太对档位器是VLX53 QQ浏览器截图20200420131826.jpg
2H_5WSPL_1V_1T.jpg


183140mbdsru5fgbzrlhhq.jpg
发表于 2020-4-25 20:51:03 | 显示全部楼层
吉他中国抖音
本帖最后由 3015 于 2020-4-25 20:52 编辑

SD那个没试过,3120那个用的拨档是双双专用的2502
各品牌拾音器接线.jpg
 楼主| 发表于 2020-4-26 10:35:37 | 显示全部楼层
GC视频号
3015 发表于 2020-4-25 20:51
SD那个没试过,3120那个用的拨档是双双专用的2502

多谢大哥!
我看了下图,如果我把线的颜色改过来,按照3120那个电路图焊上就对了吗?
如果是档位器不行,我强行按照3120的图纸做,接好会导致哪个档位有问题?
麻烦再解答一下,多谢!
发表于 2020-4-26 11:18:41 | 显示全部楼层
买琴买鼓,就找魔菇
lizhen1990 发表于 2020-4-26 10:35
多谢大哥!
我看了下图,如果我把线的颜色改过来,按照3120那个电路图焊上就对了吗?
如果是档位器不行, ...

是的,按颜色接就行。普通5档和2502线路逻辑不一样,3120的线路必须用2502,当然超级5档也行,但太贵没必要。
您需要登录后才可以回帖 登录 | 注册

本版积分规则

Archiver|手机版|小黑屋|吉他中国官方

GMT+8, 2025-11-27 18:45

Powered by Discuz!

© 2001-2024 Discuz! Team.

快速回复 返回顶部 返回列表