买琴买鼓,就找魔菇!

 找回密码
 注册
搜索
查看: 741|回复: 2

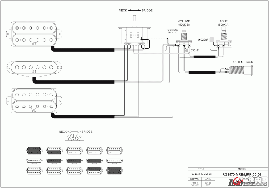
[电吉他硬件] 急求助,IBANEZ RG1570三档不响求线路图

[复制链接]
发表于 2019-4-2 21:53:15 | 显示全部楼层 |阅读模式
吉他中国微信公众号
悍了N次还是不响晕菜了,不知道接的对不对急求线路图整体怎么悍接
发表于 2019-4-2 22:50:14 | 显示全部楼层
吉他中国抖音
不知道是不是原厂的
RG1570.gif
 楼主| 发表于 2019-5-6 10:43:56 来自手机 | 显示全部楼层
GC视频号
谢谢已经搞定
您需要登录后才可以回帖 登录 | 注册

本版积分规则

Archiver|手机版|小黑屋|吉他中国官方

GMT+8, 2025-12-21 04:50

Powered by Discuz!

© 2001-2024 Discuz! Team.

快速回复 返回顶部 返回列表