吉他学生
UID1853389
好友
回帖0
主题
精华
积分245
阅读权限200
注册时间2018-11-27
最后登录1970-1-1
在线时间 小时
|
看到论坛很多音乐人在玩音源,大致是用电脑软件,或者连MIDI线来完成音乐效果
接下来我介绍一款使用蓝牙通讯的MIDI模块,可以帮助音乐人使用手机或平板上的软音源效果~
BLE-MIDI-001模组
华示技术推出一款兼容BLE-MIDI协议的蓝牙模组BLE-MIDI-001,帮助数字乐器发烧友快速开发。使用该模组可以将传统电子乐器数据通过蓝牙BLE,与到手机或平板的乐器软件通讯。

模组尺寸
BLE-MIDI-001模块使用邮票孔封装,整体尺寸只有16*15mm,只有硬币大小,方便开发者设计电路板。
模组应用
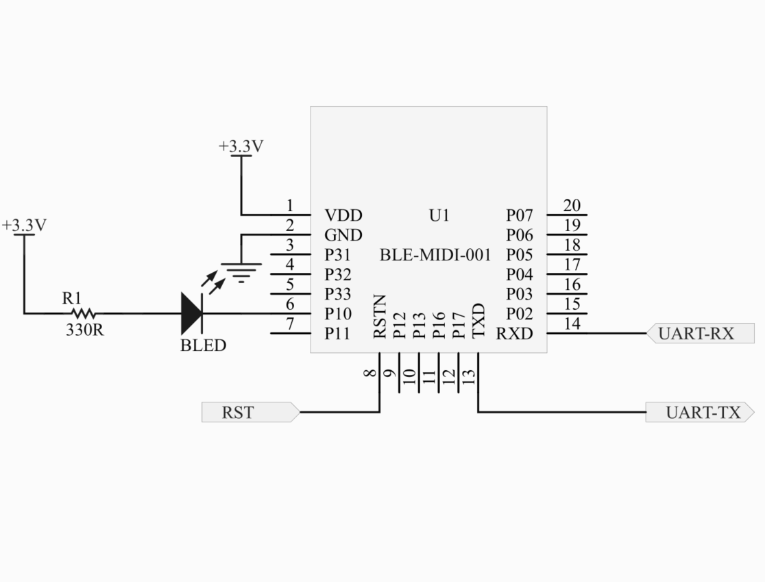
BLE-MIDI-001模组使用起来也非常简单,只需为模块供电3.3V,然后将串口引入到MCU就可以。
串口输入/输出为标准MIDI数据格式,波特率为31250Hz。如果不接MCU,也可以直接拓展为标准MIDI接口。
BLE-MIDI-001模组适配市面上多数智能乐器软件
使用BLE-MIDI-001模组连接APP软件--弹琴吧
连接苹果的APP软件——库乐队(内置N种音源)
拓展应用
BLE-MIDI-001模组本身为蓝牙SoC,其余IO亦可编程控制,华示技术针对不同客户,可提供个性化定制服务。
更多模组参数,长按了解
|
|