买琴买鼓,就找魔菇!

 找回密码
 注册
搜索
查看: 4408|回复: 11

JCM800箱头DIY日记----箱头铝板弯折20180614

[复制链接]
发表于 2018-7-18 09:28:19 | 显示全部楼层 |阅读模式
吉他中国微信公众号
本帖最后由 被吉他伤害的人 于 2018-7-18 09:29 编辑




 楼主| 发表于 2018-7-18 09:34:40 | 显示全部楼层
吉他中国抖音
本帖最后由 被吉他伤害的人 于 2018-7-18 09:36 编辑

弯折完了转孔开孔,视频太长,分为上中下,这是上



这是中



这是下





发表于 2018-7-18 13:24:30 | 显示全部楼层
GC视频号
厉害,能做电子管箱头,单块,拾音器之类的想来也能做
 楼主| 发表于 2018-7-18 16:45:29 | 显示全部楼层
买琴买鼓,就找魔菇
本帖最后由 被吉他伤害的人 于 2018-7-18 16:52 编辑

电路搭棚的焊接,元件安装等














http://v.youku.com/v_show/id_XMzczMDA5NTY0NA==.html?spm=a2h3j.8428770.3416059.1


 楼主| 发表于 2018-7-18 16:49:14 | 显示全部楼层
本帖最后由 被吉他伤害的人 于 2018-7-18 16:51 编辑

第三天

电路板的焊接

灯丝供电,接地线等






 楼主| 发表于 2018-7-18 16:58:00 | 显示全部楼层
接下来几天都是电路板的制作,连线
6/20, 6/25,6/26,
6/27终于出声了,试听看下一楼


6/20


6/25



6/26,3部分






6/27终于出声了,试听看下一楼


 楼主| 发表于 2018-7-18 17:01:27 | 显示全部楼层
本帖最后由 被吉他伤害的人 于 2018-7-18 17:03 编辑

音频是SM58拾音,112V30喇叭

急着出门,瞎弹,见谅
主要测试通道的切换,JCM800本身是没有的功能,就自己加上去,按需制作嘛
有底噪,待解决





发表于 2018-8-13 10:53:59 | 显示全部楼层
发表于 2019-10-2 21:45:46 | 显示全部楼层
看完,蠢蠢欲动!
发表于 2019-10-2 21:46:31 | 显示全部楼层
楼主根据哪个图纸做的?方便提供一下吗?
发表于 2019-10-3 20:20:18 | 显示全部楼层
空中男孩 发表于 2019-10-2 21:46
楼主根据哪个图纸做的?方便提供一下吗?

淘宝有套件卖的。
 楼主| 发表于 2019-10-4 12:42:44 | 显示全部楼层
空中男孩 发表于 2019-10-2 21:46
楼主根据哪个图纸做的?方便提供一下吗?

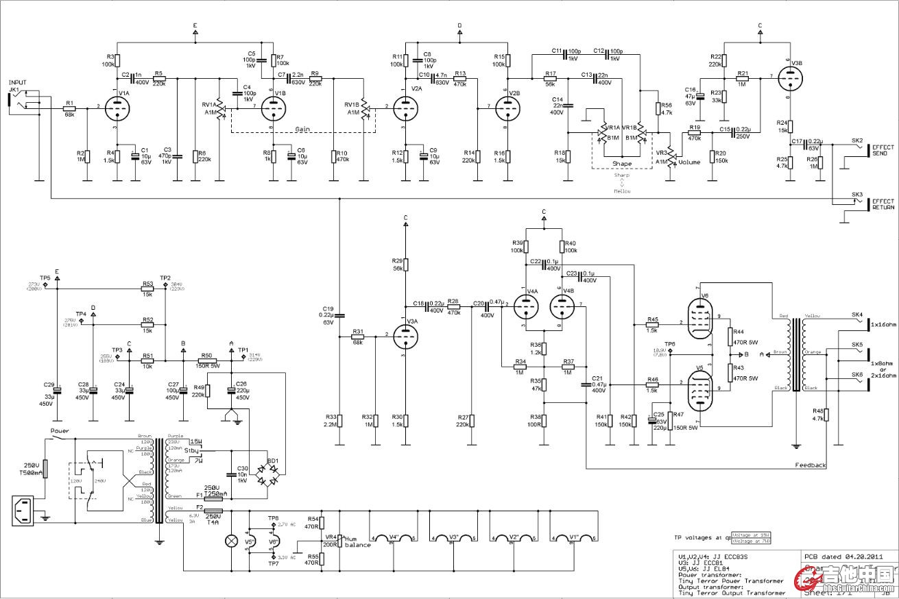
做的是JCM800电路,但是不完全按照原版做这是800的电路

这是800 的电路

推荐这个orange DT ,高增益的。

jcm800.JPG
orange dt.JPG
您需要登录后才可以回帖 登录 | 注册

本版积分规则

Archiver|手机版|小黑屋|吉他中国官方

GMT+8, 2026-4-20 19:20

Powered by Discuz!

© 2001-2024 Discuz! Team.

快速回复 返回顶部 返回列表