|
|
本帖最后由 红烧黑桃三 于 2017-3-8 10:52 编辑
倒腾过很多squier,做为练习来说很不错的一个选择,但是拾音器太弱了,越来越受不了,在2月某一天的晚上突然忍不住了,再没有任何想法的情况下,先把琴拆了个彻底!
1、先是给琴做了屏蔽,不管有用没用,先做了再说,某宝上买的铜箔,贴这东西一开始还挺费劲,也是经验不足,下次就肯定没问题了
2、闲着没事,把原来的护板上的冰花揭了,贴上了碳纤维膜,本来想贴变色龙颜色的,但是感觉效果不好,换成白色的了,没什么太大变化
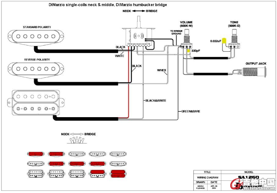
3、接着就是核心电路了,论坛里收了一套Ibanez rg2560的拾音器,性价比很高,升级sq是足够了,就是第一次焊接手艺差了点,但还是弄完了,下次相信会更好,但是装完发现换了大的电位器,在最下边那个孔,音色电位器放不进去,又把护板中间那个电位器的孔破开,算是一个小小失误
4、本来到此基本就装上就完事儿,就因为多了一个孔,家里边买旅行箱送了一些贴画,索性找一个把那个孔档上,这一贴就多贴了一些
5、发生了一点小插曲就是,前几天发现护板螺丝都找不到了,细想一下,应该是期间跟媳妇儿吵过一次架,这婆娘给我扔了,无奈网上买了一百颗,14元包邮,今天下午到,暂时只能胶条固定,上了一套弦,试试有没有问题
|
|