买琴买鼓,就找魔菇!

 找回密码
 注册
搜索
查看: 1427|回复: 2

求教高手图中的是什么电子元件,谢谢

[复制链接]
发表于 2016-9-2 11:32:42 | 显示全部楼层 |阅读模式
吉他中国微信公众号
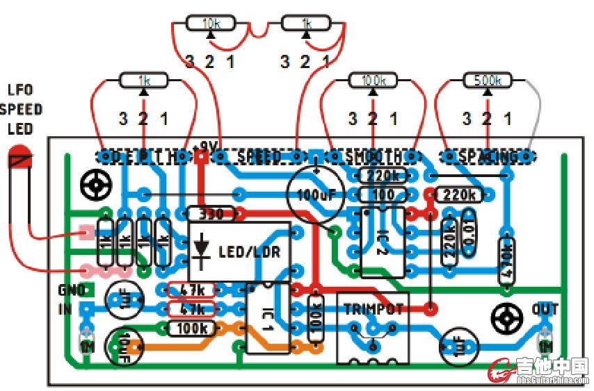
求教高手图中的是什么电子元件,谢谢

请问这个哇音效果器图中的Red Led是什么电子元件

请问这个哇音效果器图中的Red Led是什么电子元件

请问这个颤音效果器图中的Led/LDR是什么元件

请问这个颤音效果器图中的Led/LDR是什么元件
发表于 2016-9-2 23:26:34 | 显示全部楼层
吉他中国抖音
难道不是发光二极管吗。。?
发表于 2016-9-4 08:57:34 | 显示全部楼层
GC视频号
红色发光二极管
您需要登录后才可以回帖 登录 | 注册

本版积分规则

Archiver|手机版|小黑屋|吉他中国官方

GMT+8, 2025-11-29 02:29

Powered by Discuz!

© 2001-2024 Discuz! Team.

快速回复 返回顶部 返回列表