买琴买鼓,就找魔菇!

 找回密码
 注册
搜索
查看: 2101|回复: 10

[求助贴] 两拨档的开关,不小摔坏了,自己找了师傅换了一个9条腿...

[复制链接]
发表于 2016-5-2 10:14:58 | 显示全部楼层 |阅读模式
吉他中国微信公众号
两拨档的开关,不小摔坏了,自己找了师傅换了一个9条腿的开关,无限延音始终不起作用,哪位大师能帮我恢复,或者是给些技术方面的指导,谢谢
发表于 2016-5-2 10:49:15 | 显示全部楼层
吉他中国抖音
说的详细点!上点照片!
 楼主| 发表于 2016-5-2 11:20:17 | 显示全部楼层
GC视频号
地狱狂风 发表于 2016-5-2 10:49
说的详细点!上点照片!

朋友你好,我的这个开关是不小心摔坏的,本以为随便换一个9腿的开关就行了,于是我换了一个,换完以后,打开无线延音后不但无线延音没有效果,拾音器切换档的时候(三挡切换),最后的琴桥拾音器也不响了,关闭无限延音开关最后的琴桥拾音器也没有声,我找师傅看过,他说最好拿原来是开关我量一下,可是我弄丢了,师傅说这样我找不到他们的公共点,不知道什么样的开关适合他,然后师傅先把开关弄下来,琴直接没有声音了,师傅接了9根线依依对接试验,试了几次,无线延音效果一直没有开启过,但是在试验的过程中,琴是发出过声音,但是切换档试验是不是三个档都能用但有的拾音器就没声音,或者是声音非常小,我这样说您能明白么朋友?
发表于 2016-5-2 11:50:22 | 显示全部楼层
买琴买鼓,就找魔菇
什么琴?什么无限延音?
发表于 2016-5-2 11:56:19 | 显示全部楼层
那个9脚开关不用找旧的量了,就是通断而已,量量按上的开关吧,然后你的问题就出在,琴桥拾音器,他能响了无限延音也好了,查查有没有断线的地方包括电路板,9脚开关的拆卸是个技术活弄不好会损坏电路板,不是谁都能干好的!
 楼主| 发表于 2016-5-2 16:27:20 | 显示全部楼层
地狱狂风 发表于 2016-5-2 11:50
什么琴?什么无限延音?

非常感谢,我的琴是费尔南德的65S,我感觉跟也是琴桥拾音器有关系,我刚刚看过无限延音的原理图,但是其他的线没有掉下来的啊。
发表于 2016-5-2 18:34:41 | 显示全部楼层
你加我qq吧,我看能不能帮到你,154030七七九
发表于 2016-5-2 19:09:39 | 显示全部楼层

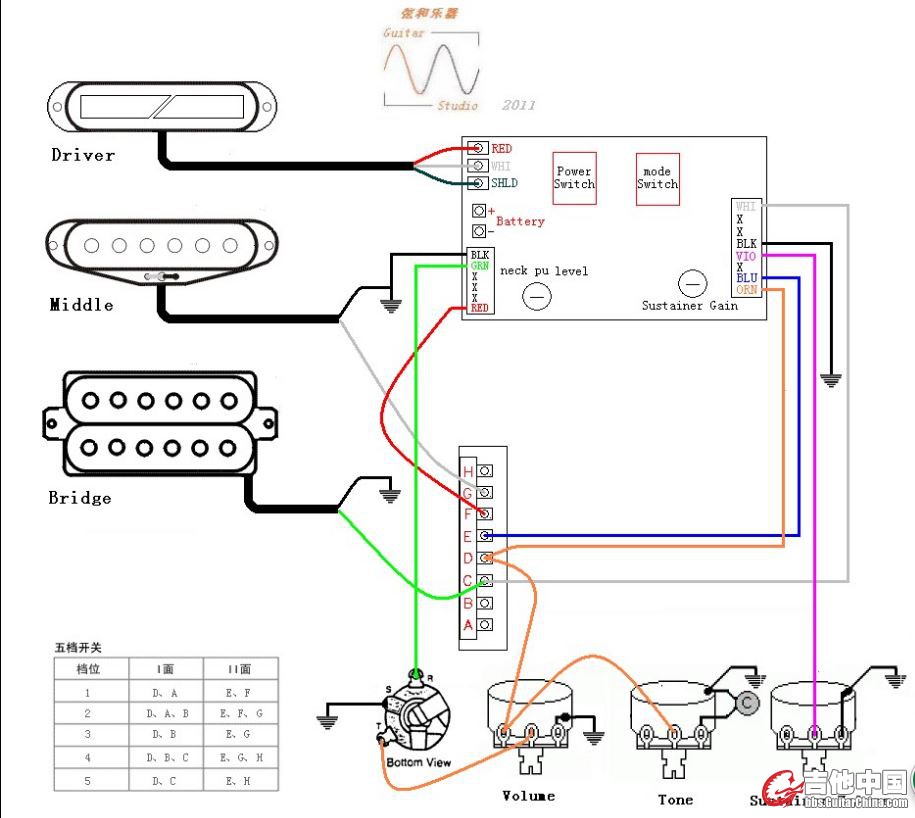
提供一个图供参考,希望能对你有帮助

本帖最后由 donghua326 于 2016-5-2 19:17 编辑

开关用错,接错线了。提供一个图供参考,希望能对你有帮助:
001.JPG
双单双~1.JPG
发表于 2016-5-2 19:23:38 | 显示全部楼层
通常用的是这种八个角的五档开关,淘宝上多的是:
0003.jpg
 楼主| 发表于 2016-5-2 21:11:40 | 显示全部楼层
donghua326 发表于 2016-5-2 19:23
通常用的是这种八个角的五档开关,淘宝上多的是:

 楼主| 发表于 2016-5-2 21:13:00 | 显示全部楼层
您需要登录后才可以回帖 登录 | 注册

本版积分规则

Archiver|手机版|小黑屋|吉他中国官方

GMT+8, 2026-4-28 02:32

Powered by Discuz!

© 2001-2024 Discuz! Team.

快速回复 返回顶部 返回列表