买琴买鼓,就找魔菇!

 找回密码
 注册
搜索
查看: 6571|回复: 22

设计了一个无头吉他琴颈的弦锁,分享一下

[复制链接]
发表于 2015-12-22 14:11:20 | 显示全部楼层 |阅读模式
吉他中国微信公众号
本帖最后由 Edim7 于 2015-12-22 14:12 编辑

话说之前爆改了一把carvin bolt

消停了一段时间,心里又毛了

寻思着琴太重,想弄一把轻一点的,背着不累

给琴减分量,还是沿着上把琴的思路,琴屁股必须挖掉一块

别的地方不好下手了,琴头的改造限于技术、工具条件难度比较大,而且小改动对减重效果不大

网上查了查,已经有无头吉他琴桥套件卖了,干脆这次不要琴头了

4h600c.jpg

不过看看价钱就犹豫了………………套件350$,琴桥240$,弦锁110$

算下来琴桥1500,弦锁700软妹币,还不算代购费

而且我计划在现成的脖子上把头砍掉装弦锁,按它套件的图纸尺寸,钢筋调节口就被堵上了

发挥我大山寨国的优势,就是那么个简单的功能

量量尺寸,画图板打开,鼠标动动,一上午完活,分享给大家看有那些许需要改进

淘宝找商家加工费90/个,先订2个看看,下周到货上实物图

1.jpg
 楼主| 发表于 2016-1-4 14:28:21 | 显示全部楼层
吉他中国抖音
终于收到成品了

但是加工出来安装孔的深度错了

先凑合看看吧

IMG_20160104_103006.jpg
 楼主| 发表于 2016-1-5 23:31:50 | 显示全部楼层
GC视频号
手工打磨

IMG_20160105_232619.jpg
 楼主| 发表于 2016-3-10 10:55:33 | 显示全部楼层
买琴买鼓,就找魔菇
顺便更新一下进展

经过73天的等待,定制的套件上个礼拜终于到货,开箱的过程就省略了

此处清脑补魔法音效及掌声~~!!!!

IMG_20160304_203408.jpg

先装上看看效果

IMG_20160304_215826.jpg

手里有清教徒的一套卵石,利用起来,但是成品护板尺寸都不合适

买了个单拾音器的护板,画上线自己改装一下

IMG_20160305_105733.jpg

定位、开孔的半成品,这时候DIY的固定琴桥螺丝孔也开好了,图片上可以看到

IMG_20160305_110420.jpg

接下来电锯惊魂………………

IMG_20160309_204903.jpg

目前就干了这么多,后续慢慢再传
 楼主| 发表于 2016-3-14 09:25:49 | 显示全部楼层
继续说说进度

屁股砍掉之后,该脑袋了,把弦锁定好位,打孔

IMG_20160311_210510.jpg

IMG_20160311_210630.jpg

IMG_20160311_210641.jpg

然后开干,隐藏角色小红锯再次乱入

IMG_20160311_212134.jpg

切掉琴头之后的样子

IMG_20160311_230424.jpg

IMG_20160311_230452.jpg

IMG_20160311_230523.jpg

IMG_20160311_230544.jpg

和原厂的成品比划比划,这叫掐头去尾

IMG_20160312_005251.jpg

本来打算在裸木上手绘一些龙珠、异形、变形金刚、圣斗士、JoJo、终结者、花学姐、吹雪MM、美女野兽、花花草草……都开始找素材研究构图了

后来懒癌发作放弃了,直接上tru-oil,下面是刷了3-4遍的效果

IMG_20160313_221703.jpg

IMG_20160313_221724.jpg

今天到此为止

补充内容 (2016-3-15 09:19):
接下来很长时间,就要重复摩擦摩擦摩擦的过程了
 楼主| 发表于 2016-4-11 11:07:31 | 显示全部楼层
本帖最后由 Edim7 于 2016-4-11 11:08 编辑

中间反复上油打磨的过程就省略了

直接上成品

重量确实轻了很多

背着弹琴一点也不累啦

IMG_20160323_223104.jpg

IMG_20160410_173537.jpg

IMG_20160410_173524.jpg
 楼主| 发表于 2015-12-22 14:18:25 | 显示全部楼层
沙发自己坐
发表于 2015-12-23 02:33:32 | 显示全部楼层
本帖最后由 weililong 于 2015-12-23 02:39 编辑


关注!更多设计思路可否分享多些。。。琴头锁弦大致明白。。可琴桥手拧螺丝如何拉紧琴弦及调整8度呢?。。。呵呵,图片看不出。。。
还有啊,动动鼠标。。。淘宝找金属加工的经验也值得关注!!
等续集。。。
 楼主| 发表于 2015-12-23 15:59:06 | 显示全部楼层
琴桥原理同样很简单,我草图都画出来了

只是非标件单独定做太贵了

正在犹豫买原装省时省力,还是DIY享受过程
发表于 2015-12-28 00:32:34 | 显示全部楼层
本帖最后由 weililong 于 2015-12-28 00:36 编辑
Edim7 发表于 2015-12-23 15:59
琴桥原理同样很简单,我草图都画出来了

只是非标件单独定做太贵了


也许我问的不专业。。。。简单的琴桥原理可否简单的共享啊?草图是哪个?没看懂。。。
比如,拉紧琴弦是哪个螺丝?手扭螺丝吗?草图是哪张?是那个效果图吗?
调整8度的是哪个螺丝?。。。
 楼主| 发表于 2015-12-28 09:41:25 | 显示全部楼层
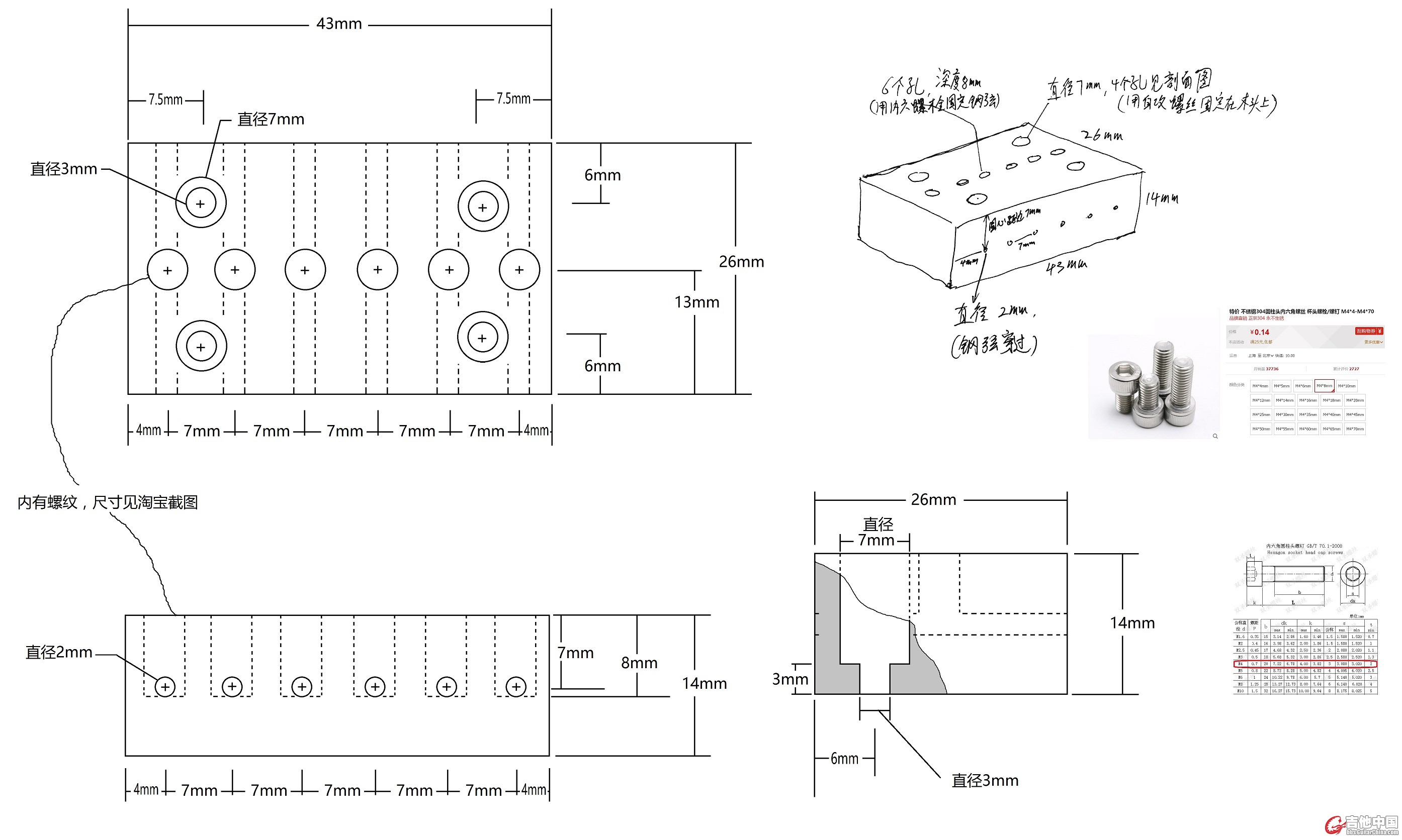
国外网站能搜到各种角度的图片,结构看得很清楚,的确很简单

但是按照原版,自己少量加工很复杂,我的想法做了很多简化

外观、紧凑方面都做了妥协,还有很多尺寸是针对我自己的琴

懒得再翻墙找一遍了,简单标一下

ssss.jpg
发表于 2015-12-28 17:52:51 | 显示全部楼层
木吉他可以用吗?
 楼主| 发表于 2015-12-29 08:44:57 | 显示全部楼层
急她手 发表于 2015-12-28 17:52
木吉他可以用吗?

这个琴桥得用螺丝固定在琴体上,木琴的面板够厚么
发表于 2016-1-11 03:00:57 | 显示全部楼层
本帖最后由 weililong 于 2016-1-11 03:02 编辑
Edim7 发表于 2015-12-28 09:41
国外网站能搜到各种角度的图片,结构看得很清楚,的确很简单

但是按照原版,自己少量加工很复杂,我的想法 ...


。。。。国外网站。。。。[
好了,大致明白了。。多谢了。
发表于 2016-1-11 09:44:31 | 显示全部楼层
我也想自己设计个吉他,就是不会动手,不知道找哪里加工,羡慕楼主啊。
 楼主| 发表于 2016-1-12 12:16:03 | 显示全部楼层
漫长的等待,diy零件差不多了,琴还没到
发表于 2016-1-12 22:35:00 | 显示全部楼层
Edim7 发表于 2016-1-12 12:16
漫长的等待,diy零件差不多了,琴还没到

咋就琴枕啊?琴桥呢?
 楼主| 发表于 2016-1-12 23:58:26 | 显示全部楼层
琴桥还没做出来
发表于 2016-3-10 08:11:40 来自手机 | 显示全部楼层
我想做一个无头琴颈的练习琴   就是只有一根琴颈  不要琴体      15个品就够了     就是为了熟悉指板  在单位练习也方便。 能上弦 能调音就可以了  不知道自己能不能实现
 楼主| 发表于 2016-3-10 10:27:13 | 显示全部楼层
本帖最后由 Edim7 于 2016-3-10 10:34 编辑
bacabaca 发表于 2016-3-10 08:11
我想做一个无头琴颈的练习琴   就是只有一根琴颈  不要琴体      15个品就够了     就是为了熟悉指板  在单 ...


那更简单,都不用定制琴桥

直接做跟加长琴颈,不要琴头

琴枕装个锁,在屁股那边装上les paul的琴桥和正常的弦钮就ok了

不过只能做手指操,不能插电出声了

把下面这个东西改装一下就ok

但是弦长必须要保证标准,否则的话,音准、琴弦张力、手感都没法用

n.jpg
发表于 2016-5-21 12:21:33 | 显示全部楼层
这个可以放在木吉他的尾部= =侧板加固一下
发表于 2016-7-26 10:08:06 | 显示全部楼层
哥们,你吉他屁股后面那个调弦那里的槽是怎么开的
 楼主| 发表于 2016-8-4 16:56:26 | 显示全部楼层
jihuafd 发表于 2016-7-26 10:08
哥们,你吉他屁股后面那个调弦那里的槽是怎么开的

锯-锉-砂纸
您需要登录后才可以回帖 登录 | 注册

本版积分规则

Archiver|手机版|小黑屋|吉他中国官方

GMT+8, 2025-11-29 04:12

Powered by Discuz!

© 2001-2024 Discuz! Team.

快速回复 返回顶部 返回列表