买琴买鼓,就找魔菇!

 找回密码
 注册
搜索
查看: 2483|回复: 1

Guitar Routing Controller System 使用介绍

[复制链接]
发表于 2015-3-27 12:45:05 | 显示全部楼层 |阅读模式
吉他中国微信公众号
本帖最后由 旋转七天乐器 于 2015-3-27 12:47 编辑

Guitar Routing Controller System 使用介绍
从不少效果器板子组装分享的图片中可以看到,越来越多的吉他玩家将一些线控踏板加入到自己的效果器矩阵中,组建好一套效果器控制系统非常非常的重要。
第一,一套好的效果器系统可以避免很多音色上的损失。单纯的将诸多效果器串接在一起的话,很难避免在音色上有一定程度的损失。一个出色的线控内部会设计非常出色的Buffer电路,以减少原始信号的损失。此外,因为将每一个单块都分别串在了loop中,虽然增加了连线的数量,但实际上减少了许多连接上所造成的信号损失。
第二,方便故障排除和演出。和上一条问题基本相同,我见过许多单块玩家按顺序串联10多块效果器,可是一种音色上最多同时使用2-4块。如果没有线控会遇到以下几种问题:
1.切换音色麻烦,就算练就了无影脚的本领,也很难在瞬间开启&关闭多个效果器吧,试想一下你的轻音音色有压缩-合唱-延时-混响,弹完这个段落你只需要一个失真音色,那你需要在这一小节结束的瞬间,同时关闭这些效果器,并打开失真,确实有点儿难做到吧?
有了线控,虽然连线数量从2个效果器中间有一根,变成了每一个效果器用两根,但是在你的每一个单独音色中,那些不必要的损耗就被避免,而且通过编组,足以实现多个效果器音色的瞬间转换。
顺带简单讲解一下使用细则
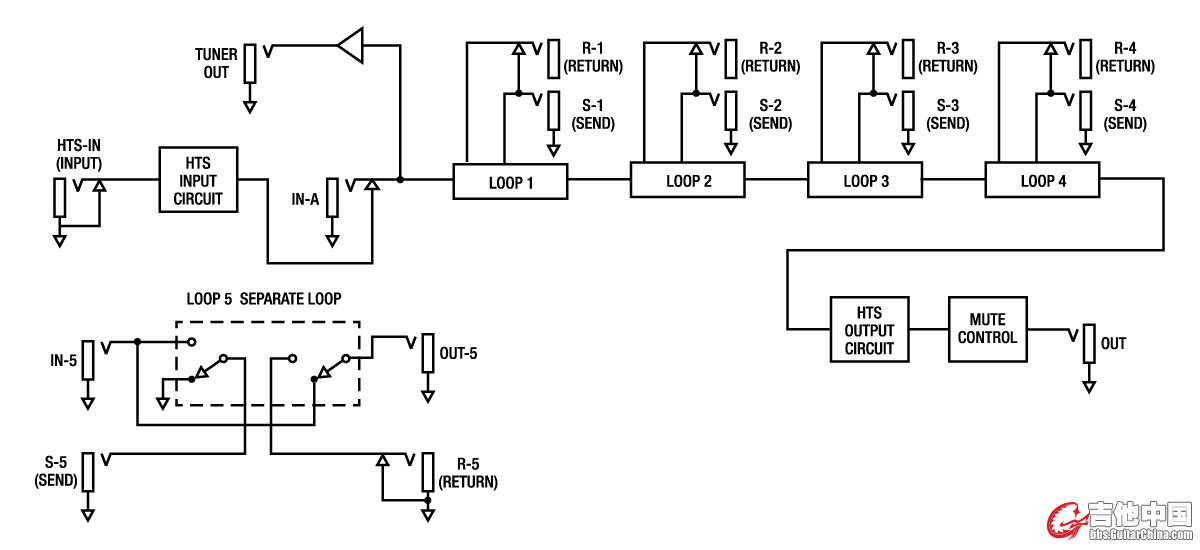
Signal-Block-Diagram.png
从图片中可以看出,实际上Input A进来的信号是直接连接Output一端的输出的,而Loop1、2、3、4可以理解为旁路,连接在内的效果器要保持时刻开启的状态,需要哪一个loop音色工作,就将单独一组编入所对应的音色组中即可。
2.故障难排除,试想一下如果有10个效果器,在演出中有其中一根连线除了故障,你该如何找到它?
若在线控中出现问题,只需要单独solo每一路就可以快速找到问题原因,及时解决。

ARC-53M-2.jpeg
说道线控,目前市面上最常见的有AB两路loop,4路或者8路loop线控,在前文中我们已经简单介绍过。
今天我们来特别的讲一讲功能更加全面的这种Routing Controller System,小编为了这篇文章特地自掏腰包买了一台Free The Tone ARC-53M,如果这篇文章你有收获,请给我报销个几块吧!爱你们!

4路Loop和一路单独独立的Loop,共5路,一些常用的接法简单说一下,
1234路按正常顺序连接效果器即可,比如Loop1压缩 2过载3失真4合唱,当然每一路loop不是只能串一个单块,如果你的思路够清晰也可以一个Loop中串入一些效果器组合。
53m_back-e1385098566634.png
这一路单独独立的Loop有许多种接法,上图了!
QQ截图20150326054220.jpg
如果前4路不够用的话,就可以按图连接,使用第5路。
QQ截图20150326054832.jpg
也可以把第五路作为切换两台输出音箱用。
QQ截图20150326054912.jpg
也可以作为输入选择用,这么用的话OUT-5在连接Input即可。
官网给出的几种链接方式
QQ截图20150326055032.jpg
这里有一个非常非常非常出色的功能,就是C1/C2 音箱通道切换功能,小编目前就是这么使用的,吉他输入HTS IN,Loop1 串入压缩,Loop2串入过载,Loop3失真,Loop4颤音,OUT输出接给EP Booster,然后这里有两种跳线方式,如果我使用自己的失真作为主力失真的话,EP后接低阻抗音量踏板-延时-混响。如果我要用箱头作为主力失真,EP后接音箱Input,而音箱的Loop 接给音量踏板-延时-混响。并使用一个大三星连接线接入音箱的通道控制。
这里就设计ARC-53M的控制设置了,MIDI控制连接了延时和混响。即线控的Midi OUT连接延时的Midi In,延时的Midi OUT连接混响的Midi IN。
说道这里,小编来讲解一下我是如何设置通道和Midi信号的。
QQ截图20150326060356.jpg
①部分和通常的loop一样,是音色组的选择,这款线控共有20个组,每一组有是个预设,面板只有5个踩钉,对应1、2、3、4、5组,踩下Shift后对应6、7、8、9、10。
设置编组的话非常容易,只需要踩下你要的音色组,并需要开启的loop组即可。
例如,我将PS1设置开启压缩-颤音,只需要先踩下PS1,然后按下③区域(DISP Mode指示灯不亮)的L1,L4按钮,对应的红色指示灯就会亮起表示已经加入编组,而后点击Store保存即可。同理PS2设置为失真,那就踩下PS2,并设置L3亮起,保存即可。
因为小编将延时、混响甩在了LOOP控制之外,那该如何操控他们呢?这里MIDI功能就发挥作用了。

ARC-53M可以设置四个独立的Midi CH,因为Midi信号是单向传递的,也就是说我可以同时控制4个独立的效果器,我们将延时设置为MIDI CH1,延时设置为MIDI CH2。
我们将PS3设置为失真+延时开启的效果,首先踩下PS3,然后设置L3亮起,这时按下DISP Mode设置MIDI CH1 亮起(按L1按钮),通过INC/+或DEC/-的按钮 可以选择延时不同的音色了。同样选择好之后保存即可。
QQ截图20150327040303.jpg
这一功能就可以控制不同音色组的切换来选择不同的延时音色,使用其他设备也同理,也就是说PS1-5的踩钉我可以切换5组不同的延时音色。
我用的是Eventide TimeFactor 本身延时一个Bank组里有两个音色,也就是Bank1:1 1:2,使用Free The Tone ARC的线控可以跨组切换延时音色,PS1设置为Bank 1:2  PS2我可以设置为Bank 20 1:1 以此类推。极为方便。
这里讲解的只是如何切换音色,而线控的功能远不止如此。
每一个支持MIDI控制的效果器,里面还会有自己的MIDI MAP,可以理解为自己的控制名称,而且可以自己单独设置。
而通过线控的CC控制,就可以实现许多非常强大的功能。
最基础的控制效果器的开关就可以通过CC控制完成。
进入延时的MIDI控制菜单,选择Bypass&Active一项的CC信号为CC-00,设置混响的CC信号为CC-01.保存后,回到线控的编辑菜单中,将CC1的发送信号设置为CC-00,CC2的发送信号设置为CC-01,这样就对应到控制延时混响了。
按下DISP Mode 按下右侧的L5 对应开启CC1的功能,这时就会发现延时随CC1的开启关闭而同步反应。混响也如此。
综上简单总结一下,PC信号,也就是MIDI CH信号可以控制音色的切换,而CC信号可以深度控制每一个效果器,在效果器中设置不同的参数可以扩展操作不同的功能,除了比较基础的Bypass&Active之外,还可以细化到每一个旋钮的参数,例如MIX干湿比,TapTempo,FeedBack等等诸多功能,具体的设置就是将效果器的CC名称与线控上的CC信号对应即可。
maxresdefault.jpg
除此之外,线控还可以控制箱头和一些带有Remote功能的单块,使用大三芯连线即可,控制设置和设置Loop功能相同。大家尝试一下~
有了类似这样强大的线控,会让你的单块、箱头在演出中发挥到极致。
所以如果你的许多效果器上都拥有MIDI,那你绝对应该来一台这样的线控,彻底解锁你的无影脚技能!

小编现在就是如果演出场地的音箱失真不够好,就是用自己的失真单块,将整个效果器链接入音箱前,如果音箱失真非常出色,就可以将周边接入LOOP中,通过线控操作箱头和周边的开启关闭!
如果那里有没有讲清楚的地方~欢迎随时指正,我们共同学习进步!

更多内容和特价优惠等详情
请鼠标左键猛击!
官方网站:http://www.7musicshop.com
旋转七天淘宝地址:http://music7.taobao.com
官方微博:http://weibo.com/7musicshop
微信公众平台:music7shop     旋转七天乐器
(旋转七天原创介绍!未经允许不得转载!)



arc53m_s.png
发表于 2015-4-13 13:38:44 | 显示全部楼层
吉他中国抖音
啊啊啊啊啊啊啊
您需要登录后才可以回帖 登录 | 注册

本版积分规则

Archiver|手机版|小黑屋|吉他中国官方

GMT+8, 2025-11-30 03:49

Powered by Discuz!

© 2001-2024 Discuz! Team.

快速回复 返回顶部 返回列表