买琴买鼓,就找魔菇!

 找回密码
 注册
搜索
查看: 1169|回复: 0

HOOD1969 这种电路可以用作电吉他音箱吗?

[复制链接]
发表于 2014-10-3 18:24:55 | 显示全部楼层 |阅读模式
吉他中国微信公众号
本帖最后由 道陵 于 2014-10-4 11:37 编辑

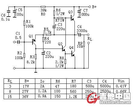
简单而经典的电路,不知用到电吉他音箱上效果如何,有大师尝试过吗?

HOOD1969.jpg
您需要登录后才可以回帖 登录 | 注册

本版积分规则

Archiver|手机版|小黑屋|吉他中国官方

GMT+8, 2025-12-27 13:59

Powered by Discuz!

© 2001-2024 Discuz! Team.

快速回复 返回顶部 返回列表