买琴买鼓,就找魔菇!

 找回密码
 注册
搜索
查看: 6104|回复: 45

有人对老箱头感兴趣不,进来交流一下呗。

[复制链接]
发表于 2014-8-19 12:16:43 来自手机 | 显示全部楼层 |阅读模式
吉他中国微信公众号
本帖最后由 犀利爷 于 2014-8-19 12:43 编辑

fender和vox的老元件和工艺,70年代的。
IMG_20140819_115115.jpg
IMG_20140819_115001.jpg
发表于 2014-8-19 21:56:51 | 显示全部楼层
吉他中国抖音
可惜,烂了~
发表于 2014-8-20 00:36:16 来自手机 | 显示全部楼层
GC视频号
有兴趣啊~~~卖么?
发表于 2014-8-20 09:55:09 | 显示全部楼层
买琴买鼓,就找魔菇
元年箱子,用料就是好。可惜了。。
看样子应该是VOX AC15和fender band master
发表于 2014-8-20 10:32:46 | 显示全部楼层
这也叫用料好??连个PCB都没有,老的指定没新的好啊
 楼主| 发表于 2014-8-20 10:42:35 | 显示全部楼层
fender的是deluxe reverb银脸,79年,为银脸最终版,a1172线路,音量扭带提拉带line out,vox是ac50前级部分,非全尸,所以年代没摸清,准备改造成前级,搭配别的箱头用,老件恢复可能比较困难,损坏比较大,主要部件还算齐全。

变压器和阻流圈

变压器和阻流圈
 楼主| 发表于 2014-8-20 11:03:04 | 显示全部楼层
前面的兄弟说用料好,指的是选用的材料比较贵的意思,当时电视都没普及,音响收音机啥的是贵重奢侈品,制造他们自然舍得下本钱,开关坏了一个,拆了看一颗镀银滚珠,非银镀银触点能比,手感也好,为了这开关,我买了好几种,都买不到原来的了,开关除了安全耐用,手感也关键,每天开机第一时间就带给你良好的体验,多花几十元买这体验值得,可惜不生产了,因为大众不愿意为这点小小的体验付出,廉价,多功能,频繁更新才是他们的主流价值观。。。。。这颗珍贵的开关,我决定用在待机上,因为它使用最频繁,,,,,,pcb美观整洁,但是是diyer的恶梦,多拆几次就搞坏焊盘。还要拆一堆的螺丝才能动手,每次想着更换元件都被这拆螺丝的障碍阻挡,一点乐趣都没有。设计者水平高还好,水平不高,设计不合理的话,修改的机会都没有,,,,
IMG_20140820_103737.JPG
发表于 2014-8-20 11:32:18 | 显示全部楼层
恕我眼拙,一个都没蒙对。。
VOX 和fender的老箱子,线路和用料都非常接近,蒙不对似乎也合理。

至于5楼兄弟的观点,我不反驳。一个人一个胃口,也许5后,10年后。你的看法就会改变。
 楼主| 发表于 2014-8-20 12:13:04 来自手机 | 显示全部楼层
是的,光看板看不出来,都长的差不多了,豪华混响银脸,一共有5个版本,aa763,ab763,aa868,a1172,a1270,都有改动。
 楼主| 发表于 2014-8-20 12:32:15 来自手机 | 显示全部楼层
民工甲 发表于 2014-8-20 00:36
有兴趣啊~~~卖么?

虽然是不卖,但是还是谢谢民工兄弟,因为我收这些破烂,招周围人的白眼,一个同事认为我疯了,说有这钱还不如换个好手机,每当我找到一件尸体或者残骸,他们就叹气一次,认为我病情又加重了一部。
 楼主| 发表于 2014-8-20 12:33:36 来自手机 | 显示全部楼层
本帖最后由 犀利爷 于 2014-8-20 12:36 编辑

发帖重复了,编辑一下,我还有好几个箱头尸体,有些修复了,,改天一起发图。
发表于 2014-8-20 15:17:29 | 显示全部楼层
犀利爷 发表于 2014-8-20 12:32
虽然是不卖,但是还是谢谢民工兄弟,因为我收这些破烂,招周围人的白眼,一个同事认为我疯了,说有这钱还 ...

这是你所用啊,他们不用,当然当破烂了,不用怪罪他们,当然,我很羡慕你能收到这些东西啊~~~
 楼主| 发表于 2014-9-16 21:33:33 | 显示全部楼层
前段天气热,没空调,一排电子管的头太热,就把fender champ XD拿出来用,上次在二手坛转让,被一哥们买走,谁知道路上被快递摔碎外壳和电子管,想想也是缘分,小音量下练琴,没有比它更能委屈求全的了。

这几天天气凉快,又开始折腾了,老元件一个一个淘,不能着急,今天到了个弹簧混响盒,是60-70年代的Gibbs,接到AC30上混响几乎没有,测量直流电阻,怀疑是8欧对2.5K的,一直对某宝上几十元的国产弹簧盒不满意,这回可以来回折腾换件玩了,明天准备进行如下实验,国产盒上进口弹簧,进口盒换国产电磁变能组件,两根弹簧和四根弹簧分别体验一下。

接下来是增加EF86通道,然后把国产ac30cc恢复60年代电路,接下来是修复AC50前级部分,让这台国产ac30cc拥有5通道,1,VOX独有的EF86清音通道,2,12ax7的nor通(清音和过载之间),3,TB通道(算是稍重的过载),4,12au7的过载通道,5,12au7的重度过载通道,准备将英式音色体验一下。
 楼主| 发表于 2014-9-16 22:03:54 | 显示全部楼层
顺便汇报一下前段时间换管换牛的感受,

国产ax7,北京管,曙光红字白字管,声音窄,高不上低不下,买它实在是浪费邮费,我准备把它用在颤音控制部分,不参与音色部分,这辈子都不会再买了,送我都不会要。

JJ的普通版ax7,也好不到哪里去,比国产的高音光泽度好些,低音没那么肥而已,音色木讷,价钱还不厚道。我买的新管让卖家测试一下两个三极管的配对,用在倒相部分,上机用了一段时间测试屏压和屏流,差别很小,让它在ac30的倒相位置长期安家了。

GE的5751,洋垃圾管,价钱便宜,短屏灰屏,非三云母,上有绿字,估计是仪器用的。厚实的同时高音也亮,增益比ax7小,相同位置下过载比较少,声音主观感受有点音乐味了,像个小个头的男子汉,手上给点力道,就直接反应到喇叭,低音下潜好,不拖泥带水,网上说用来弹blues好用,完全同意,可惜我的不是三云母的,主要是考量价钱了,因为想把它用在nor通道的备用上,玩腻了换它一下,整点新鲜感,以后搞好ac50前级后再换位置试试,替补队员就不用大代价请大牌了。奇怪的是,同样的位置,ax7和5751屏压会变动很大,5751要低20-30v,超过我的知识储备了,还望大侠们指点。

GE的7025,长屏灰屏,有白字,价钱还行比JJ贵10元,很超值,味道和5751如出一辙,感觉是小男子汉的大哥,身体强壮力气也大,增益和ax7差不多,不容易过载,很喜欢,fender的标配,暂时在ac30上值班,,,,,au7和ax7由于不是专业对口的位置,表现不太好,干瘪,也是情理之中,以后找到对口的位置在评价。

GZ34,我用的JJ,没对比,这管打牌的贵,不敢玩。过一段进一对西屋的5U4,电压还有点空间,到时再评价。

6V6,试过EH的,曙光白字,GE,前两个差不多,我稍稍偏向曙光白字,GE完败他们,社会主义阵营的的确不敌啊,过一段准备尝试老南京。

EL84,也用的JJ,好管也是贵到离谱,没能力玩。
 楼主| 发表于 2014-9-16 22:14:53 | 显示全部楼层
本帖最后由 犀利爷 于 2014-9-16 22:16 编辑

6v6的牛,我看到修工送牛时错过了时间,没赶上,在champ XD上对换了fender美产老牛和台产新牛,台产个头小点,直流电阻,电感这类我能测到的数据也不相同,美产的用在标称22w的6V6推挽上,屏压415v,台产的用在champ XD标着15W,屏压375v,偏置电压屏耗啥的应该差不多,帘级电阻都相同,可能是阻抗方面不合适还是别的原因,用起来只是觉得音色润泽一些,没有感受到惊喜,换会台产的,反觉得舒服,等我的Deluxe reverb恢复后交换在试。
 楼主| 发表于 2014-9-18 10:56:23 来自手机 | 显示全部楼层
gibbs 换能器
IMG_20140918_103456.JPG
 楼主| 发表于 2014-9-18 10:59:32 来自手机 | 显示全部楼层
白色国产,黑色gibbs,in我用国产,out进口,阻抗匹配后声音正常了。
IMG_20140918_103456.JPG
 楼主| 发表于 2014-9-18 11:01:41 来自手机 | 显示全部楼层
ac30是运放驱动,600欧阻抗,gibbs估计是8欧的,电子管驱动,声音很小几乎没有
IMG_20140918_103642.jpg
 楼主| 发表于 2014-9-18 11:06:01 来自手机 | 显示全部楼层
out继续用gibbs的,外观上没国产的漂亮,国外论坛都说哈蒙德的gibbs最好,最能代表弹簧混响的音色,等过一段配件收集齐全后在deluxe reverb上感受一下,先用混血的,比国产的好很多,国产的是两根弹簧时间短,没可比性。
IMG_20140918_103654.jpg
 楼主| 发表于 2014-9-18 11:11:40 来自手机 | 显示全部楼层
弹簧拉力也不一样,进口的拉力大,些,
IMG_20140918_103358.JPG
发表于 2014-9-18 12:12:13 | 显示全部楼层
不错   其实我也很喜欢老机器 老零件  确实那个年代的东西用料真扎实。,。。。
我手里还收藏了很多老零件。
我以前 喜欢用老零件做机器,但慢慢的 我不用老零件了。
因为 我做好的机器  出现莫名其妙的问题   慢慢检查 分析  发现问题是  阻容老化  管座绝缘不好  接触不好  胶木板漏电   ...........
我现在老货只用 老电子管   其他的不用了 即使用也会  在很多数量中挑选   伤不起啊   发烧要理性
 楼主| 发表于 2014-9-18 13:24:03 来自手机 | 显示全部楼层
修工好,我昨晚在看你箱头的贴,好玩的,老外说对中国人看法改变了,长真是长脸,你上面那力法电容我也收藏了10来颗,
 楼主| 发表于 2014-9-18 13:25:55 来自手机 | 显示全部楼层
我还在学习中,好多基础理论都搞不明白,整这些老机器一是收藏,二是实际操作,要不纯看书好无聊,进行不下去。
 楼主| 发表于 2014-9-18 23:59:15 | 显示全部楼层
困扰心头很久的混响问题一扫而空,心情大好,在老外论坛上找的ac30的mod方案,下午无聊实验了一下,效果显著,有这机器的同学可以试试。

主要解决nor通道音色太暗,tb通道太亮,顶置空间太多,loop吃tone的问题。该老外是个历届vox的使用者,也是电子方面的专家。他评价中国产的ac30cc经过很多改进,设计非常好,工作很稳定,这方面甚至超过英国产的。

loop通道,ac30cc的两个通道的混合和loop经过运放整合,非常完美,可惜电路图标错一个数字工厂生产时没改正,导致第一批次的,loop吃tone,把C108,C109换成2.2或者更大uf的电解电容(原来是0.22),这个我几个月前已经换了,盲听不能分辨loop切换。现在正在思考一个问题,由于这型号两个通道信号用运放混合,用踏板切换完全可行,只需增加两个继电器,可惜还没人先搞,列入下一步mod计划。

hardroom太多的问题,ac30本来是过载箱,老ac30一直是220k的V1屏极电阻,Kong在04年后改为100K,喜欢老的味道换回来就是了,成本一元钱。R6和R7,我个人喜欢清音多些,暂时不换。
 楼主| 发表于 2014-9-19 00:00:30 | 显示全部楼层
困扰心头很久的混响问题一扫而空,心情大好,在老外论坛上找的ac30的mod方案,下午无聊实验了一下,效果显著,有这机器的同学可以试试。

主要解决nor通道音色太暗,tb通道太亮,顶置空间太多,loop吃tone的问题。该老外是个历届vox的使用者,也是电子方面的专家。他评价中国产的ac30cc经过很多改进,设计非常好,工作很稳定,这方面甚至超过英国产的。

loop通道,ac30cc的两个通道的混合和loop经过运放整合,非常完美,可惜电路图标错一个数字工厂生产时没改正,导致第一批次的,loop吃tone,把C108,C109换成2.2或者更大uf的电解电容(原来是0.22),这个我几个月前已经换了,盲听不能分辨loop切换。现在正在思考一个问题,由于这型号两个通道信号用运放混合,用踏板切换完全可行,只需增加两个继电器,可惜还没人先搞,列入下一步mod计划。

hardroom太多的问题,ac30本来是过载箱,老ac30一直是220k的V1屏极电阻,Kong在04年后改为100K,喜欢老的味道换回来就是了,成本一元钱。R6和R7,我个人喜欢清音多些,暂时不换。
 楼主| 发表于 2014-9-19 00:22:33 | 显示全部楼层
nor通道太肥,增益也不够大,其实我个人其实挺喜欢的,用久了换换味道也好,R49直通,c12原来是220pf,换成100pf,在拨档开关的另一个脚增加一个68pf,原先这个脚是空置的,建议用银云母电容,mod后非常满意,不肥不瘦正正好,这老外是高手。原先我是想试试,不喜欢换回来,现在是不会换了。

TB通道太亮,这点是共识了,必须mod,C13换为100pf或者68pf,建议选68pf,C16原先是56pf换成47pf,几元成本,立竿见影。

接下来是把信号环路换成碳芯电阻,因为这机器散热设计很好,电路部分不热,碳芯电阻温飘会不太严重,由于阻值多,得订购,还没实施。

增加EF86通道,vox少了ef86,就不像话了,元件也少,加上能混合到运放中,插座也可以利用现成的,只需要增加一个500k的双层电位器,面板布局都不用改动,踏板切换三通道也有可行性,下一步实施。有这机器的同学一起研究如何完美实施。
 楼主| 发表于 2014-9-21 20:55:15 | 显示全部楼层
人气不行啊,没关系,当个资料贴也好,当初为了下电路图翻墙费了老大的劲,英文不好,软件翻译着看,啥国防部,挡泥板,相信有相同经历的都会很熟悉。

这ac30cc系列电路的修改方案,是一个叫科尔的老外,一个靠谱的老外经过长时间的验证发出的,是这机器面世好多年后才公布出来,有些地方我使用了几个月,有些用了没多久,有个别地方没动,总之,非常好用强烈推荐,有这机器不用的话,太可惜了。改头换面的变化,相信试过的同学都不愿意换会原来。

还有就是nor通道,bt通道和master三个电位器,最容易产生杂音,是几元钱一颗的国产货,我换成CTS的,500K A型,体积硕大,和原脚位不合,就不推荐了,要动锉刀啥的,麻烦,但是换后发现音色也产生变化,硬朗不少,原来的显得阴柔,管机的确是容易产生变化,这促使我产生换碳芯电阻的念头。

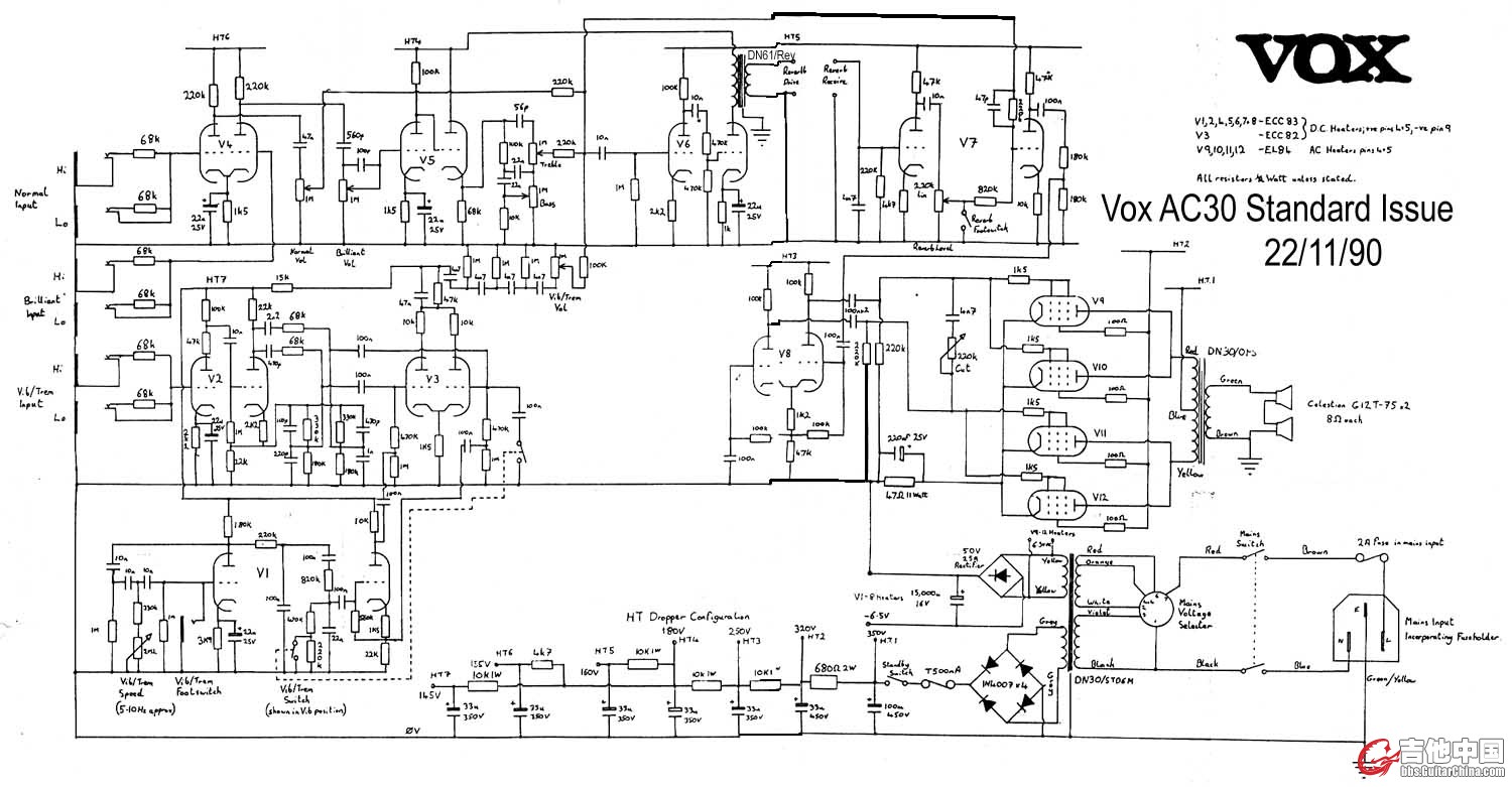
为了方便喜欢这机器的同学,我贴个电路图吧,免得翻墙了 。

60

60
ac301960.jpg
ac301986.jpg
ac301990.jpg
 楼主| 发表于 2014-9-21 21:05:39 | 显示全部楼层
国产版的是pfd文件,好几个 图组成,超过附件规定,试试能不能传。
 楼主| 发表于 2014-9-21 21:07:55 | 显示全部楼层
本帖最后由 犀利爷 于 2014-9-21 21:41 编辑

不能传pdf,
 楼主| 发表于 2014-9-21 21:43:04 | 显示全部楼层
晕,,,,,,,,,,,,,,,,,,
修改之一.JPG
 楼主| 发表于 2014-9-21 21:51:01 来自手机 | 显示全部楼层
各版本工作点和元件改动
AC15DC30v2.gif
发表于 2014-9-21 21:54:51 | 显示全部楼层


学习啊学习!~~~
 楼主| 发表于 2014-9-21 22:10:46 | 显示全部楼层
民工兄弟共勉,我是照猫画虎,当一下搬运工搬运工,很多原理都是一头雾水,早段时间搜索资料,国内基本没有,国外讨论却是如火如荼,一个贴延绵数年,英语又不行,抓狂。
发表于 2014-9-22 13:04:12 | 显示全部楼层
犀利爷威武!能教教我如何把弹簧混响盒加到橘子黑强上吗
 楼主| 发表于 2014-9-22 20:47:36 | 显示全部楼层
黑强我不了解啊,你可以先下个电路图研究,或者拆开看里面有没有弹簧盒,如果有的话看看是不是黑色外壳,和手掌长短差不多的,有些印这贝尔吨牌子,有些没有标记,品质都差不多,淘宝几十元一个,两根弹簧,我觉得和数码芯片的混响比没多少优势,查到进出阻抗,按这规格买一个直接换上就可以了,其实这弹簧盒不贵,国外mod牌子的也就100多,运费贵还麻烦,国内没有好点的卖,悲哀啊,就那么几十元差价,为啥就不适合国人消费了?,,,,,

如果没有,就得费老大劲了,抄个电路,整合上去,要资深diy才行。

顺便汇报下,今天解决了混响杂音大的问题,吱吱吱的高频声,愿混响盒没有这声音,判断是混响盒接地不良,用根线碰一下接地端,果然,烙铁伺候,这里的黎明静悄悄了。几分钟的事,一整天心情大爽,跟捡到100元差不多。

网上淘EF86去。
发表于 2014-9-23 11:23:22 | 显示全部楼层
不是人气不行,实在是摸不到门罢了……看着高大上啊,可惜身边没有人可以教一下。膜拜
 楼主| 发表于 2014-9-24 23:27:07 | 显示全部楼层
玩这些经典老机器我觉得不需要太高深的技术储备,翻墙大多能下到官方电路图,搭棚的还有布线图,研究一下就基本能摸清大概意思,把损坏的器件换上就可以了,又不是去设计创新,我这ac30到手时是坏的,烧保险,电源变压器初级短路了,淘宝找个店家重新做一个,把功率做得比原来大三分之一,叠厚做到机箱能放的下的极限,3-400元,把一些开关电位器插接件换成质量可靠的,也就100多元,目前总共花了3000元左右,还得到成就感,比买二手的好玩一些,看各人兴趣点,有些人喜欢到手直接用不费心,有些人喜欢自己捣鼓一阵。

接下来是木工活做外壳,目前连个锯子都没有,裸奔半年了。
 楼主| 发表于 2014-9-26 17:04:39 来自手机 | 显示全部楼层
裸奔中,进过这轮mod,目前很满意,v1用ge的5751,v2,ge7025,v3,jj普通ax7,整流,jj的gz34,后级jj的el84,电源变压器国内订制,换3颗cts电位器和插座,
IMG_20140926_165824.JPG
IMG_20140926_165740.JPG
IMG_20140926_165413.JPG
IMG_20140926_165658.JPG
 楼主| 发表于 2014-9-29 23:10:37 | 显示全部楼层
的确像老外说的,nor通道和BT通道经过mod后更“恰当”,弹了几天很喜欢,但是对master旋钮还是不满意,在家用能接受的音量范围内变化太明显,要么很小声,稍动一点点又太大,试过B500K和H500K的都不对劲,1M的没试过,估计更不合适,看来得整个变档那种,再根据自己的需要调整阻值,看样子还能玩上一阵。
 楼主| 发表于 2014-10-5 15:03:34 | 显示全部楼层
昨天去别人那里弹了一个c的版本,琴也不同,喇叭也不同,电子管也不同,不好评价,感觉一个c的版也不错,素质没太多下降,插座换了金属盖的,看着舒服很多。没机会拆开看,听着感觉电路上的的bug是得到了修正。晶体管整流也会增加机器的稳定性,毕竟是升级版,以前我说它是阉割版,想来有点偏激。
您需要登录后才可以回帖 登录 | 注册

本版积分规则

Archiver|手机版|小黑屋|吉他中国官方

GMT+8, 2026-4-23 03:27

Powered by Discuz!

© 2001-2024 Discuz! Team.

快速回复 返回顶部 返回列表