买琴买鼓,就找魔菇!

 找回密码
 注册
搜索
查看: 2925|回复: 27

6P1,6P14这类小单端有几套阻容件想免费赠送,有兴趣的跟帖吧

[复制链接]
发表于 2014-5-6 10:31:38 | 显示全部楼层 |阅读模式
吉他中国微信公众号
前些天当地一个老烧给我拿来不少胆机用的电阻电容,有些是拆机的,整理成小单端的估计能有6、7套吧,想免费送给坛子里的菜鸟练练手,有兴趣的可以上电路图或列出电阻电容明细。因为吉他箱头大部分带音调, 我先看下能否配齐。
发表于 2014-5-6 11:52:41 | 显示全部楼层
吉他中国抖音
要份5f2的阻容原件
谢谢啦
princeton_5f2_layout.gif
 楼主| 发表于 2014-5-6 12:58:33 | 显示全部楼层
GC视频号
路标在这里 发表于 2014-5-6 11:52
要份5f2的阻容原件
谢谢啦

好,我先整理下元件明细吧
发表于 2014-5-6 15:09:35 | 显示全部楼层
买琴买鼓,就找魔菇
谢谢谢谢
发表于 2014-5-7 11:18:59 | 显示全部楼层
我需要些电容摩机,223耦合电容数个,还有1000P跟470P云母电容
发表于 2014-5-7 14:24:52 | 显示全部楼层
同求5F2的元件.
发表于 2014-5-7 15:25:18 | 显示全部楼层
我也想要套5F2的,楼主好人~~
发表于 2014-5-7 16:09:33 | 显示全部楼层
支持云总,内个,我也想要5f2的原件。。。
发表于 2014-5-7 16:31:23 | 显示全部楼层
图纸比较复杂……

mts_mini_hrm_190.zip

981.43 KB, 下载次数: 65, 下载积分: 金钱 5

发表于 2014-5-7 23:27:27 | 显示全部楼层
同求5F2的元件、
谢谢!
发表于 2014-5-7 23:56:58 | 显示全部楼层
上图!上图!上图!上图!上图!上图!上图!上图!上图!上图!

5F2

5F2
发表于 2014-5-8 07:30:25 来自手机 | 显示全部楼层
排队排队哈。。。
发表于 2014-5-8 13:35:24 | 显示全部楼层
跟贴要套6P1的件吧~~附图一张。。多谢多谢。。
6n2 6p1电路图.jpg
发表于 2014-5-8 16:44:48 | 显示全部楼层
顶顶顶!
发表于 2014-5-8 22:52:58 | 显示全部楼层
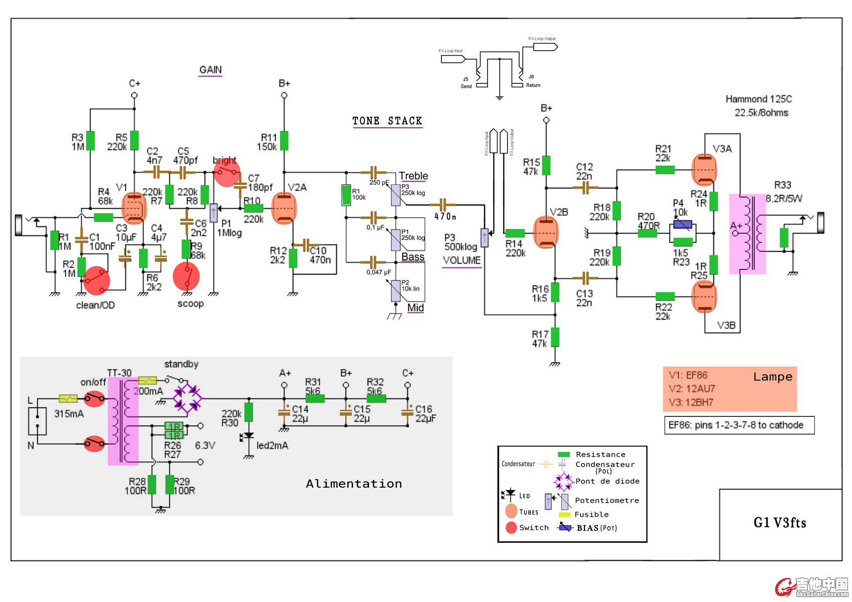
云爷,我想搞个马勺G-1!
20131017_0ab4a034776640d0c6a4d34mZh4HIcQx.jpg
发表于 2014-5-9 00:42:47 | 显示全部楼层
我会搞这个送我可以
1 .jpg
发表于 2014-5-9 00:47:52 | 显示全部楼层
画好的后级,前级可以根据不同需要画fender 或马勺或 mesa 什么的
未 命名.JPG
发表于 2014-5-9 00:50:51 | 显示全部楼层
Dunlop Original wah正在制作中
未命 名.JPG
发表于 2014-5-9 01:04:18 | 显示全部楼层
完成的jcm800
drrrr.JPG
发表于 2014-5-9 19:43:43 | 显示全部楼层
来咯来咯.....
发表于 2014-5-10 21:07:50 | 显示全部楼层
求LZ更新,求答复!
发表于 2014-5-19 16:11:57 | 显示全部楼层
楼主还在吗
发表于 2014-6-8 11:31:39 | 显示全部楼层
发表于 2014-6-8 17:01:41 | 显示全部楼层
刚在你店里买了些元件,看你自动回复很忙,就直接付款了。有啥不错的高压电解也请老板跟上一两个,谢谢啦
发表于 2014-6-8 17:03:03 | 显示全部楼层
原来是一个月前的过期帖子
发表于 2014-9-7 13:00:37 | 显示全部楼层
还有的送么  ???俺  四平的  
发表于 2014-9-8 13:19:08 | 显示全部楼层
发表于 2014-9-28 00:55:45 | 显示全部楼层
感谢楼主,我是奔着套件来的~~~想练练手~~
您需要登录后才可以回帖 登录 | 注册

本版积分规则

Archiver|手机版|小黑屋|吉他中国官方

GMT+8, 2025-11-30 16:30

Powered by Discuz!

© 2001-2024 Discuz! Team.

快速回复 返回顶部 返回列表