买琴买鼓,就找魔菇!

 找回密码
 注册
搜索
查看: 3470|回复: 5

求助。用过M65831芯片的进来

[复制链接]
发表于 2014-4-29 12:41:50 | 显示全部楼层 |阅读模式
吉他中国微信公众号
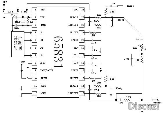
按原厂标准电路做的,去掉原音后  只听回声部分有轻微的沙沙声,声场效果是有沙沙的感觉吗? 用2399做的没有听出沙沙声,但2399出来的就是纯回声,没有声场变化,65831出来的有点RV效果的感觉,我没有别的设备比较。不知道轻微沙沙是不是正常。接了原音后可能掩盖了就听不出来。用的下图
65831(4).jpg
图中30K电位器我用50K代替的。手头没有30K,回声次数调太大后音箱低频自激一样,出现低频杂音音箱震动很厉害,音箱自激都能走路.
求解决问题的方法,谢谢
我数字地和模拟地用1欧电阻连接的。手头没有其他元件处理数字地和模拟地。
用单片机调节延时的瞬间声音会断,有没有什么办法让调节回声的同时声音是连续不断的
求解..........
 楼主| 发表于 2014-4-29 12:52:40 | 显示全部楼层
吉他中国抖音
顺便问问有谁用过FV-1  DSP效果芯片。资料显示有7种周边效果,想知道把他变成吉他效果器的可行性..........
发表于 2014-4-29 17:58:22 | 显示全部楼层
GC视频号
数字地和模拟地用0欧的电阻串一起,或者按频率选用磁珠
 楼主| 发表于 2014-4-30 00:05:43 来自手机 | 显示全部楼层
买琴买鼓,就找魔菇
地的处理应该和沙沙的声音没什么关系吧。因为我手头没0欧 ,就找了1欧代替
发表于 2014-5-5 03:20:44 | 显示全部楼层
对模拟电路不是很清楚就不要学人家做地隔离,模拟和数字地以行星接地是最好的,不会就多打地过孔,
发表于 2014-5-5 11:16:19 | 显示全部楼层
表示没到那么高级水平
您需要登录后才可以回帖 登录 | 注册

本版积分规则

Archiver|手机版|小黑屋|吉他中国官方

GMT+8, 2026-3-10 19:51

Powered by Discuz!

© 2001-2024 Discuz! Team.

快速回复 返回顶部 返回列表