MARSHALL

 找回密码
 注册
搜索
查看: 2816|回复: 16

音箱 effectf loop问题

[复制链接]
发表于 2014-3-17 13:32:16 | 显示全部楼层 |阅读模式
吉他中国微信公众号
Blackstar HT Studio 20 Combo   effectf  loop功能 我想用综合效果器输出直接接REYURN  可以不 不想走清音通道 我试了下接上怎么没有声音 需要设置效果器吗  
 楼主| 发表于 2014-3-17 17:44:52 | 显示全部楼层
吉他中国抖音
[em05]
发表于 2014-3-18 13:59:07 | 显示全部楼层
GC视频号
不给输入信号他怎么给你输出声音?环路没环啊
 楼主| 发表于 2014-3-19 11:59:06 | 显示全部楼层
买琴买鼓,就找魔菇
可我不想走清音通道 想完全利用效果器音色 怎么搞呢
发表于 2014-3-19 15:45:33 | 显示全部楼层
有的音箱需要接通前级后级才出声,有的能直接return,需要接前级就接一个呗,前面插根线,随便找个什么send进去。
发表于 2014-3-19 19:35:54 | 显示全部楼层
楼主的QQ多少,明天告诉你什么原因
 楼主| 发表于 2014-3-21 13:53:48 | 显示全部楼层
什么原因啊
发表于 2014-3-22 21:44:13 | 显示全部楼层
昨天忘记是哪个贴了,今天又无意中看见。
你有没有发现HT-20的没有STBY开关,也就是给后级管子预热的。和这个有关系,我明天再去看看,能用什么办法解决这个为题。方便的话留个QQ,有消息告诉,有信息替你解决这个问题。
 楼主| 发表于 2014-3-23 01:20:27 | 显示全部楼层

回复 8楼 ONWARD 的帖子

谢谢 34153654qq
发表于 2014-3-23 11:25:35 | 显示全部楼层
原因找到了,和我之前的猜测是一样的,由于HT-20没有STBY开关,一般真空管的预热时间是STBY开关控制,而这个是由吉他输入插头控制,如果你直接接REYURN 的话真空管是没有BIAS电压,后级的真空管根本就不能工作,所以没声音。如果要它发声很简单,在最前面的吉他输入插一个插头就OK了,如果你有坏的插头直接插上去,如果没有就去外面买一个,最多5块钱。
T1qHBmXchMXXb5_XoW_022313.jpg
发表于 2014-3-23 21:09:27 | 显示全部楼层
还有这功能,挺实用啊。
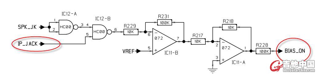
发表于 2014-3-24 00:08:34 | 显示全部楼层
看看下图便知
1.jpg
发表于 2014-3-24 00:09:48 | 显示全部楼层
下面和上面是联合起来去控制BIAS  ON的
2.jpg
发表于 2014-3-24 11:09:20 | 显示全部楼层
和我说的一样嘛,前级没输入后级就不工作
发表于 2014-3-24 13:07:59 | 显示全部楼层

回复 14楼 1482640220 的帖子

也不一样,这个是只需要一个物理机械开关而已,并不需要前级信号的输入。
发表于 2014-3-24 14:08:16 | 显示全部楼层
貌似你的综合效果器要有前级模拟功能吧!~~比如line6 HD些列里面的音箱模拟!
 楼主| 发表于 2014-3-25 16:07:57 | 显示全部楼层
您需要登录后才可以回帖 登录 | 注册

本版积分规则

Archiver|手机版|小黑屋|吉他中国官方

GMT+8, 2025-11-14 08:40

Powered by Discuz!

© 2001-2024 Discuz! Team.

快速回复 返回顶部 返回列表