MARSHALL

 找回密码
 注册
搜索
查看: 875|回复: 2

求助电路图里电源牛和输出牛的参数

[复制链接]
发表于 2014-1-8 16:10:34 | 显示全部楼层 |阅读模式
吉他中国微信公众号
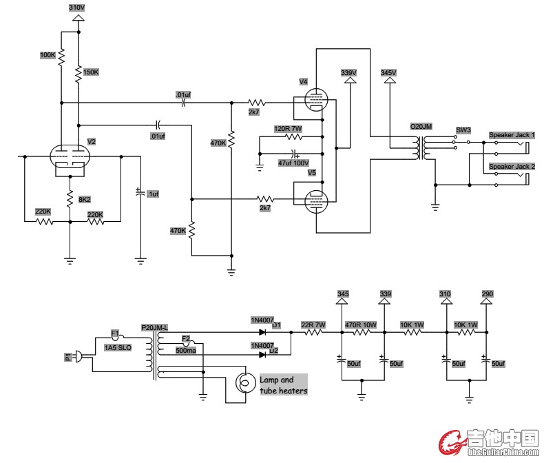
电路图中P20JM
和O20JM-L的参数
未命名1.jpg

[ 本帖最后由 weileni 于 2014-1-8 16:14 编辑 ]
 楼主| 发表于 2014-1-8 16:12:01 | 显示全部楼层

接上图

吉他中国抖音
未命名2.jpg

[ 本帖最后由 weileni 于 2014-1-8 16:13 编辑 ]
 楼主| 发表于 2014-1-8 16:22:14 | 显示全部楼层
GC视频号
有知道的吗,帮小弟个忙,准备复制下,在此感谢了。
您需要登录后才可以回帖 登录 | 注册

本版积分规则

Archiver|手机版|小黑屋|吉他中国官方

GMT+8, 2025-11-14 03:33

Powered by Discuz!

© 2001-2024 Discuz! Team.

快速回复 返回顶部 返回列表