买琴买鼓,就找魔菇!

 找回密码
 注册
搜索
查看: 1849|回复: 3

Fendar R15 部分原理图整理中。。 (根据PCB倒推原理图)

[复制链接]
发表于 2013-12-17 10:42:16 | 显示全部楼层 |阅读模式
吉他中国微信公众号
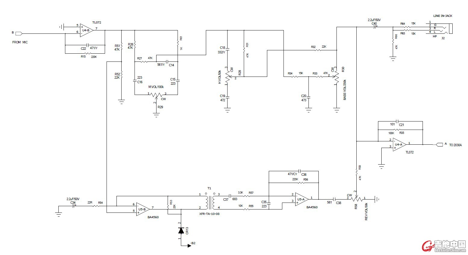
自己将Fendar R15的原理图反推出来,供大家参考。。。根据大家热情度,将用自己的业余时间整理完。

Fendar_R15_tone 部分

Fendar_R15_tone 部分
 楼主| 发表于 2013-12-17 10:47:26 | 显示全部楼层
吉他中国抖音
可能和原版有误差,不要尽信。只供参考。
 楼主| 发表于 2013-12-17 10:50:00 | 显示全部楼层
GC视频号
上面只是混响和音调部分
发表于 2013-12-19 00:32:19 | 显示全部楼层
买琴买鼓,就找魔菇

F1.jpg
F2.jpg
您需要登录后才可以回帖 登录 | 注册

本版积分规则

Archiver|手机版|小黑屋|吉他中国官方

GMT+8, 2025-12-19 06:13

Powered by Discuz!

© 2001-2024 Discuz! Team.

快速回复 返回顶部 返回列表