买琴买鼓,就找魔菇!

 找回密码
 注册
搜索
查看: 14241|回复: 85

G1電路圖

[复制链接]
发表于 2013-10-7 18:34:51 | 显示全部楼层 |阅读模式
吉他中国微信公众号
試上圖,看誰犯險。
发表于 2013-10-8 09:53:33 | 显示全部楼层
吉他中国抖音
图呢………………………
 楼主| 发表于 2013-10-9 16:57:41 | 显示全部楼层
GC视频号
樓上同好先進,敞人腦盲,在求高人賜招呢!
发表于 2013-10-10 16:25:02 | 显示全部楼层
买琴买鼓,就找魔菇
愁死你了,发来我给你上传!~
 楼主| 发表于 2013-10-15 22:22:41 | 显示全部楼层

回复 4楼 民工甲 的帖子

老哥請賜電郵地址,容我試試轉給你。
发表于 2013-10-16 12:19:34 | 显示全部楼层
发表于 2013-10-17 01:07:05 | 显示全部楼层

帮楼主兄弟发图!~

帮楼主兄弟发图!~

电路图

电路图
发表于 2013-10-17 01:08:11 | 显示全部楼层

还有元件表!~

还有元件表!~

元件表

元件表
 楼主| 发表于 2013-10-17 06:05:13 | 显示全部楼层
真爽!還真的看到圖了。謝謝了!
发表于 2013-10-17 12:50:51 | 显示全部楼层

楼主小贼还要我继续发图,shit!

楼主小贼还要我继续发图,shit!

电路图

电路图
发表于 2013-10-17 12:53:41 | 显示全部楼层

善门已开,就收不住了!~

善门已开,就收不住了!~
发表于 2013-10-17 12:56:16 | 显示全部楼层

善门已开,就收不住了!~

善门已开,就收不住了!~

初哥电路图!~

初哥电路图!~
发表于 2013-10-17 12:58:02 | 显示全部楼层

棚图 layout !~

棚图 layout !~
Layout G1 en chemin_副本.jpg
 楼主| 发表于 2013-10-18 09:50:03 | 显示全部楼层
原版用印刷線路板,diy版用棚板。
发表于 2013-10-18 12:19:58 | 显示全部楼层

还有!~

还有面板!~
Face Plate arriere G1_副本.jpg
发表于 2013-10-18 12:30:29 | 显示全部楼层

前面板!~

前面板!~
Face Plate G1_副本.jpg
发表于 2013-10-18 12:32:04 | 显示全部楼层

旋钮图!~

旋钮图!~
faceg1copyr.jpg
发表于 2013-10-18 12:33:02 | 显示全部楼层
发表于 2013-10-18 12:33:24 | 显示全部楼层
终于发完了,楼主小贼,你打算怎么报答我捏~
发表于 2013-10-18 12:41:41 | 显示全部楼层
最后上传一个楼主发我的所有大图压缩包,需要的拿去,大家不要感谢我,感谢楼主!~
http://kuai.xunlei.com/d/AznmAQtICLxgUgQA7a1
 楼主| 发表于 2013-10-18 17:52:57 | 显示全部楼层
希望能在網上看到諸學長diy心得。
感謝“民工甲”老哥!
 楼主| 发表于 2013-10-19 00:48:53 | 显示全部楼层
原帖由 民工甲 于 2013-10-18 12:33 发表
终于发完了,楼主小贼,你打算怎么报答我捏~
民工甲老哥,大恩,無以為報,
是因“囊中羞澀”。但,那是“乾坤錯”!
发表于 2013-10-19 14:28:55 | 显示全部楼层
精彩~~~这种装配图看着相当舒服!
发表于 2013-10-19 18:11:38 | 显示全部楼层
原帖由 湛江杀人王 于 2013-10-19 14:28 发表
精彩~~~这种装配图看着相当舒服!


杀总,现在怎么传图只能一层楼一张的传呢?怪麻烦的~
发表于 2013-10-19 18:13:01 | 显示全部楼层
原帖由 wongman 于 2013-10-19 00:48 发表
民工甲老哥,大恩,無以為報,
是因“囊中羞澀”。但,那是“乾坤錯”!


发表于 2013-10-19 23:12:27 | 显示全部楼层
G1是什么啊? 没听过,多少瓦的?  前面板和旋钮图没看明白啊  貌似不太一样
发表于 2013-10-19 23:24:29 | 显示全部楼层
原帖由 民工甲 于 2013-10-19 18:11 发表


杀总,现在怎么传图只能一层楼一张的传呢?怪麻烦的~

可以编辑的时候再插入的吧好像?
发表于 2013-10-20 16:35:31 | 显示全部楼层
 楼主| 发表于 2013-10-21 01:02:59 | 显示全部楼层

回复 26楼 nan8996 的帖子

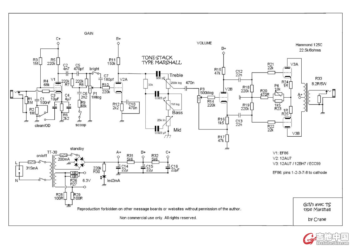
G1乃 ’馬歇爾50周年糸列’,1W管機箱頭。
旋鈕面板乃原版機式樣,原版採用“印刷線路板”。故有區別。
其他圖片,則屬其中二個DI丫版。讓大家參考,希望能千紫萬紅,做出不同的G1。
這是“友好鄰居”及“和諧室友”的機種!
发表于 2013-10-21 13:27:02 | 显示全部楼层
原帖由 湛江杀人王 于 2013-10-19 23:24 发表

可以编辑的时候再插入的吧好像?


额~~~感谢赐教~
发表于 2013-10-22 22:15:08 | 显示全部楼层
50th也分好几个型号啊
发表于 2013-10-31 10:34:08 | 显示全部楼层
这个是1W哪个?JCM1??
应该不会是JVM1或者DSL1吧
 楼主| 发表于 2013-11-2 13:48:31 | 显示全部楼层
diy 出一個出來,想啥型號就是啥型號![em28]

[ 本帖最后由 wongman 于 2013-11-2 13:50 编辑 ]
 楼主| 发表于 2013-12-12 17:02:49 | 显示全部楼层
G-1的功率輸出管為:12AU7,輸出阻抗為:22.5 k歐。
原廠機的輸出變壓器似乎使用Ei-48型鐵芯,頻寬似乎:15O Hz-15 KHz。
現欲改用Ei-57型鐵芯,以壯天威。低頻取值80 Hz,此變,僅想改善瞬態反應,未知可行否?
縱觀,眾壇大家,頗介蒂推挽兩臂,直流電阻之誤差,故亦想在繞法中Hi-Fi一回,壇中諸前輩可否賜教?!
 楼主| 发表于 2013-12-12 17:39:48 | 显示全部楼层
糾正:哈蒙德變壓器:125a的尺寸是Ei-35型鐵芯。
更迷你了。[em29]
发表于 2013-12-12 22:40:09 | 显示全部楼层
楼主老贼,你是从明朝穿越过来的么?
 楼主| 发表于 2013-12-13 18:22:44 | 显示全部楼层
天北物寒,民工甲兄安好!地南如春,咱倆咫尺天涯。
‘欠債,他人就死記著你’,嘿嘿,古訓果然真理!
穿越千年,驚訝族人每喜雷霆萬鈞,一統天下;偏我卻獨愛G1的“睦鄰和諧”。
既視為珍品,自然就想“精益求精”!
壇上眾大大,敬請支招,使吾小輩能“站在巨人的肩膀上,畫蛇添足”一番,亦是論壇功德,然否?!
发表于 2013-12-14 23:44:45 | 显示全部楼层
能给个电牛和输出牛的参数吗?具体点
发表于 2013-12-15 22:48:44 | 显示全部楼层
我试试做一个
这个应该很适合卧室练习
就怕音色可调性不大
 楼主| 发表于 2013-12-15 23:49:47 | 显示全部楼层
謝謝樓上,瑞雪豐年!
期待有好心得能分享。
您需要登录后才可以回帖 登录 | 注册

本版积分规则

Archiver|手机版|小黑屋|吉他中国官方

GMT+8, 2025-11-27 17:45

Powered by Discuz!

© 2001-2024 Discuz! Team.

快速回复 返回顶部 返回列表