买琴买鼓,就找魔菇!

 找回密码
 注册
搜索
查看: 2493|回复: 5

求知识Epiphone3块拾音器 线路焊法。。

[复制链接]
发表于 2013-8-13 20:58:05 | 显示全部楼层 |阅读模式
吉他中国微信公众号
如题 听说靠近琴颈的2块拾音器当做一个来用 是这样的么。。吉他样式如图
2.jpg
 楼主| 发表于 2013-8-13 21:20:17 | 显示全部楼层
吉他中国抖音
木有人知道么。。。。
发表于 2013-8-15 18:50:41 | 显示全部楼层

这个其实很简单 3个档 一个档控制一块拾音器

GC视频号
我这没有这个的 但是有个复杂的
lp_custom_wiring_schematic.jpg
发表于 2013-8-16 09:34:46 | 显示全部楼层
买琴买鼓,就找魔菇
我也挺好奇的,不过看楼上图有个五档拨档啊。
突然跟淘宝这个联系起来了http://item.taobao.com/item.htm? ... .126.e2n1kW&id=7976128287
应该是装在电位器的地方的吧?

[ 本帖最后由 sudayang 于 2013-8-16 16:11 编辑 ]
发表于 2013-8-17 10:10:03 | 显示全部楼层
原帖由 qq862498585 于 2013-8-13 20:58 发表
如题 听说靠近琴颈的2块拾音器当做一个来用 是这样的么。。吉他样式如图



期待这个琴的线路图纸
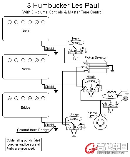
发表于 2013-8-29 22:48:18 | 显示全部楼层

这回对了

应该是这个吧
TIMG_399481757.02569.JPG
您需要登录后才可以回帖 登录 | 注册

本版积分规则

Archiver|手机版|小黑屋|吉他中国官方

GMT+8, 2026-5-13 10:08

Powered by Discuz!

© 2001-2024 Discuz! Team.

快速回复 返回顶部 返回列表