买琴买鼓,就找魔菇!

 找回密码
 注册
搜索
查看: 2305|回复: 4

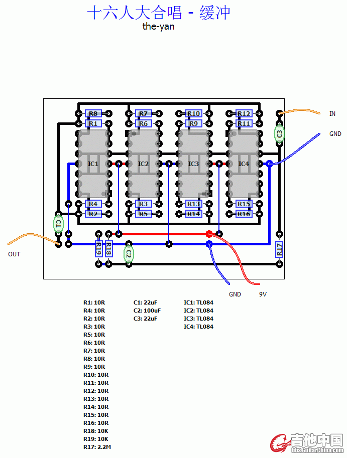
JHS buffer是双缓冲Super buffer是四缓冲,来个刺激点的16缓冲

[复制链接]
发表于 2013-4-9 23:48:34 | 显示全部楼层 |阅读模式
吉他中国微信公众号
JHS BLACK Buffer——双运放缓冲AMZ Super buffer——四运放缓冲
刚画了个刺激点的~十六人大合唱缓冲
自己画的~
没做过~
请教下这样设计可以不!
有兴趣的朋友自己做~
会不会放烟花不保证!
render.gif
 楼主| 发表于 2013-4-9 23:52:22 | 显示全部楼层
吉他中国抖音
补偿一句~18X22的洞洞板就可以满足这个电路了!
发表于 2013-4-10 08:00:03 | 显示全部楼层
GC视频号
16并,驱动力是增强了,但是有10欧的均流电阻,输出阻抗比单个的也不会有提高。不知道这个缓冲准备用在哪?
发表于 2013-4-17 15:51:27 | 显示全部楼层
买琴买鼓,就找魔菇
请问下,这是电吉他效果器还是人声效果器?
头像被屏蔽
发表于 2013-5-22 23:37:19 | 显示全部楼层
提示: 作者被禁止或删除 内容自动屏蔽
您需要登录后才可以回帖 登录 | 注册

本版积分规则

Archiver|手机版|小黑屋|吉他中国官方

GMT+8, 2025-12-27 06:34

Powered by Discuz!

© 2001-2024 Discuz! Team.

快速回复 返回顶部 返回列表