买琴买鼓,就找魔菇!

 找回密码
 注册
搜索
查看: 1855|回复: 6

大家帮我分析分析怎么回事呢

[复制链接]
发表于 2013-3-28 09:39:47 | 显示全部楼层 |阅读模式
吉他中国微信公众号
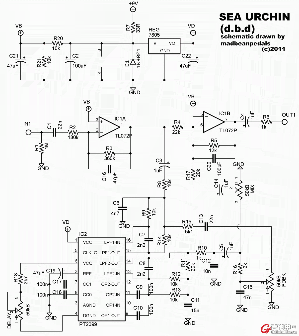
20130212_8edf7f9ddea6dc08ab020KT7vIsXlrDh.gif 这个图我做出来为什么延时部分有唰唰的杂音 怎么回事呢 感觉不是TL072 好像是 PT2399的延时杂音
发表于 2013-3-28 11:21:11 | 显示全部楼层
吉他中国抖音
这不是平凡大哥做的那个延时么?我也做了··没有杂音··感觉很好··我用的不是072,我直接用4558,你试下吧~~
发表于 2013-3-28 13:03:57 | 显示全部楼层
GC视频号
或者在2399那个1脚,就是VD脚并联加上100uf电解电容接地滤波····
 楼主| 发表于 2013-3-29 01:29:28 | 显示全部楼层
买琴买鼓,就找魔菇
试过了哥们儿 rebote那2.5的延时也是有轻微的失真 不知道怎么回事别的都没毛病就是有很轻微的失真
发表于 2013-3-29 12:51:38 | 显示全部楼层
失真可能是那个运放的放大倍数过大而导致失真的····我觉得是这样··········具体不知道······ 低频没学好,所以不清楚······· mi audio crunch box.jpg

[ 本帖最后由 苏v哲 于 2013-3-29 13:59 编辑 ]
 楼主| 发表于 2013-4-1 09:50:55 | 显示全部楼层
你这个图是失真效果器 延时效果器不应该有失真 不知道肿么回事
发表于 2013-4-4 16:21:36 | 显示全部楼层

回复 6楼 yngwie1990 的帖子

是啊···这个是失真效果器···我不小心发上去的·····删不了···别误会··哈哈··
您需要登录后才可以回帖 登录 | 注册

本版积分规则

Archiver|手机版|小黑屋|吉他中国官方

GMT+8, 2026-5-14 08:54

Powered by Discuz!

© 2001-2024 Discuz! Team.

快速回复 返回顶部 返回列表