买琴买鼓,就找魔菇!

 找回密码
 注册
搜索
查看: 3759|回复: 4

这样的拾音器电路图或者是连接方法谁知道?

[复制链接]
发表于 2012-4-9 08:41:42 | 显示全部楼层 |阅读模式
吉他中国微信公众号
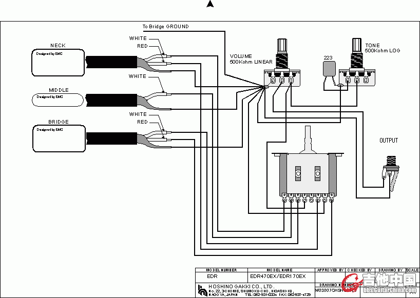
这样的拾音器电路图或者是连接方法谁知道? 附件图
网上能查找到的电路图都是双排焊点的,这个只有一排,7个焊点,请问双单双拾音器怎么连接。
吾乃临表涕零,感激不尽。

五档7个焊点拾音器

五档7个焊点拾音器
 楼主| 发表于 2012-4-9 12:20:07 | 显示全部楼层
吉他中国抖音
双单双拾音器接这个,怎么接啊,大伙帮帮忙
发表于 2012-4-9 15:47:03 | 显示全部楼层
GC视频号
5档还是3档 要是3档可能不适合HSH拾音器
发表于 2012-4-10 03:17:32 | 显示全部楼层
买琴买鼓,就找魔菇
給你參巧,5擋制專用
IbanezED470.gif
发表于 2012-4-11 13:26:29 | 显示全部楼层
好奇怪的说,还是lp的简单吗》?三档的
您需要登录后才可以回帖 登录 | 注册

本版积分规则

Archiver|手机版|小黑屋|吉他中国官方

GMT+8, 2025-11-14 01:58

Powered by Discuz!

© 2001-2024 Discuz! Team.

快速回复 返回顶部 返回列表