买琴买鼓,就找魔菇!

 找回密码
 注册
搜索
查看: 6081|回复: 7

如何把一个双声道耳放改成单声道的

[复制链接]
发表于 2011-11-15 20:58:19 | 显示全部楼层 |阅读模式
吉他中国微信公众号
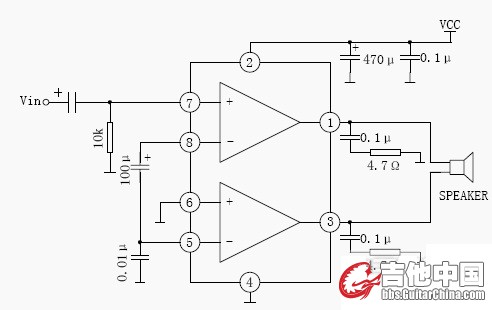
Untitled.jpg




如图。。这个耳放是立体声输入的,我想把他变成单声道输入,千万别告诉我直接把IN信号分成两路。。

我想要的是去掉IN的另外一路信号,但是运放的另外一个放大器不会被闲置。。不知道如何改,求解。。。

[ 本帖最后由 rainynights 于 2011-11-15 20:59 编辑 ]
发表于 2011-11-15 21:57:52 | 显示全部楼层
吉他中国抖音
‘但是运放的另外一个放大器不会被闲置’你想要让它干什么?
发表于 2011-11-15 21:59:30 | 显示全部楼层
GC视频号
另外这个芯片不是运放而是功放
 楼主| 发表于 2011-11-16 00:35:13 | 显示全部楼层
买琴买鼓,就找魔菇
我也不知道他能干嘛,比如:能不能参与二次放大??
 楼主| 发表于 2011-11-16 00:36:35 | 显示全部楼层
反正就是要想办法把他用起来,总觉得芯片只用一半,闲置另外一半太浪费了,还不如找个LM386一类的来做呢。。
发表于 2011-11-22 22:02:15 | 显示全部楼层
LZ不是想把耳机改成听电话机的感觉吧?
发表于 2011-11-23 00:32:32 | 显示全部楼层
这个要改成BTL接法就完美了,我要再研究一下
发表于 2011-11-23 00:46:35 | 显示全部楼层
百度来的图片,参考一下
20101206110322407[1].jpg
您需要登录后才可以回帖 登录 | 注册

本版积分规则

Archiver|手机版|小黑屋|吉他中国官方

GMT+8, 2026-5-19 08:39

Powered by Discuz!

© 2001-2024 Discuz! Team.

快速回复 返回顶部 返回列表