买琴买鼓,就找魔菇!

 找回密码
 注册
搜索
查看: 4380|回复: 7

很久没见有人发图纸了,我来发一些音箱模拟原理图。

[复制链接]
发表于 2011-9-1 21:19:35 | 显示全部楼层 |阅读模式
吉他中国微信公众号
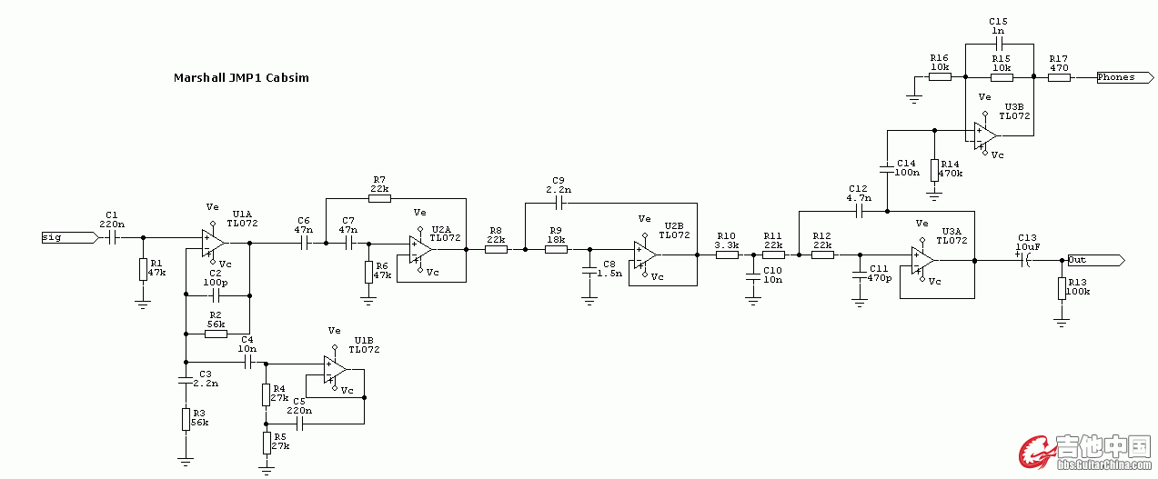
没有好箱子 音箱模拟还是很重要的 这些图都是在外国网站下来的 谁试试做看看效果怎样
BossTM-3.gif
CreamMachineCabsim.gif
Engl_LineOut.gif
fender 箱模.gif
fender.gif
HKtubemanCabsim.gif
JMP1-cabsim.gif
JTMcabsim.gif
LaneyTF200Vibe.gif
Se100.gif
TriAmpSlaveOut.gif
VariCab.gif
发表于 2011-9-1 21:41:13 | 显示全部楼层
吉他中国抖音
支持!!!!
发表于 2011-9-1 23:03:16 | 显示全部楼层
GC视频号
很好,很强大
发表于 2011-9-1 23:27:31 | 显示全部楼层
买琴买鼓,就找魔菇
我来发个MESA的箱体模拟。。

mesa.gif
发表于 2011-9-1 23:30:29 | 显示全部楼层
marshall的箱体模拟

marshall箱体1.jpg
带均衡的箱体模拟。。

20088118303167812.jpg
 楼主| 发表于 2011-9-3 22:51:20 | 显示全部楼层
发表于 2011-9-4 12:00:57 | 显示全部楼层
llz真强大,支持了!
发表于 2019-6-5 11:21:57 | 显示全部楼层
高手在民间,弹个吉他都快成科学家了,佩服
您需要登录后才可以回帖 登录 | 注册

本版积分规则

Archiver|手机版|小黑屋|吉他中国官方

GMT+8, 2025-12-21 05:07

Powered by Discuz!

© 2001-2024 Discuz! Team.

快速回复 返回顶部 返回列表